Eltryckeslås 815-50 komplett

Velox

Assa Abloy Art.nr: 30082910 Lev.art.nr: 705244123031
ASSA-ABLOY-Velox-analogt-Eltryckeslås-815-50-komplett
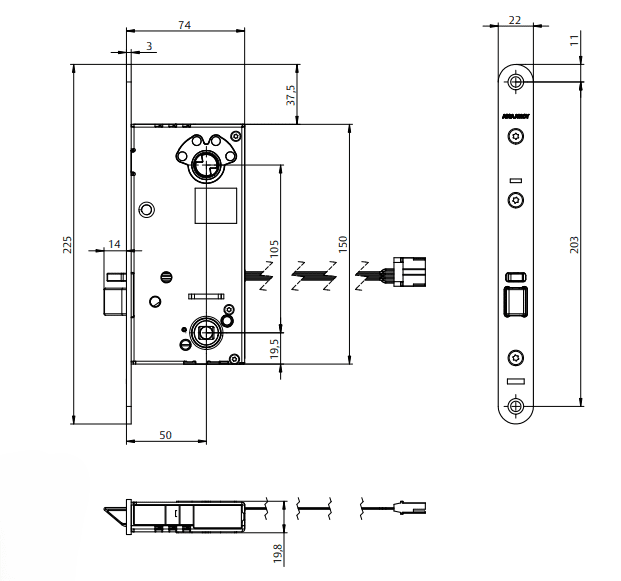
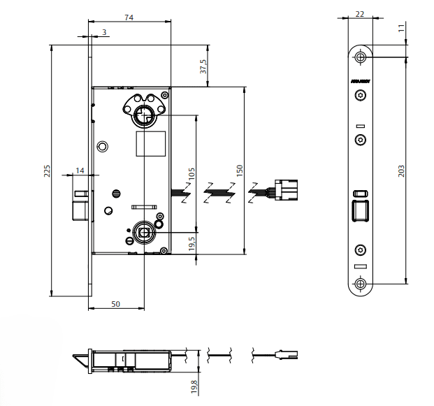
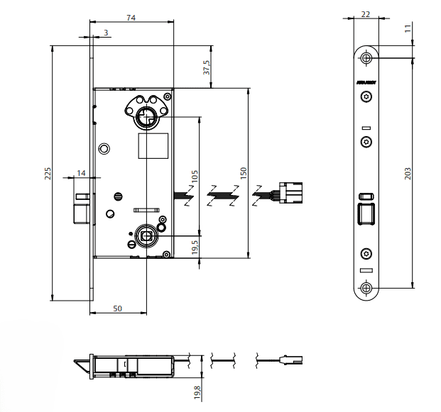
Måttskiss ASSA ABLOY Velox analogt Eltryckeslås 815-50

Eltryckeslås 815-50 komplett

Velox

Assa Abloy Art.nr: 30082910 Lev.art.nr: 705244123031

ASSA ABLOY Velox eltryckeslås sätter en ny standard för dagens och framtidens krav på funktion och prestanda. Låsen är anpassade för en snabb och flexibel installation, hög driftsäkerhet över tid och högfrekvent användning. Installationen kan ske digitalt och krypterat mot ARX passersystem eller analogt mot andra system.

Låsen lämpar sig för allt från lätta innerdörrar till tunga ytterdörrar och de är certifierade för att klara tuffa inbrotts-, brand- och utrymningskrav. Att de är energieffektiva och tillverkade av återvinningsbara material gör dem till ett bra miljöval.

Användningsområde

ASSA ABLOY 815-50 analogt eltryckeslås är anpassade för högfrekventa dörrar med ASSA modul- eller Connecturtag. Låset passar bra som daglåsning och intern låsning inom handel, kontor och industri eller i entréer och allmänna utrymmen i flerfamiljshus. ASSA ABLOY Eltryckeslås är godkänt för montage i brandcellsgräns E/EI 120.

Funktion

Eltryckeslås 815-50 är ett split spindle-lås, utsidans trycke är elektriskt styrt och insidans är mekaniskt inkopplat för direkt utpassering via trycket vilket möjliggör installation i dörr för utrymning.

ASSA ABLOY 815-50 är ett eltryckeslås med analog kommunikation vilket innebär att en direkt koppling till relästyrda funktioner är möjlig. I de analoga låsen i Velox-serien (813/815) finns sensorer för indikeringar samt lågenergimotor för in-/urkoppling av trycket. Det är ett arv från Hi-O-versionerna i Velox-serien vilket ger ökad säkerhet och minskad strömförbrukning

Egenskaper
  • Förreglad tryckesfall
  • Låset kan alltid manövreras med nyckel/vred
  • Brandgodkänt E/EI 120
  • Certifierat enligt SSF 3522-1093, klass 1
  • Certifierad enligt SS-EN 179
  • Enkelt omställbart rättvänd/omvänd funktion
  • Vändbar fallkolv
  • Multispänning 12-24V
  • Statusindikering (vid Stand-by mode):
    • Förreglad
    • Insidans trycke/handle used (RTE – Request to exit)
Inkoppling

Inkoppling sker med fem alternativt två ledare från låset, två för spänning, tre för kommunikation vid indikeringar från lås.

Om ström används som öppningssignal/pulsöppning och ingen indikering från lås önskas kopplas låset med två ledare. Använd färdigkontakterad kabel EA220 (10 m) vid installation. Notera att ställa in DIP på låset för önskat driftläge, standby eller pulsöppning.

Strömförbrukning
24V - Standby Standby: 1mA Inkoppling trycke: 6mA
24V – Pulsöppning Standby: 0mA Inkoppling trycke: 6mA
12V - Standby Standby: 1,2mA Inkoppling trycke: 16mA
12V – Pulsöppning Standby: 0mA Inkoppling trycke: 16mA

Leverans

Komplett sats

  • Eltryckeslås 815-50 analogt
  • Anslutningskabel EA220, 10 m
  • Karmöverföring 84
  • Tryckespinnar 520H 43 mm

Ytbehandling: Förzinkad

Senaste besökta produkter