Eltryckeslås ST120/12V split klassisk

ST120-12

STEP Art.nr: 10198730 Lev.art.nr: ST120-12
STEP-120
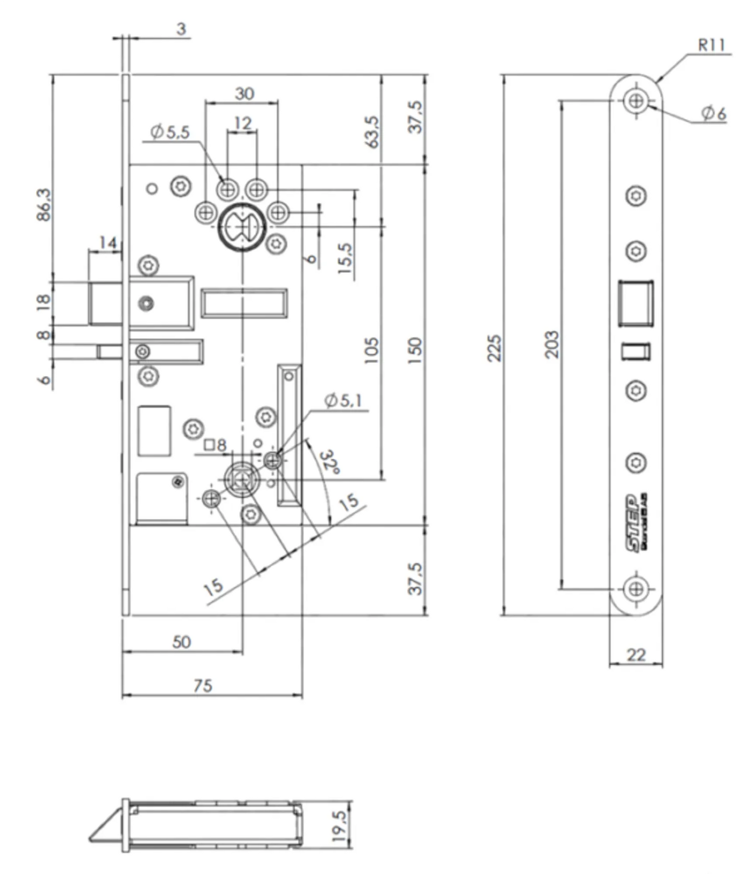
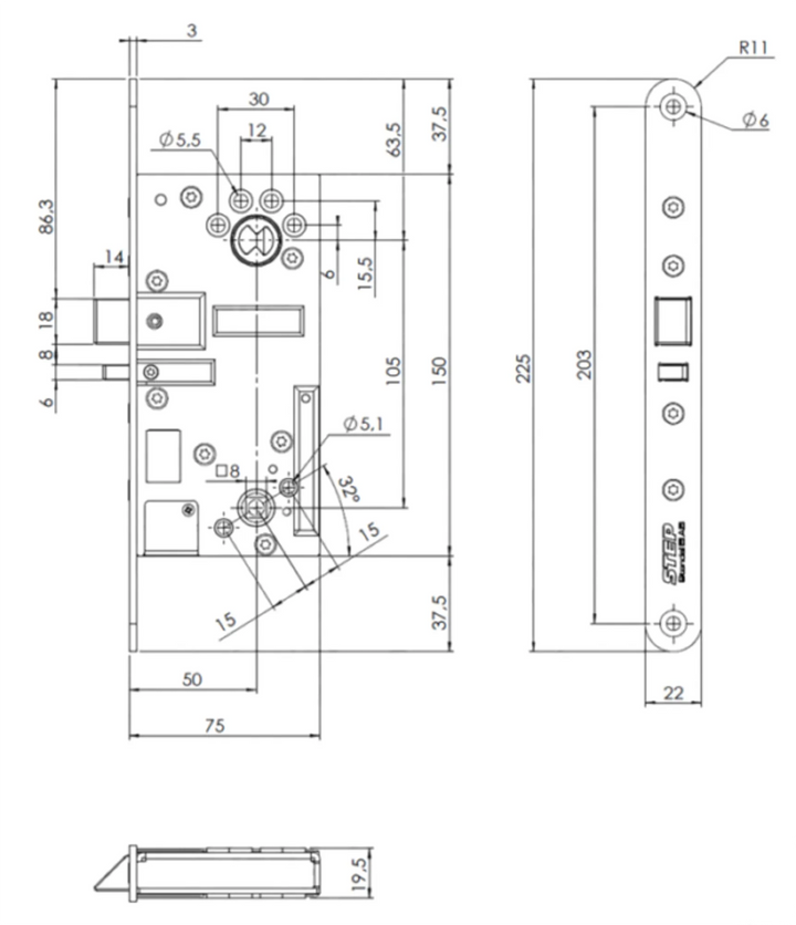
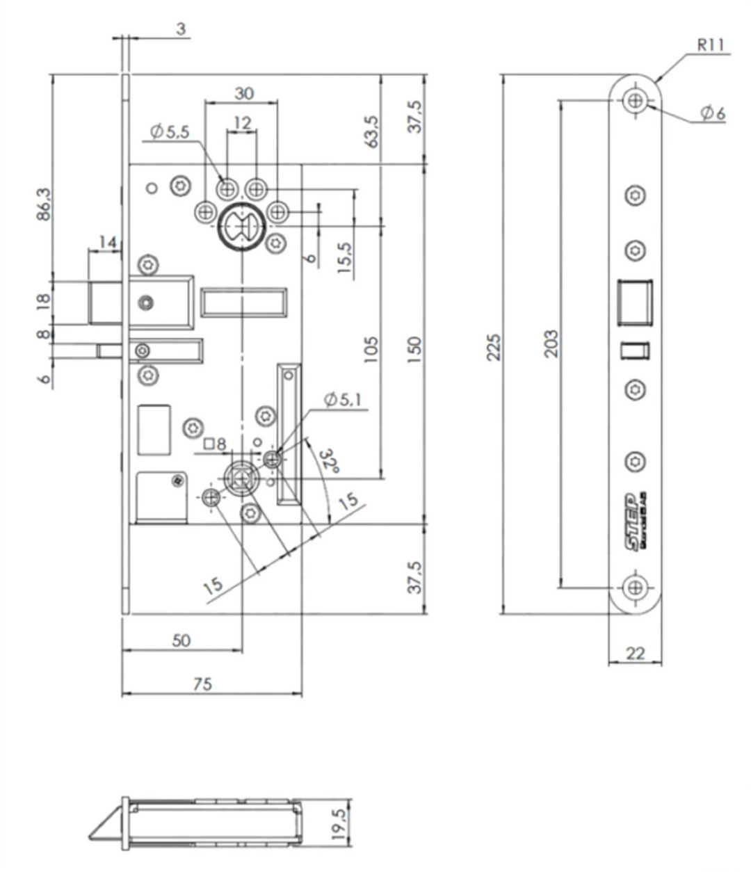
Måttskiss STEP120
Kopplingschema ST120

Eltryckeslås ST120/12V split klassisk

ST120-12

STEP Art.nr: 10198730 Lev.art.nr: ST120-12

STEP 120 är ett slitstarkt eltryckeslås i rostfritt stål med klassisk kolvplacering och flera flexibla egenskaper. Konstruktionen är framtagen med STEPs erkänt höga kvalitetskrav vilket säkerställer en kraftfull prestanda med hög driftsäkerhet.

Låset kan användas i dörrmiljöer med både brand- och utrymningskrav samt är anpassat för att kunna användas tillsammans med elslutbleck. STEP 120 är det självklara valet vid ROT- och utbytesprojekt.

  • Dorndjup 50 mm.
  • Klassisk kolvplacering.
  •  Med eller utan split funktion. 
  • Den mekaniska split funktionen möjliggör att bägge sidor av låset kan vara elektriskt styrda eller att en valfri sida kan ske med mekanisk utpassering.
  • Utrymning och hög hållbarhet säkerställs genom att den mekaniskt styrda sidan har en rejäl fastsättning där split funktionen säkras av rostfria och härdade detaljer. 
  • Låset är vändbart för att passa både höger och vänsterdörrar.
  • Omställbar med rättvänd/omvänd funktion. 
  • De valbara funktionerna sker lättåtkomligt och smidigt från låshusets utsida. 
  • Låset är anpassat för runda och ovala Skandinaviska cylindrar.
  • Inbyggda mikrobrytare indikerar stängt och förreglat läge samt tryckesmanövrering, för inkoppling till passersystem. 
  • Skyddsdiod finns inbyggd.
  • Med STEP nödutrymningsbehör och STEP 100 eltryckeslås kan du säkerställa utrymningskraven enligt SS-EN 179. 
Funktionsbeskrivning: 
  • Fallkolven dras in mekaniskt via cylinderroddaren med nyckel från utsidan eller nyckel/vred från insidan.
  • Trycket på utsidan aktiveras elektriskt via passersystem, kodlås eller liknande och drar in fallkolven.
  • Trycket på insidan är alltid mekaniskt aktiv och drar in fallkolven.
  • Omställbar höger/vänster, rättvänd/omvänd funktion samt elektrisk/mekaniskt manövrerad sida.
Certifikat:
  • Durability: Grade X enligt SS-EN 14846.
  • Certifierad i brandteknisk klass E/EI120 enligt SS-EN 14846:2008.
  • Uppfyller kraven i Grade M för korrosion, temperaturer och luftfuktighet vilket motsvarar högt ställda krav enligt SS-EN 14846.
Teknisk information:
  • Mikrobrytare enpoligt växlande, max. 30 V DC, 1 A.
  • Klassisk kolvplacering.
  • Inbyggda mikrobrytare indikerar stängt och förreglat läge samt tryckesmanövrering.
  • Inbyggd skyddsdiod.
  • Anpassat för runda och ovala skandinaviska cylindrar.
  • Dorndjup 50 mm.
  • Återfjädrande trycken rekommenderas.
  • Multispänning 12 – 24 V DC.

Ytbehandling: Rostfritt

Senaste besökta produkter