Eltryckeslås ST122/24V klassisk

ST122

STEP Art.nr: 10198725 Lev.art.nr: ST122
STEP-120
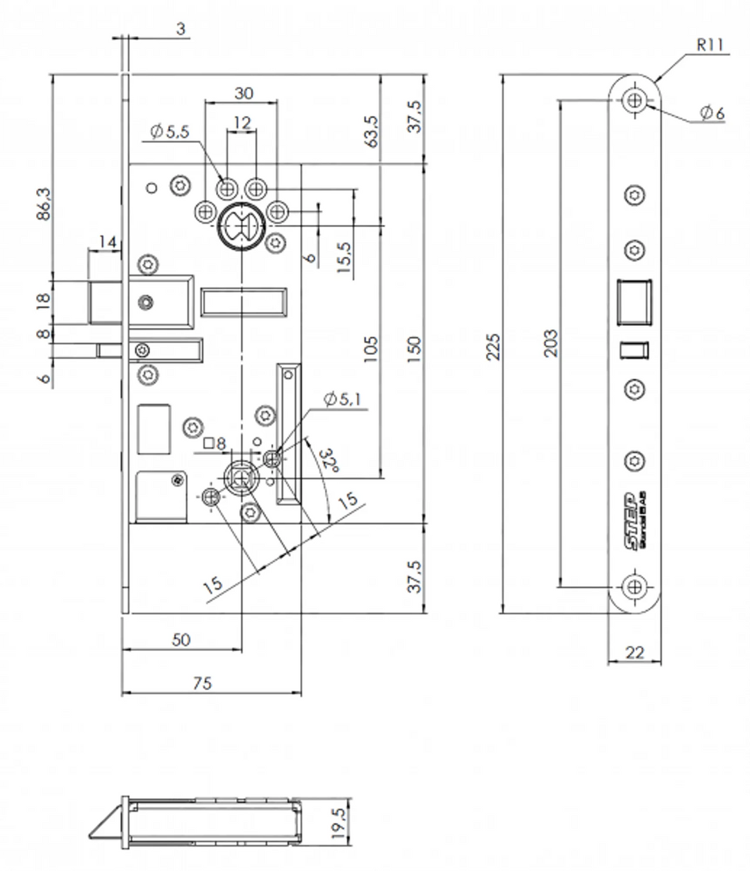
Måttskiss STEP122
Kopplingsschema ST122

Eltryckeslås ST122/24V klassisk

ST122

STEP Art.nr: 10198725 Lev.art.nr: ST122
STEP 122 är ett slitstarkt eltryckeslås i rostfritt stål med klassisk kolvplacering. Låset kan användas i dörrmiljöer med brandkrav samt är anpassat för att kunna användas tillsammans med elslutbleck.

  • Valbara funktioner, som dörrhängning, rättvänd/omvänd funktion. 
  • Inbyggda mikrobrytare indikerar stängt och förreglat läge samt tryckesmanövrering för avläsning i passersystem.
  • Testade för att tåla en hög öppningsfrekvens.
  • STEP 122 är utan splitfunktion vilket innebär att båda sidorna av låset är elektriskt styrda.
Funktionsbeskrivning:
  • Fallkolven dras in mekaniskt via cylinderroddaren med nyckel från utsida eller nyckel/vred från insida
  • Både trycket på utsidan och insidan aktiveras elektriskt via passersystem, kodlås eller liknande och drar in fallkolv.
  • Omställbar höger/vänster samt rättvänd/omvänd funktion.
Certifikat:
  • Durability: Grade X enligt SS-EN 14846.
  • Certifierad i brandteknisk klass E/EI120 enligt SS-EN 14846:2008.
  • Uppfyller kraven i Grade M för korrosion, temperaturer och luftfuktighet vilket motsvarar högt ställda krav enligt SS-EN 14846.
Teknisk information:
  • Mikrobrytare enpoligt växlande, max. 30 V DC, 1 A.
  • Klassisk kolvplacering.
  • Inbyggda mikrobrytare indikerar stängt och förreglat läge samt tryckesmanövrering.
  • Inbyggd skyddsdiod.
  • Anpassat för runda och ovala skandinaviska cylindrar.
  • Dorndjup 50 mm.
  • Återfjädrande trycken rekommenderas.
  • Multispänning 12 – 24 V DC.

Ytbehandling: Rostfritt

Senaste besökta produkter