Låshus 13585-28 vä Z

Assa Abloy Art.nr: 30062455 Lev.art.nr: 804793165057
30062455
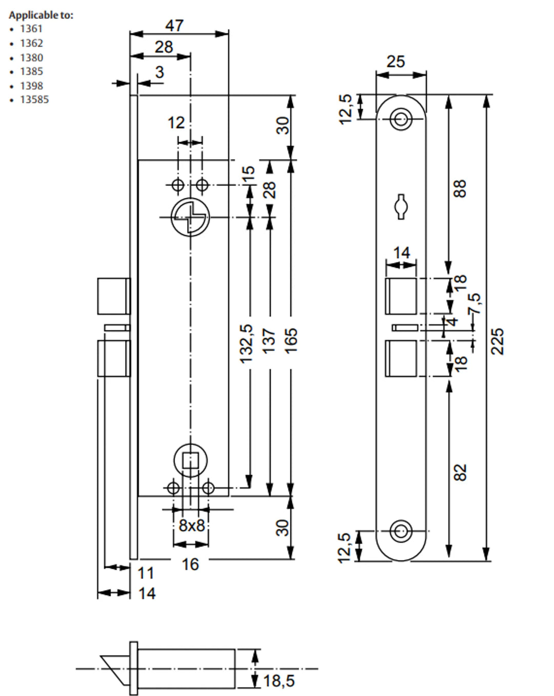
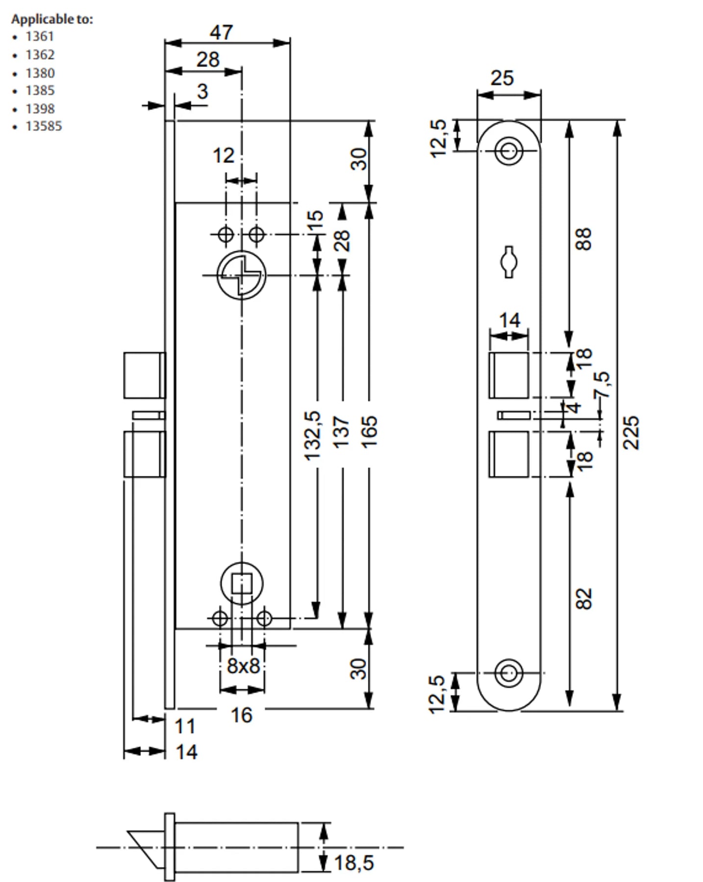
Måttskiss smalprofil

Låshus 13585-28 vä Z

Assa Abloy Art.nr: 30062455 Lev.art.nr: 804793165057
Låshus 13585 är för entrédörrar i butiker, varuhus, kontor, flerbostadshus etc. Där konstruktionen utgörs av smala ramprofiler, försedda med draghandtag och dörrstängare alt. dörrautomatik.

  • Dorndjupsutförande 28 mm.
  • Kan erhållas med två olika stolpbredder. 1385S-28 22mm och 1385-28 25mm.
  • Med cylinder- och förreglingsfall. 
  • Automatisk förregling av cylinderfallen vid 14mm utlåsning och intryckt förreglingsfall.
  • Cylinderfallen är uppställningsbar med nyckel.
  • Kan kombineras med elslutbleck.
Funktion:
  • Cylinderfallen dras in med nyckel eller vred.
  • Cylinderfallen kan ställas upp med uppställningsnyckel.

Ytbehandling: Förzinkad

Senaste besökta produkter