Låshus 1362-28 hö Z

Assa Abloy Art.nr: 30025315 Lev.art.nr: 803928163057
30025315
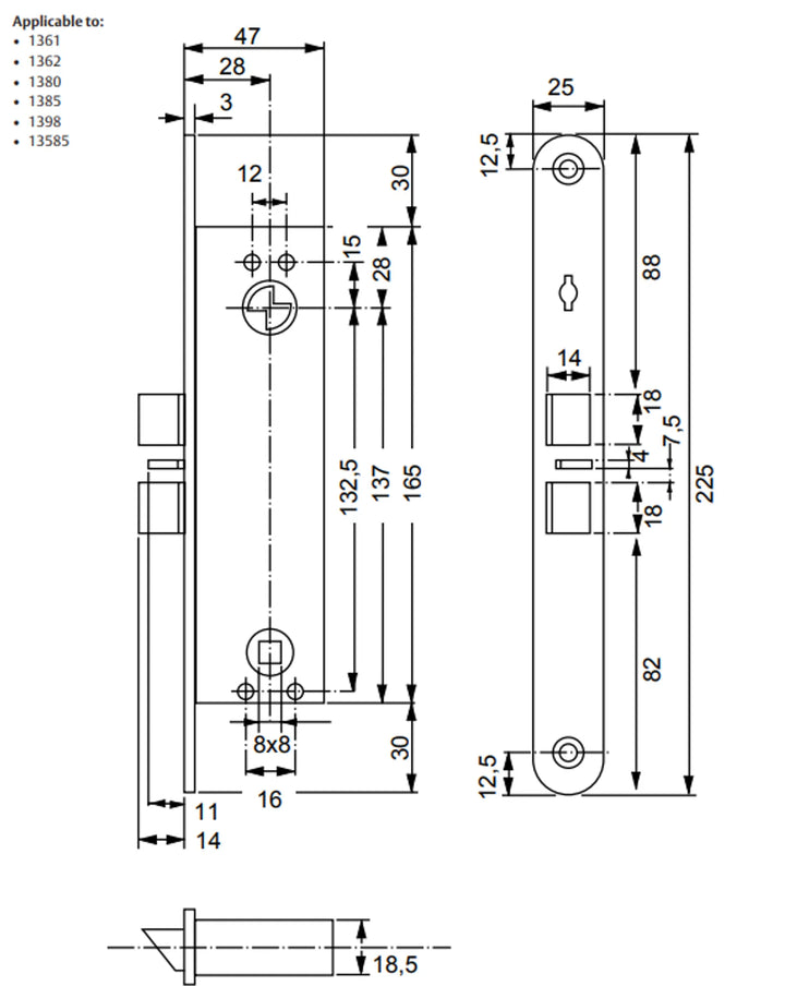
Måttskiss smalprofil

Låshus 1362-28 hö Z

Assa Abloy Art.nr: 30025315 Lev.art.nr: 803928163057
Ett cylinderfallås för entrédörrar och portar, kontor, flerbostadshus inom utbytesmarknaden (ROT) där modullås inte kan fällas in. 

  • Dorndjup 28 mm.
  • Låset kan fås med 2 olika stolpbredder 1362-28 22 mm och 1362-28 25mm.
  • Certifierat enligt SS-EN 12209.
  • Med cylinder-, förreglings- och tryckesfall.
  • Automatiskt förregling av cylinderfallen vid 14mm utlåsning & intryckt förreglingsfall.
  • Uppställningsbar cylinderfall.
  • Kan kombineras med elslutbleck.
Funktion:
  • Cylinder- och tryckesfall dras in med nyckel eller vred.
  • Tryckesfallen dras in med trycke.
  • Cylinderfallen kan ställas upp med uppställningsnyckel.

Ytbehandling: Förzinkad

Senaste besökta produkter