Låshus 1380-28 hö Z

Assa Abloy Art.nr: 30025330 Lev.art.nr: 804092163057
30025330
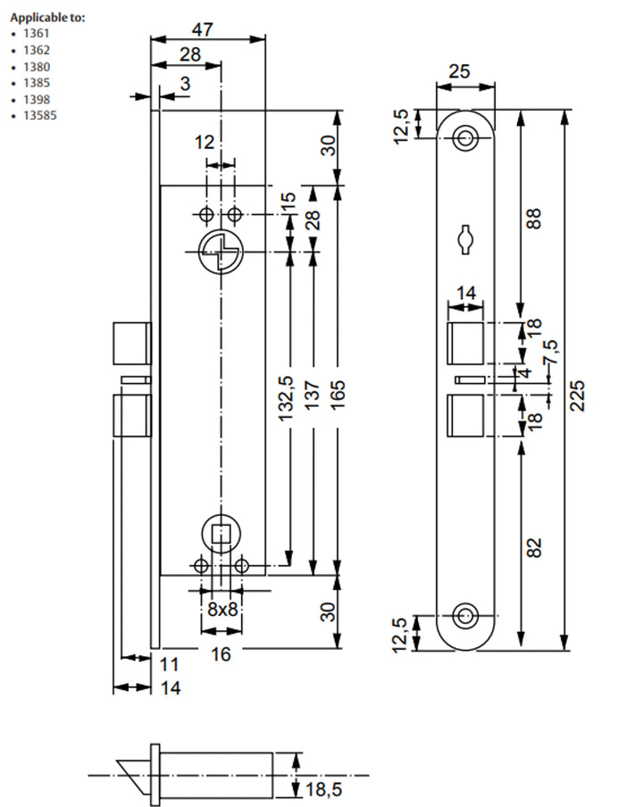
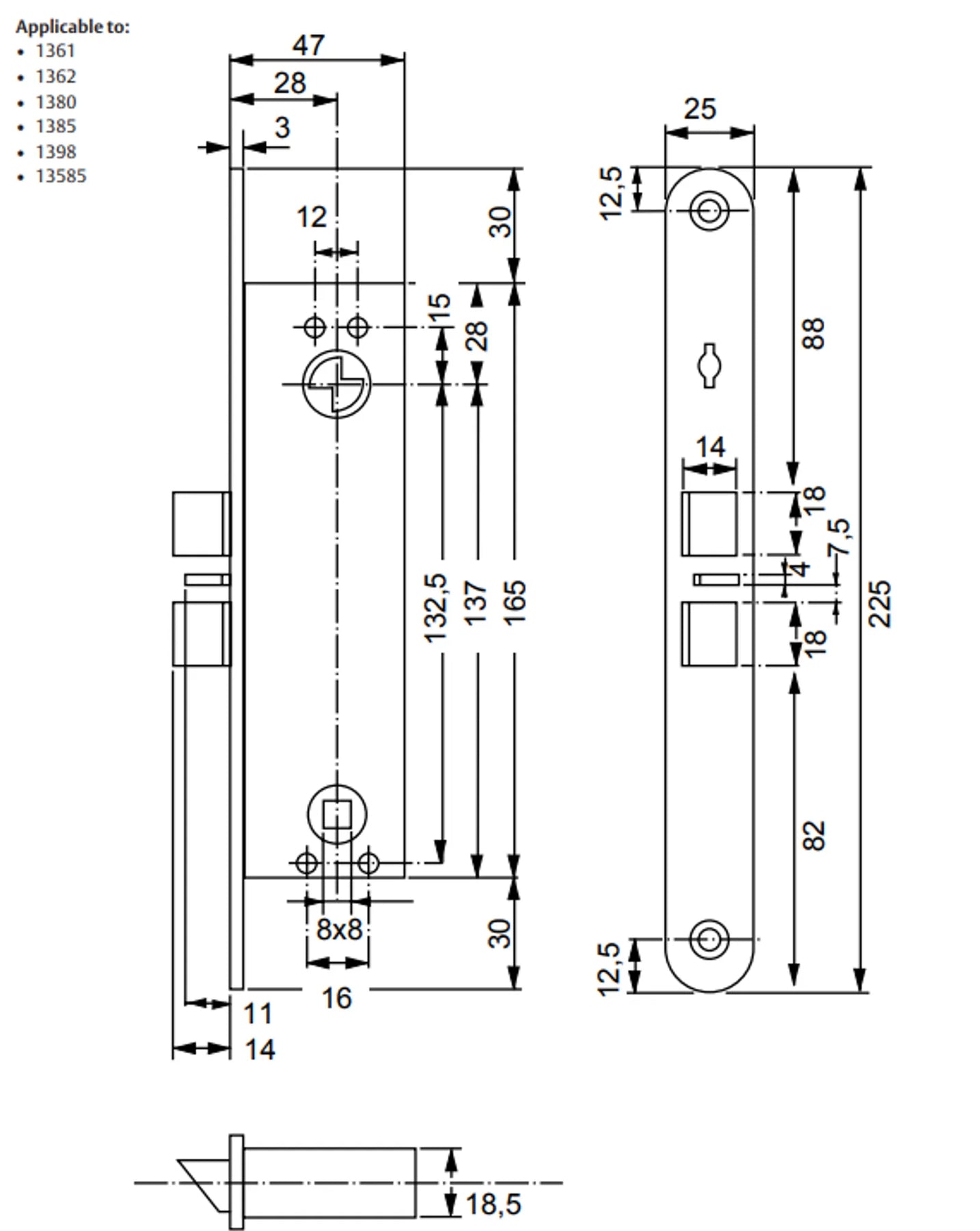
Måttskiss smalprofil

Låshus 1380-28 hö Z

Assa Abloy Art.nr: 30025330 Lev.art.nr: 804092163057
Låshus för entrédörrar i butiker, varuhus, kontor, flerbostadshus etc. Där konstruktionen utgörs av smala ramprofiler, försedda med draghandtag och dörrstängare alt. dörrautomatik.

  • Dorndjupsutförande 28 mm.
  • Kan erhållas med två olika stolpbredder. 1380S-28 22 mm och 1380-28 25 mm.
  • Med cylinderfall.
  • Uppställningsbar cylinderfall.
  • Kan kombineras med elslutbleck.
Funktion:
  • Cylinderfallen dras in med nyckel eller vred.
  • Cylinderfallen kan ställas upp med uppställningsnyckel. 
  • Låset saknar förreglingsfunktion.

Ytbehandling: Förzinkad

Senaste besökta produkter