Låshus 1385-28 vä Z

Assa Abloy Art.nr: 30025345 Lev.art.nr: 803929165057
30025345
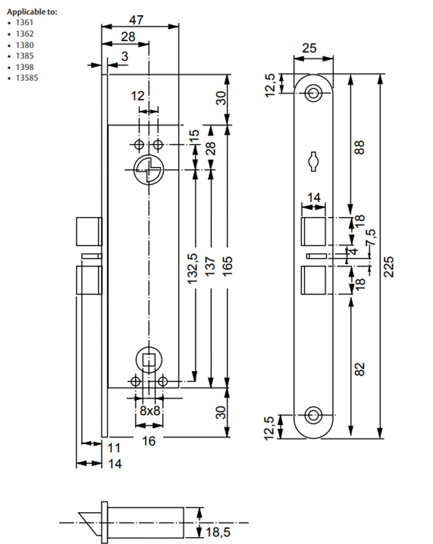
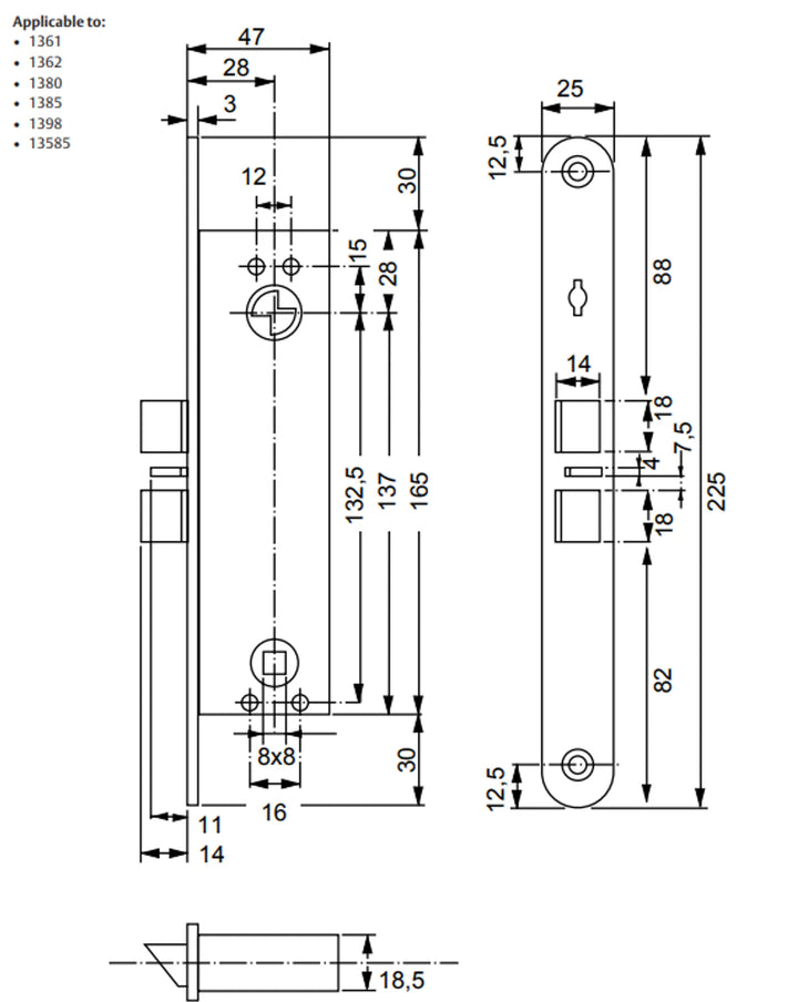
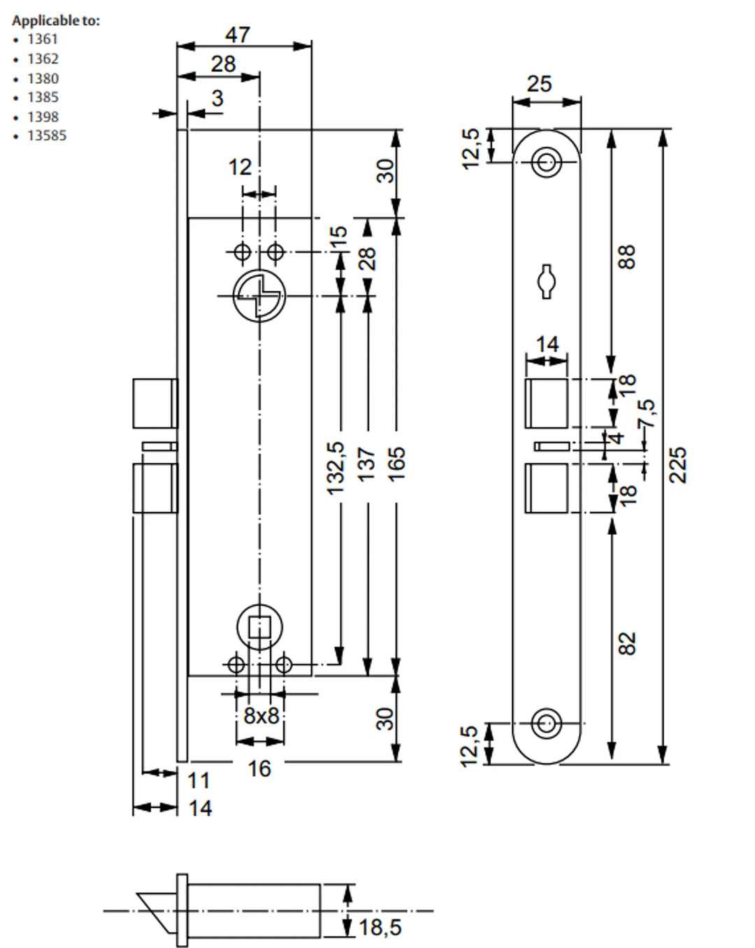
Måttskiss smalprofil

Låshus 1385-28 vä Z

Assa Abloy Art.nr: 30025345 Lev.art.nr: 803929165057
Låshus 1385-28 är ett lås för entrédörrar i butiker, varuhus, kontor, flerbostadhus etc, där konstruktionen utgörs av smala ramprofiler försedda med draghandtag och dörrstängare alt dörrautomatik.

  • Dorndjupsutförande 28 mm.
  • Kan erhållas med två olika stolpbredder. 1385S-28 22 mm och 1385-28 25 mm.
  • Med cylinder- och förreglingsfall.
  • Automatisk förregling av cylinderfallen vid 14 mm utlåsning och intryckt förreglingsfall.
  • Uppställningsbar cylinderfall.
  • Kan kombineras med elslutbleck.
Funktion:
  • Cylinderfallen dras in med nyckel eller vred.
  • Cylinderfallen kan ställas upp med uppställningsnyckel.

Ytbehandling: Förzinkad

Senaste besökta produkter