Låshus 2000-50 hö Z

Assa Abloy Art.nr: 30030001 Lev.art.nr: 802588983057
30030001
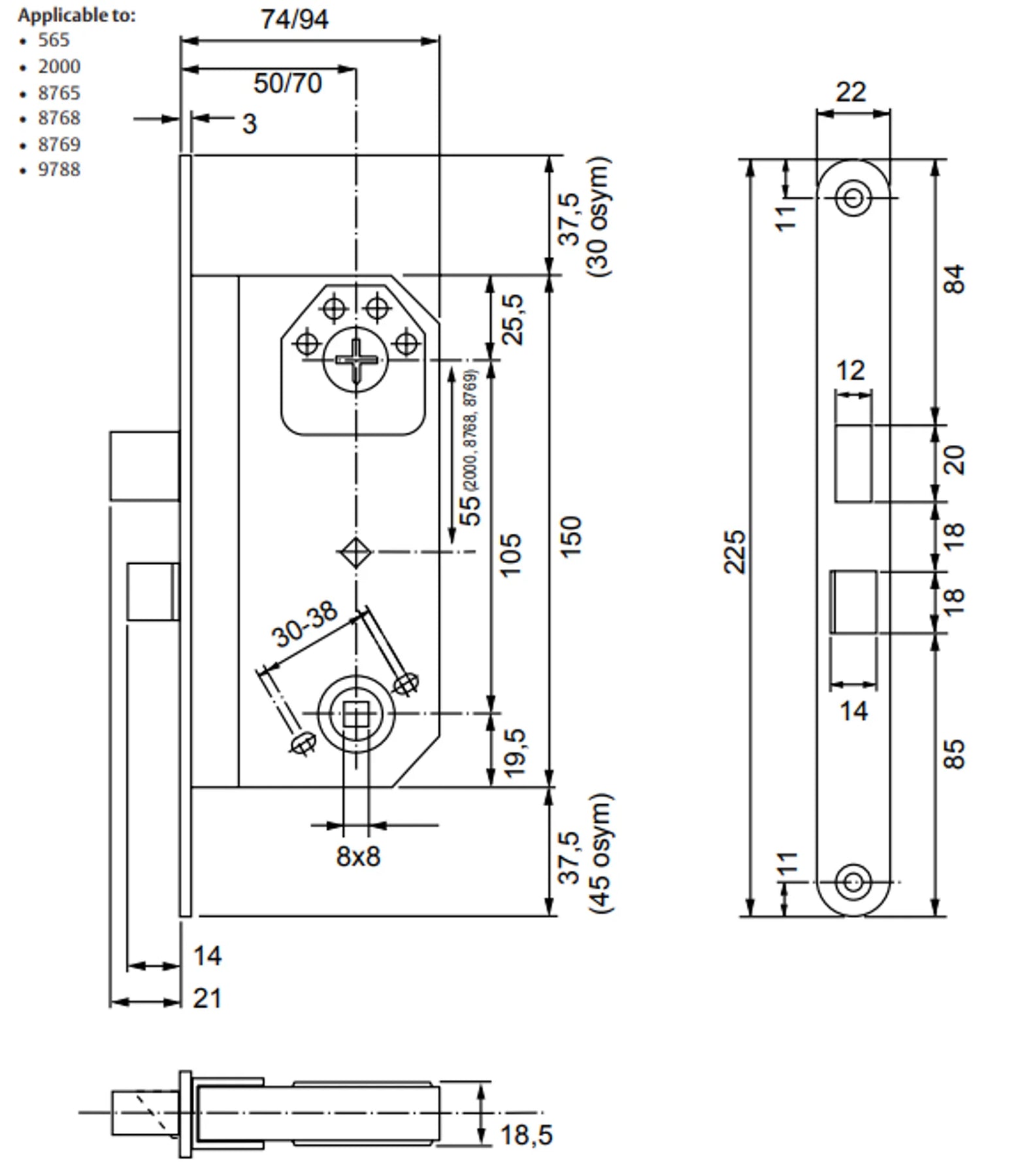
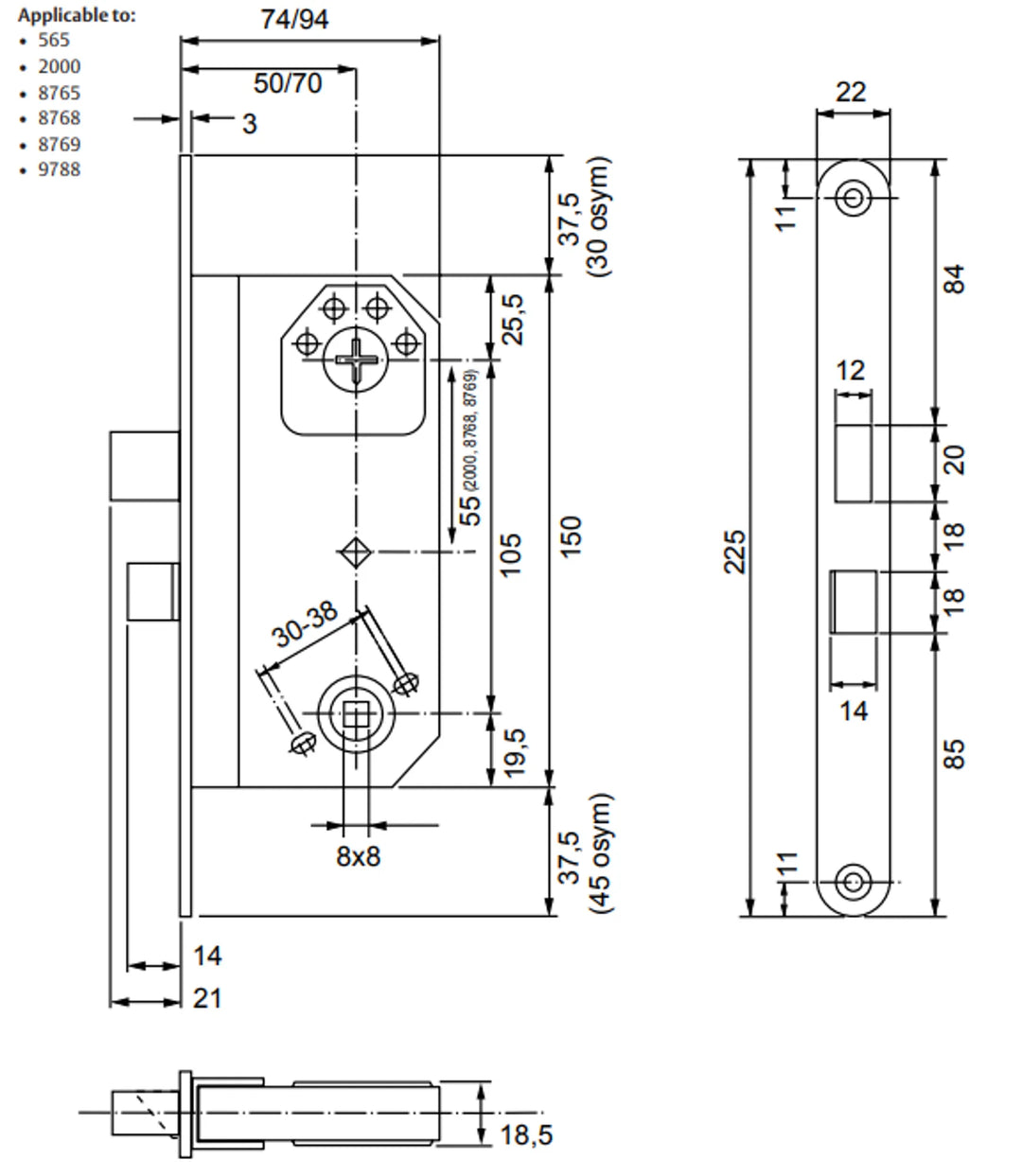
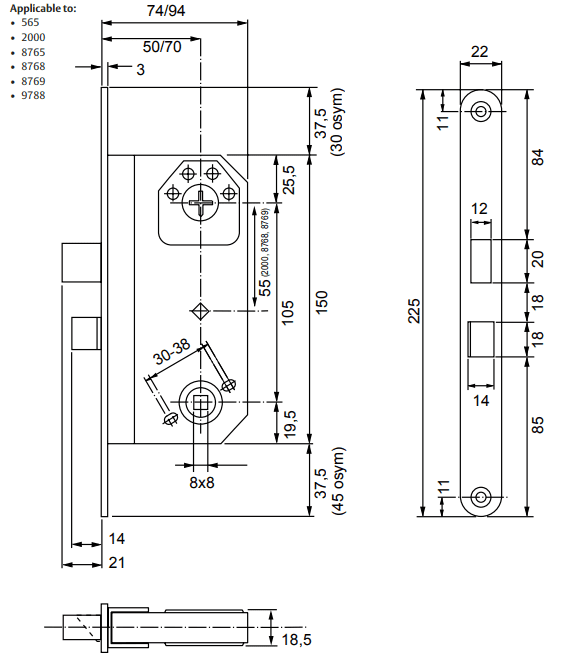
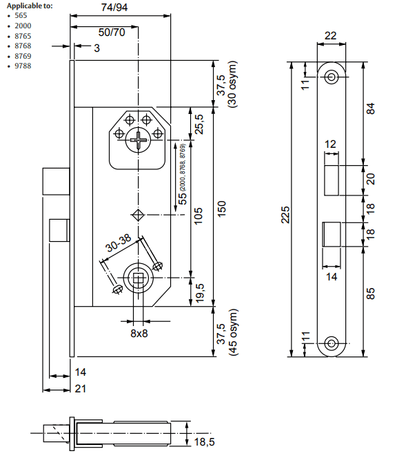
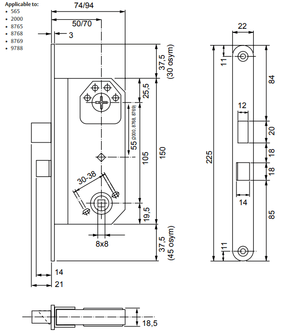
Måttskiss Classic regelfallås

Låshus 2000-50 hö Z

Assa Abloy Art.nr: 30030001 Lev.art.nr: 802588983057
Låshus 2000 är ett godkänt regellås med rak regel och tryckesfall. Låset används till entrédörrar inom bostadssektorn i villor, lägenheter, servicehus etc. 

  • Dorndjupsutförande 50 mm.
  • Certifierat enligt SS-EN 12209, SSF 3522 klass 3.
  • Ingår i av försäkringsbolag godkänd låsenhet.
  • Med tryckesfall och regel.
  • Låset har en blockeringsmekanism (uppställningsknapp) för vredfunktionen i stolpen.
  • Regeln är tvångsstyrd och härdad. 
  • Vändbar tryckesfall för alternativ dörrhängning.
  • Tryckesfallen är av stål för brandklassade dörrar.
  • Förregling av regeln sker automatisk vid 360° nyckelvridning (21 mm utlåsning). 
Funktion:
  • Regeln låses ut och in med nyckel eller med avsedd vredskylt anpassad till låshus 2000. 
  • Om uppställningsknappen trycks ned blockeras vredfunktionen så att låset inte kan öppnas utan nyckel = bortasäkert. 
  • Vid upplåsning med nyckel kopplas vredfunktionen automatiskt in = hemmabekvämt.
  • Tryckesfallen dras in med trycke.
  • Ska beslås med dubbla runda cylindrar för bibehållen säkerhetsklass.
  • Används ett godkänt extra lås rekommenderar ASSA att ett magnetvred användas på huvudlåset för upplåsning från insidan.
  • För trädörrar tillkommer ett godkänt förstärkningsbehör.

Ytbehandling: Förzinkad

Senaste besökta produkter