Låshus 2002-70 Z vä

Assa Abloy Art.nr: 30504060 Lev.art.nr: 708101985057
30504060
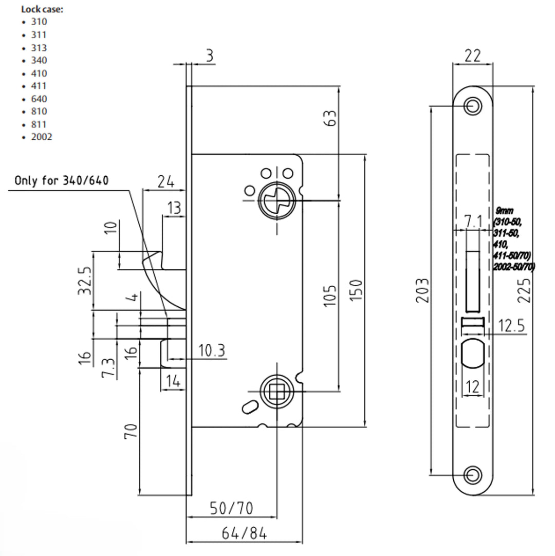
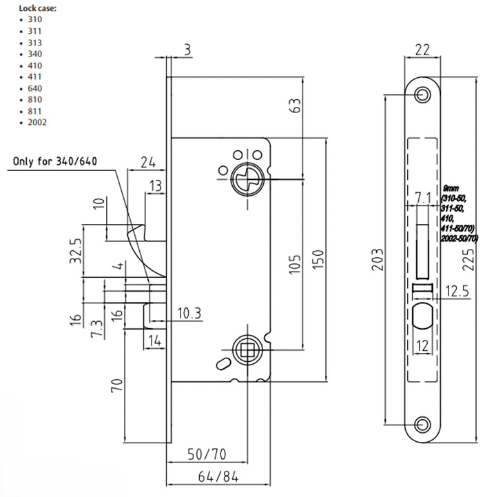
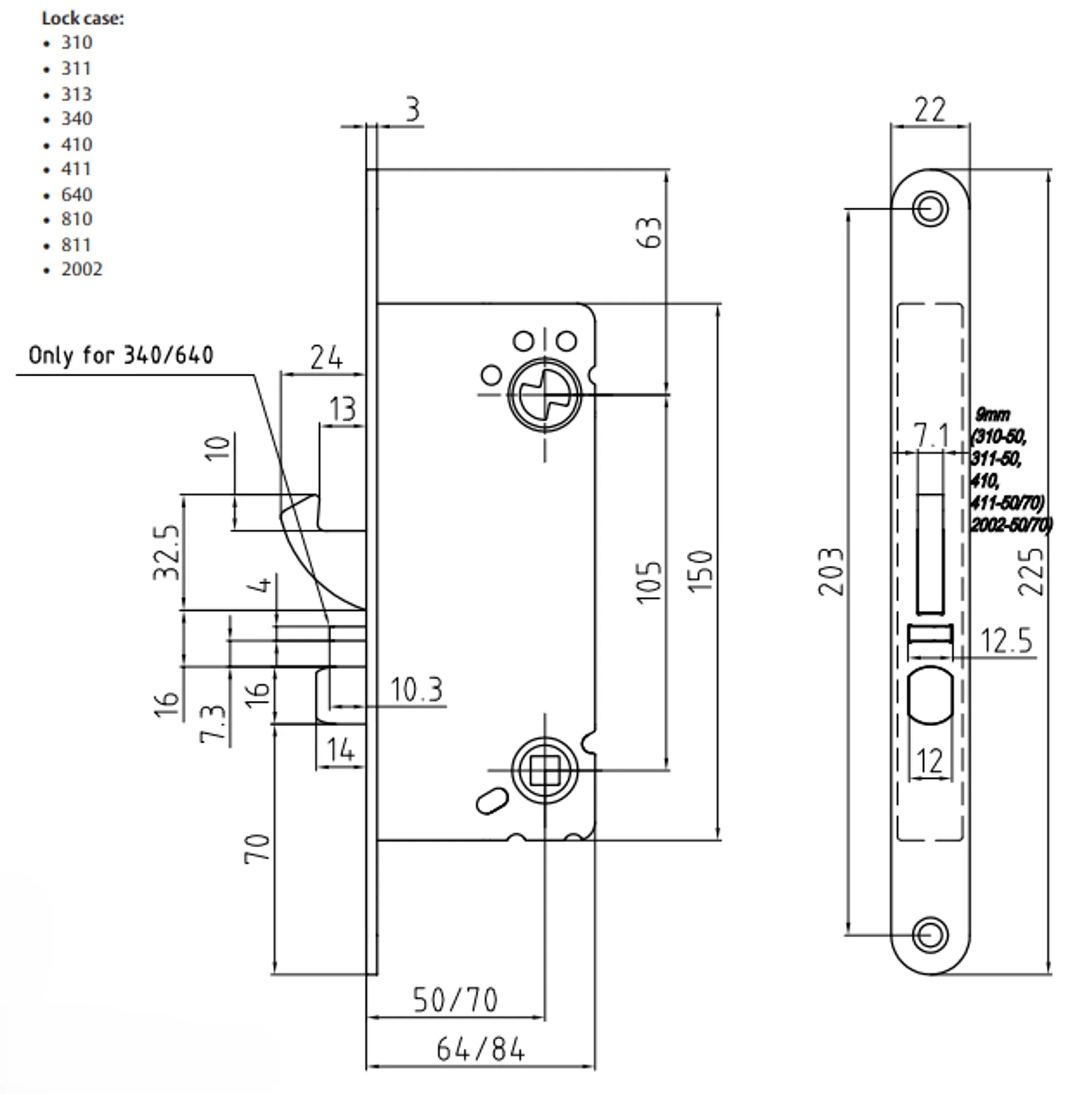
Måttskiss connect hakregel 50

Låshus 2002-70 Z vä

Assa Abloy Art.nr: 30504060 Lev.art.nr: 708101985057
ASSA ABLOY Låshus 2002-70 Vänster

Låshus 2002 i ASSA ABLOY Connect serie är ett certifierat hakregellås med tryckesfall som är designat för entrédörrar i bostäder som villor, lägenheter och servicehus, vilket gör det idealiskt för olika typer av bostadssektorer.

Denna variant:
  • Förzinkad
  • Dorndjup 70 mm
  • Vänster för vänsterhängda dörrar
Egenskaper och certifieringar

Låshus 2002 finns tillgängligt med dorndjup 50 mm och 70 mm. Låshuset kan även erhållas i mikroutförande. Det är certifierat enligt SS-EN 12209 och SSF 3522 klass 3, och ingår av försäkringsbolag som en godkänd låsenhet. Hakregelns tjocklek är 9 mm, vilket ger extra styrka och säkerhet.


Funktionalitet

Låsets hakregel låser automatiskt vid en 360° nyckelvridning. En uppställningsknapp blockerar vredfunktionen i stolpen, vilket bidrar till extra säkerhet.

Hakregeln, som är tvångsstyrd och härdad för extra hållbarhet, skapar en stark förbindelse mellan dörr och karm. Tryckesfallen är tillverkad av stål, vilket gör låshus 2002 lämplig för brandklassade dörrar. Låset kan också kombineras med elslutbleck för hakregellås.


Användning

Hakregeln kan låsas och låsas upp med nyckel eller en specifik vredskylt anpassad för Låshus 2002. Tryckesfallen dras in med hjälp av trycket.

När uppställningsknappen är nedtryckt, blockeras vredfunktionen så att låset inte kan öppnas utan nyckel, vilket ökar säkerheten när ingen är hemma. Vid upplåsning med nyckel aktiveras vredfunktionen automatiskt, vilket ger enkel och bekväm användning när någon är hemma.

För att upprätthålla säkerhetsklassen (klass 3) ska låshus 2002 förses med dubbla runda cylindrar. Om vred monteras på insidan av dörren rekommenderas ett magnetvred för att säkerställa låshusets funktion.


Om ASSA ABLOY Connect låshusserie

ASSA Connect-låshuset har en patenterad hakregel som möjliggör friktionsfri och snabb manövrering. Connect-serien erbjuder en mängd olika lås för både entrédörrar och innerdörrar, inklusive enklare fallås, split spindle-lås och regellås, där intrångsskydd inte är den främsta prioriteten. För högre säkerhetskrav finns godkända regellås för entrédörrar, skalskyddsdörrar och andra viktiga dörrar.

Alla lås i Connect-serien, inklusive standard-, split-, utrymnings- och elektromekaniska funktioner, är designade för att passa i samma urtag. ASSA Connect erbjuder ett brett sortiment av låshus med olika funktioner och finns i dorndjup på 35, 50 och 70 mm.

Ytbehandling: Förzinkad

Senaste besökta produkter