Låshus 2002T-50 Z vä

Assa Abloy Art.nr: 30504095 Lev.art.nr: 9402304AB23
Låshus 2002T vä
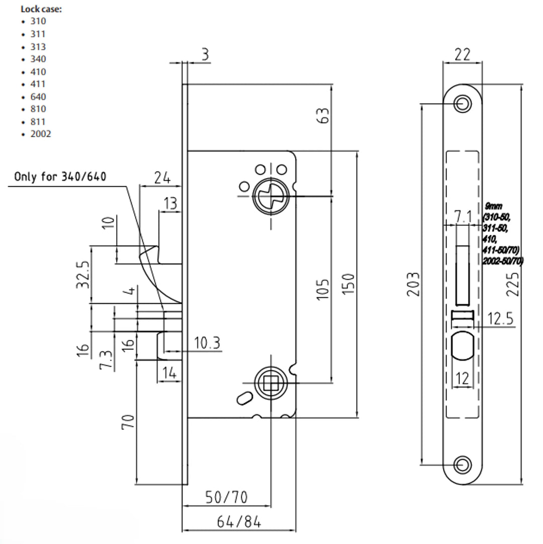
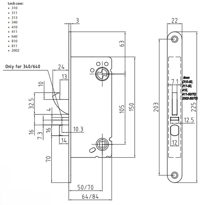
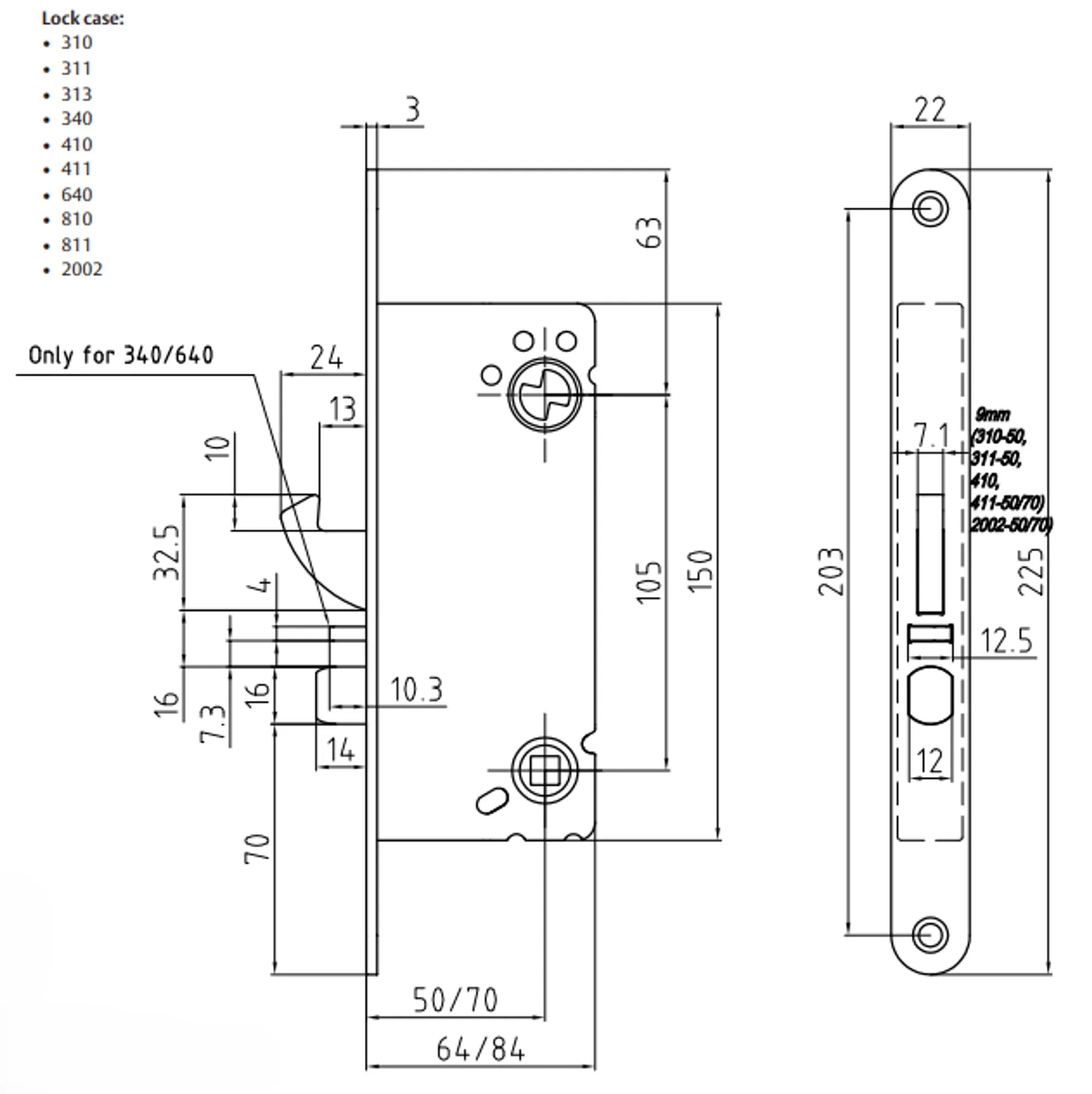
Måttskiss connect hakregel 50

Låshus 2002T-50 Z vä

Assa Abloy Art.nr: 30504095 Lev.art.nr: 9402304AB23
ASSA ABLOY Låshus 2002T-50 TRYGG Vänster

ASSA ABLOY Låshus 2002T-50 är ett pålitligt låshus designat för WC-dörrar inom service- och utbildningssektorer, inklusive skolor, sjukhus och offentliga miljöer. Detta lås ger en trygg låsning från både in- och utsidan.

Denna variant:
  • Förzinkad
  • Dorndjup 50 mm
  • Vänster för vänsterhängda dörrar

Egenskaper och Certifieringar

Låshus 2002T-50 är kompatibelt med WC-behör 2065-TRYGG och har ett dorndjup på 50 mm. Det är utrustat med tryckesfall och hakregel, vilket ger ett starkt kopplande förband mellan dörr och karm. Tryckesfallet är vändbart för att möjliggöra alternativ dörrhängning och är lämpligt för brandklassade dörrar. Låset är CE-certifierat och passar till ASSA ABLOY säkerhetsslutbleck 1487-1 till 1487-5, 1489-11, 1489-12 eller standardslutbleck 1264-1 till 1264-8.


Funktionalitet

Hakregeln låses ut och in med nyckel från utsidan eller med vred från insidan, medan tryckesfallen dras in med hjälp av trycket. Låshus 2002-serien är utvecklad för att klara höga säkerhetskrav och säkerställa pålitlig låsning.


Om ASSA ABLOY Connect låshusserie

ASSA Connect-låshuset har en patenterad hakregel som möjliggör friktionsfri och snabb manövrering. Connect-serien erbjuder en mängd olika lås för både entrédörrar och innerdörrar, inklusive enklare fallås, split spindle-lås och regellås, där intrångsskydd inte är den främsta prioriteten. För högre säkerhetskrav finns godkända regellås för entrédörrar, skalskyddsdörrar och andra viktiga dörrar.

Alla lås i Connect-serien, inklusive standard-, split-, utrymnings- och elektromekaniska funktioner, är designade för att passa i samma urtag. ASSA Connect erbjuder ett brett sortiment av låshus med olika funktioner och finns i dorndjup på 35, 50 och 70 mm.

Ytbehandling: Förzinkad

Senaste besökta produkter