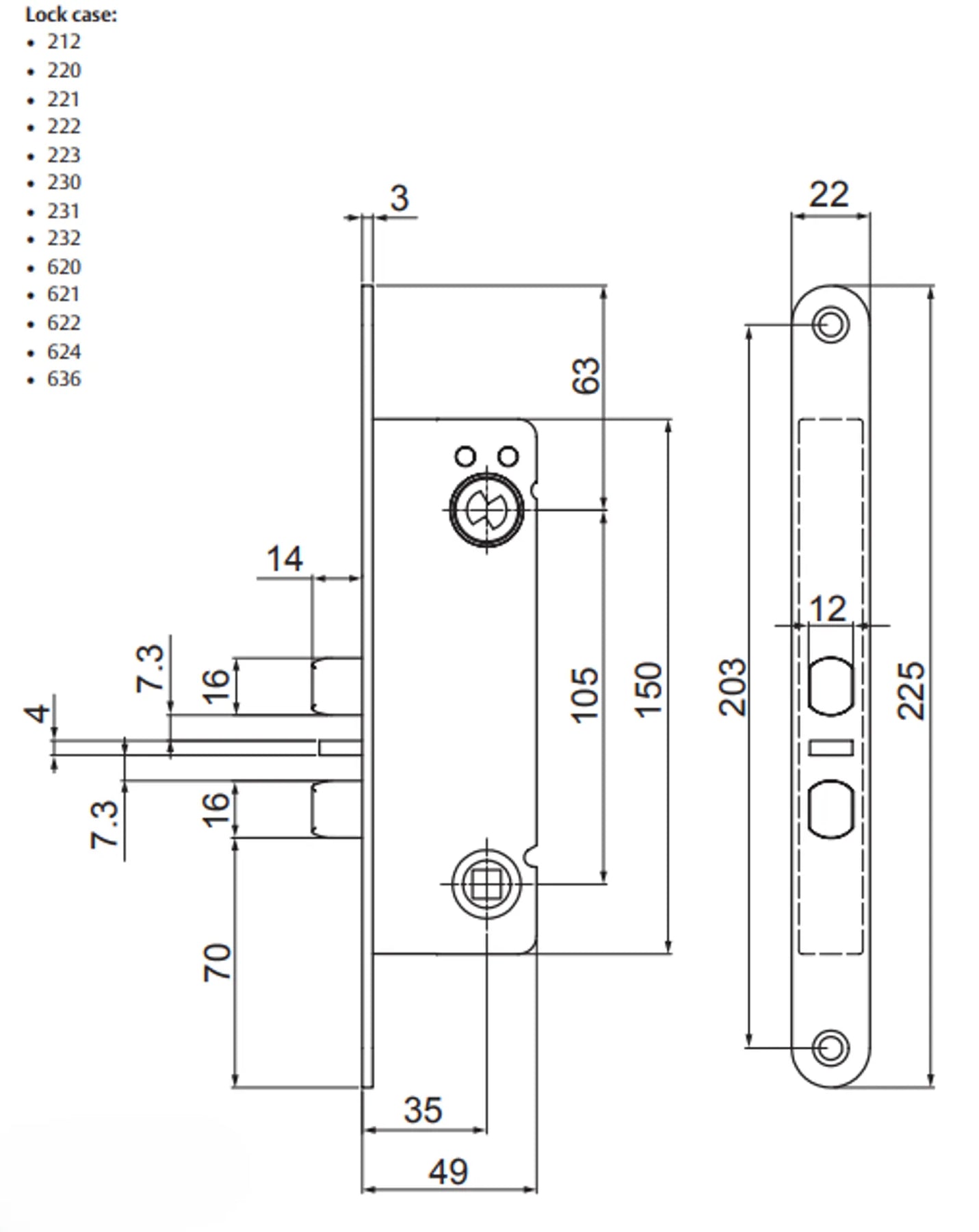
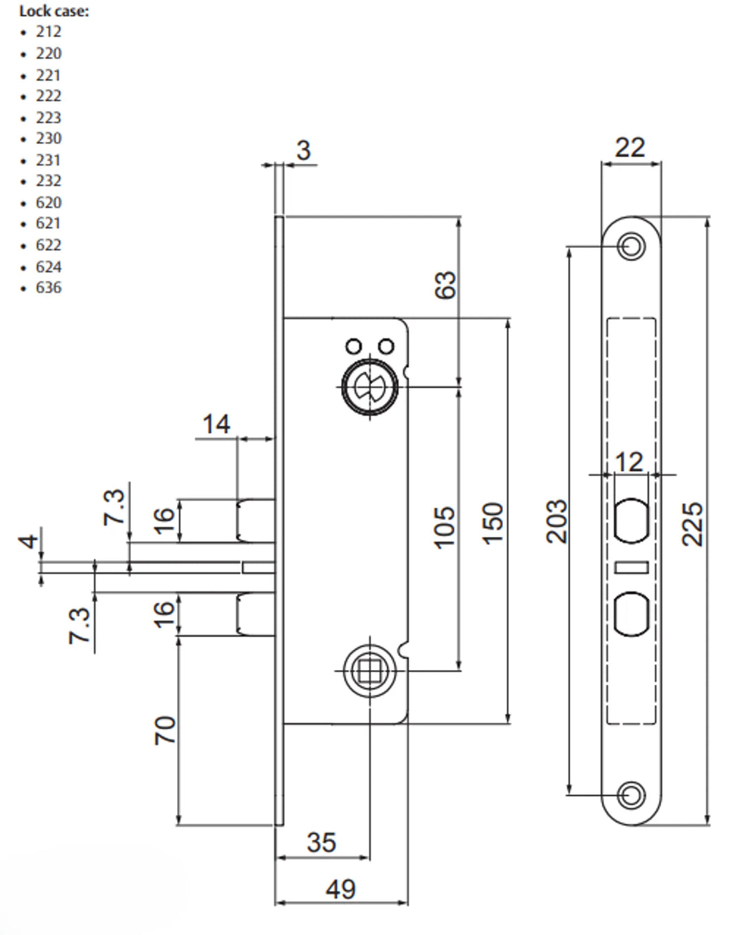
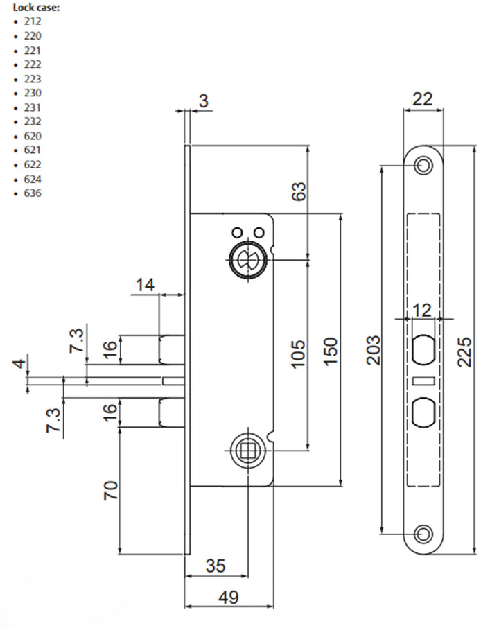
Låshus 220-35 Z hö

Assa Abloy Art.nr: 30501200 Lev.art.nr: 357520163057
30501200
Låshus connect 35

Låshus 220-35 Z hö

Assa Abloy Art.nr: 30501200 Lev.art.nr: 357520163057
Låshus 220-35 är ett dubbelfallås som används till ytter- och innerdörrar, entrédörrar, tekniska utrymmen etc. 

  • Låset finns i dorndjupsutförande 35, 50 och 70 mm. 
  • Är certifierat enligt SS-EN 12209.
  • Kan erhållas med mikroutförande.
  • Med cylinder-, förreglings- och tryckesfall.
  • Förregling av cylinderfallen sker automatisk vid 14 mm utlåsning och när förreglingsfallen är intryckt.
  • Uppställningsbar cylinderfall.
  • Fallarna är vändbara för alternativ dörrhängning.
  • Tryckesall av stål för brandklassade dörrar.  
  • Kan kombineras med elslutbleck.
Funktion:
  •  Cylinder-, förreglings- och tryckesfall dras in med nyckel eller vred. 
  • Tryckesfallen dras in med dörrtrycke.
  • Cylinderfallen kan ställas upp med uppställningsknapp.

Ytbehandling: Förzinkad

Senaste besökta produkter