Låshus 222-35 Z hö

Assa Abloy Art.nr: 30501600 Lev.art.nr: 357524163057
30501600
Låshus connect 35

Låshus 222-35 Z hö

Assa Abloy Art.nr: 30501600 Lev.art.nr: 357524163057
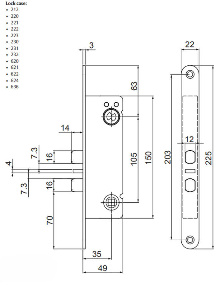
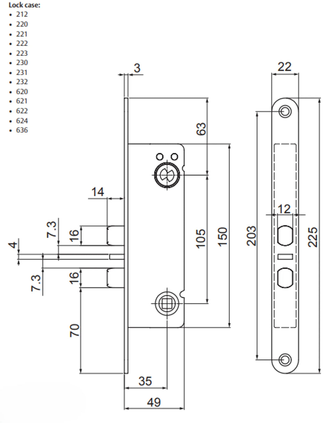
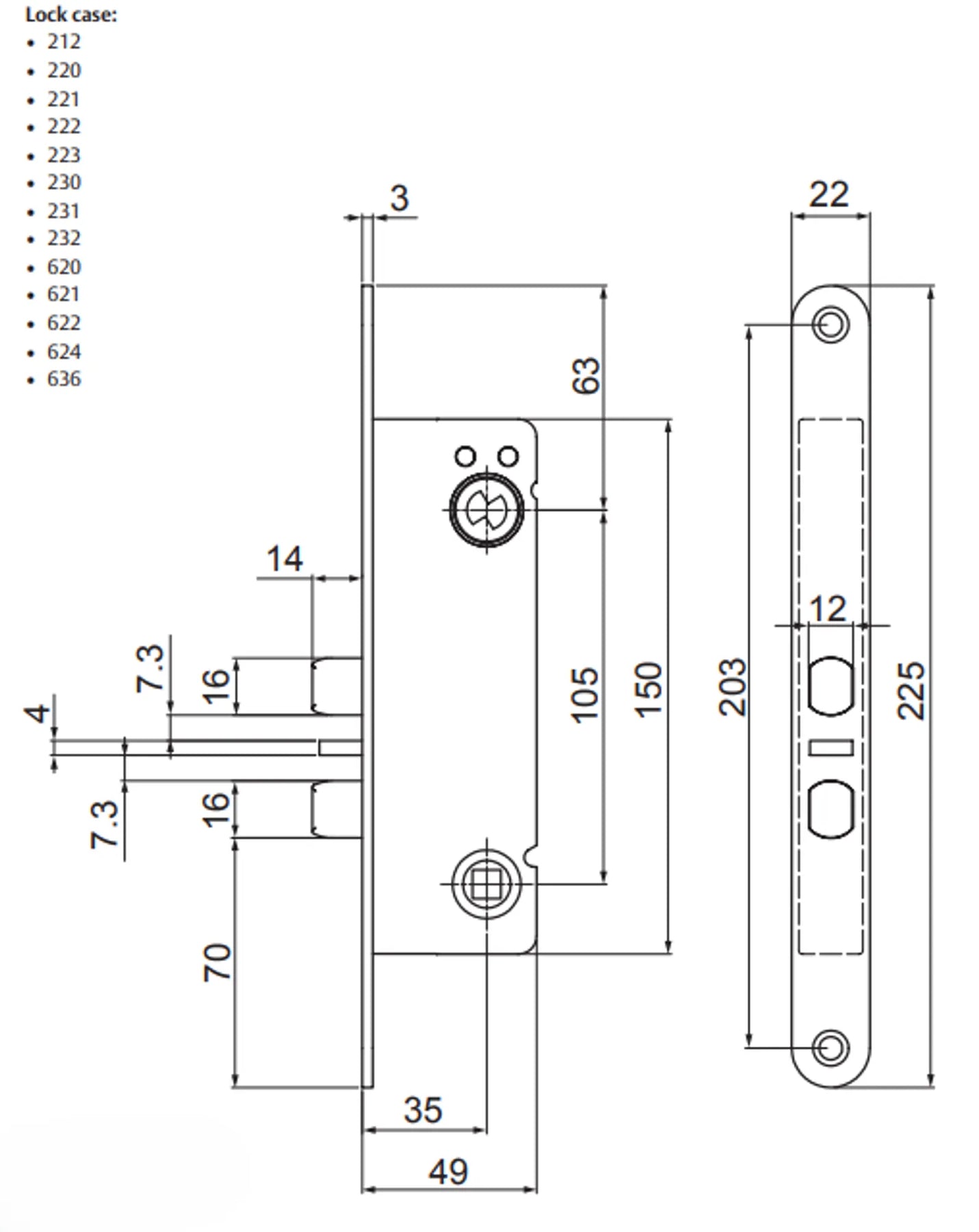
Låshus 222-35 är ett dubbelfallås med cylinder-, förreglings- och tryckesfall. Låset används till ytter- och innerdörrar, entrédörrar, tekniska utrymmen etc. Används ofta tillsammans med elslutbleck.

  • Låset finns i dorndjupsutförande 35 / 50 / 70 mm.
  • Kan erhållas i mikroutförande.
  • Certifierat enligt SS-EN 12209.
  • Förregling av cylinderfallen sker automatisk vid 14 mm utlåsning och när förreglingsfallen är intryckt. 
  • Tryckesfallen är av stål för brand-klassade dörrar 
  • Fallarna är vändbara för alternativ dörrhängning. 
Funktion:
  • Alla fallar dras in med nyckel eller vred. 
  • Tryckesfallen dras in med dörrtrycke
  • Cylinderfallen kan inte ställas upp.

Ytbehandling: Förzinkad

Senaste besökta produkter