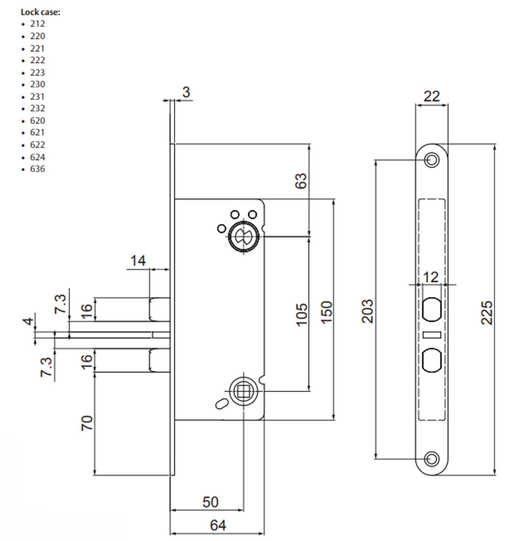
Låshus 223-50 Z vä

Assa Abloy Art.nr: 30501950 Lev.art.nr: 357513165057
30501950
Låshus connect 50

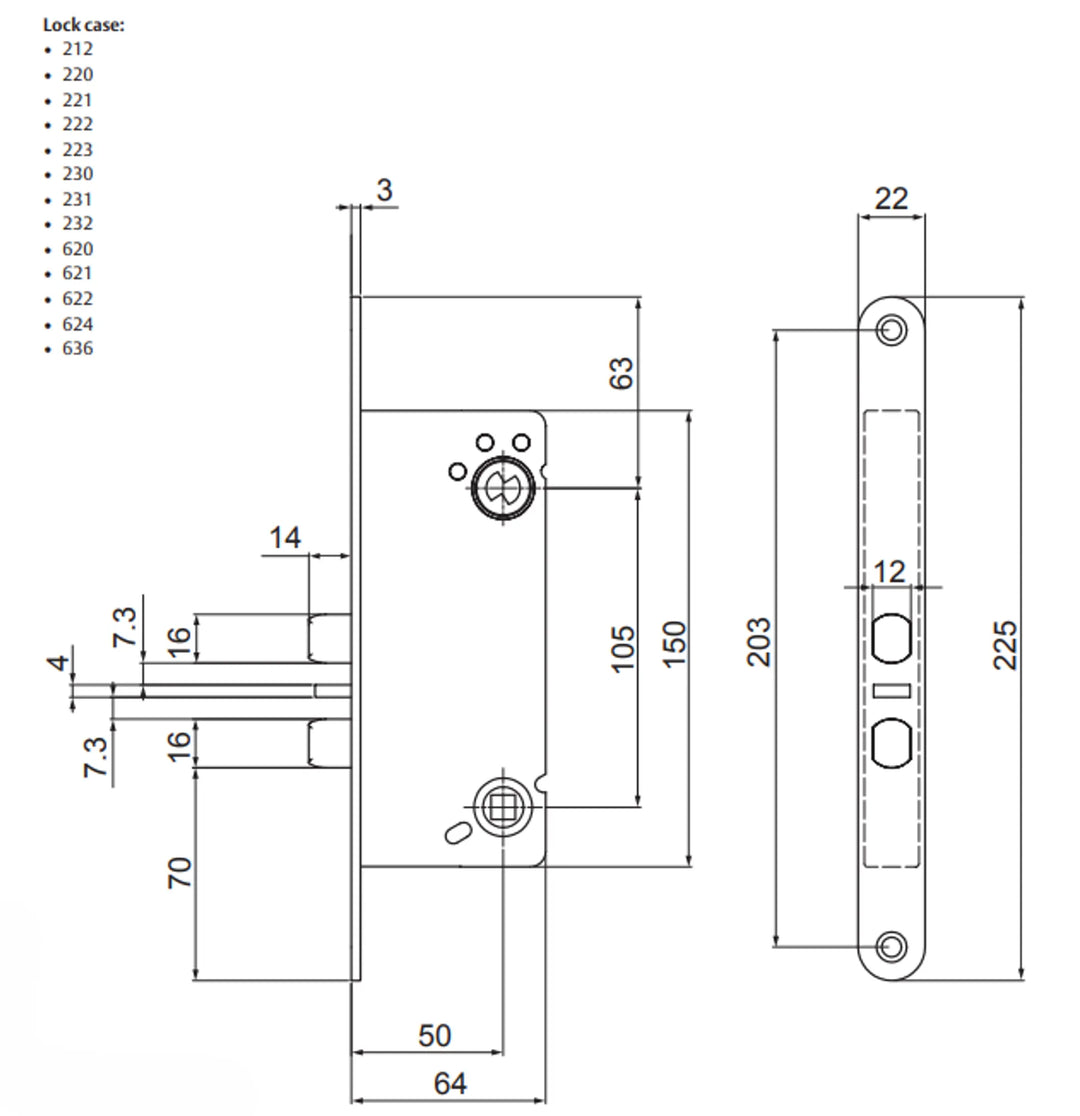
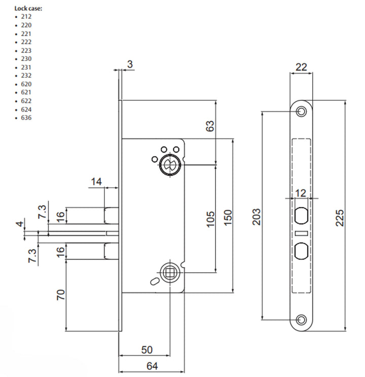
Låshus 223-50 Z vä

Assa Abloy Art.nr: 30501950 Lev.art.nr: 357513165057
Låshus 223-50 är ett dubbelfallås som används till ytter- och innerdörrar, entrédörrar, tekniska utrymmen etc.

  • Låset finns i dorndjupsutförande 35 / 50 mm.
  • Certifierat enligt SS-EN 12209. 
  • Med cylinder-, förreglings- och tryckesfall.
  • Förregling av cylinderfallen sker automatisk vid 14 mm utlåsning och när förreglingsfallen är intryckt.
  • Upptställningsbar cylinderfall.
  • Vändbara fallar för alternativ dörrhängning. 
  • Tryckesfallen är av stål för brandklassade dörrar.
  • Kan kombinderas med elslutbleck.
Funktion:
  •  Alla fallar dras in med nyckel eller vred. 
  • Tryckesfallen dras in med trycke.
  • Cylinderfallen kan ställas upp med en uppställningsknapp som är försedd med spärrskruv. Uppställningen kan fixeras i läge uppställt eller ej uppställt.

Ytbehandling: Förzinkad

Senaste besökta produkter