Låshus 232-35 Z hö

Assa Abloy Art.nr: 30502400 Lev.art.nr: 357689883057
30502400
Låshus connect 35

Låshus 232-35 Z hö

Assa Abloy Art.nr: 30502400 Lev.art.nr: 357689883057
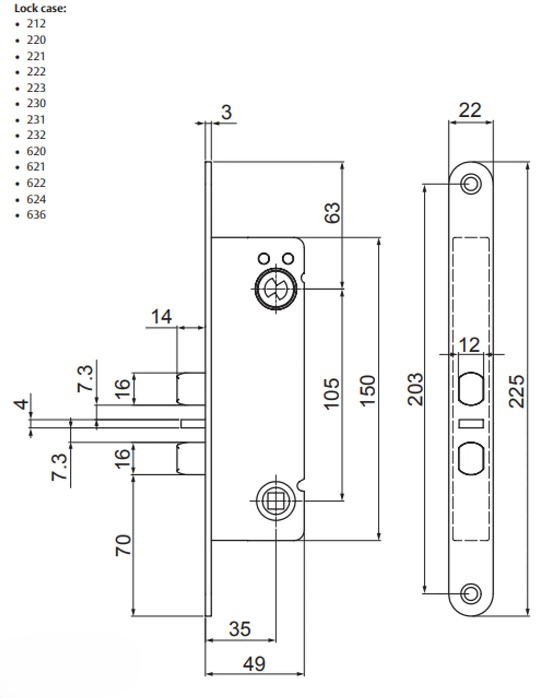
Låshus 232 är ett lås som används till entrédörrar och portar som är försedda med draghandtag, dörrstängare eller dörrautomatik.

  • Dorndjupsutförande 35, 50 och 70 mm
  • Kan erhållas i mikroutförande
  • Certifierat enligt SS-EN 12209
  • Med cylinder- och förreglingsfall
  • Automatisk förregling av cylinderfallen vid 14 mm utlåsning och intryckt förreglingsfall
  • Vändbar cylinderfall för alternativ dörrhängning
  • Kan kombineras med elslutbleck
Funktion:
  • Cylinder- och förreglingsfall dras in med nyckel eller vred
  • Cylinderfallen är ej uppställningsbar

Ytbehandling: Förzinkad

Senaste besökta produkter