Låshus 236-50 Z hö

Assa Abloy Art.nr: 30502582 Lev.art.nr: 357594983057
30502582
Låshus connect 50

Låshus 236-50 Z hö

Assa Abloy Art.nr: 30502582 Lev.art.nr: 357594983057
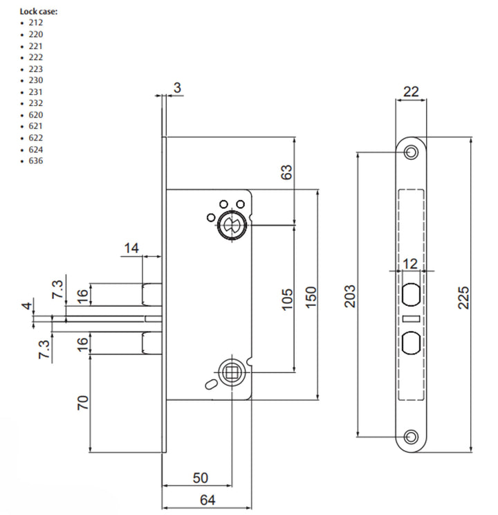
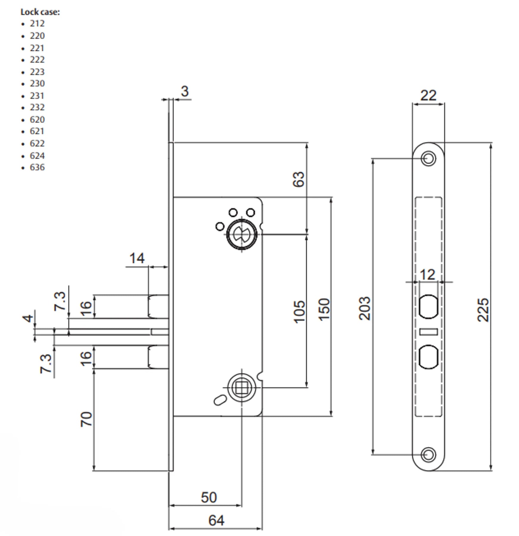
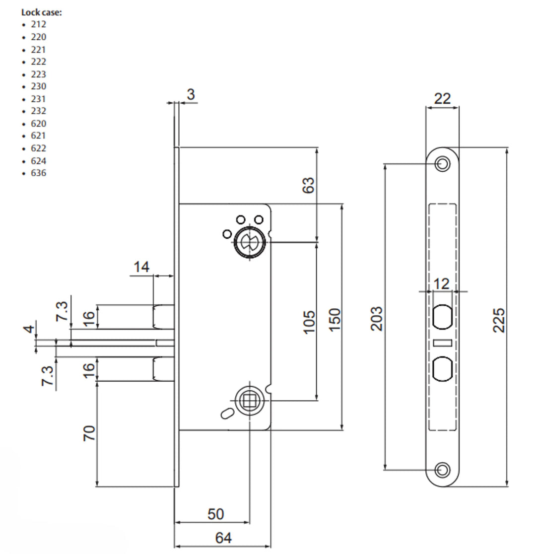
Låshus 236 är ett cylinderfallås med cylinder- och förreglingsfall. Låset används till innerdörrar i industri, kontor, möteslokaler etc. och rekommenderas att användas tillsammans med ASSA SMARTair passersystem. 
Låshus i 200-serien används till entré- och innerdörrar där intrångsskyddet är underordnat. Dessa används ofta tillsammans med elslutbleck.

  • Låset finns i dorndjupsutförande 50 mm som standard och 35 / 70 mm som beställningsvara. 
  • Låset är certifierat enligt SS-EN 12209.
  • Låset har förreglat tryckesfall och förregling av cylinderfallen sker automatisk vid 14 mm utlåsning och när förreglingsfallen är intryckt. 
  • Fallarna är vändbara för alternativ dörrhängning och av stål för brandklassade dörrar.
Låset ska användas tillsammans med ASSA säkerhetsslutbleck 1487-1 till 5 Certifierat enligt SS-EN 12209.

Ytbehandling: Förzinkad

Senaste besökta produkter