Låshus 309 Z 90 mm nycklar Fas

Assa Abloy Art.nr: 10205600 Lev.art.nr: 30921
10205600
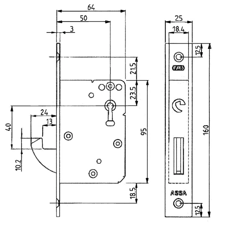
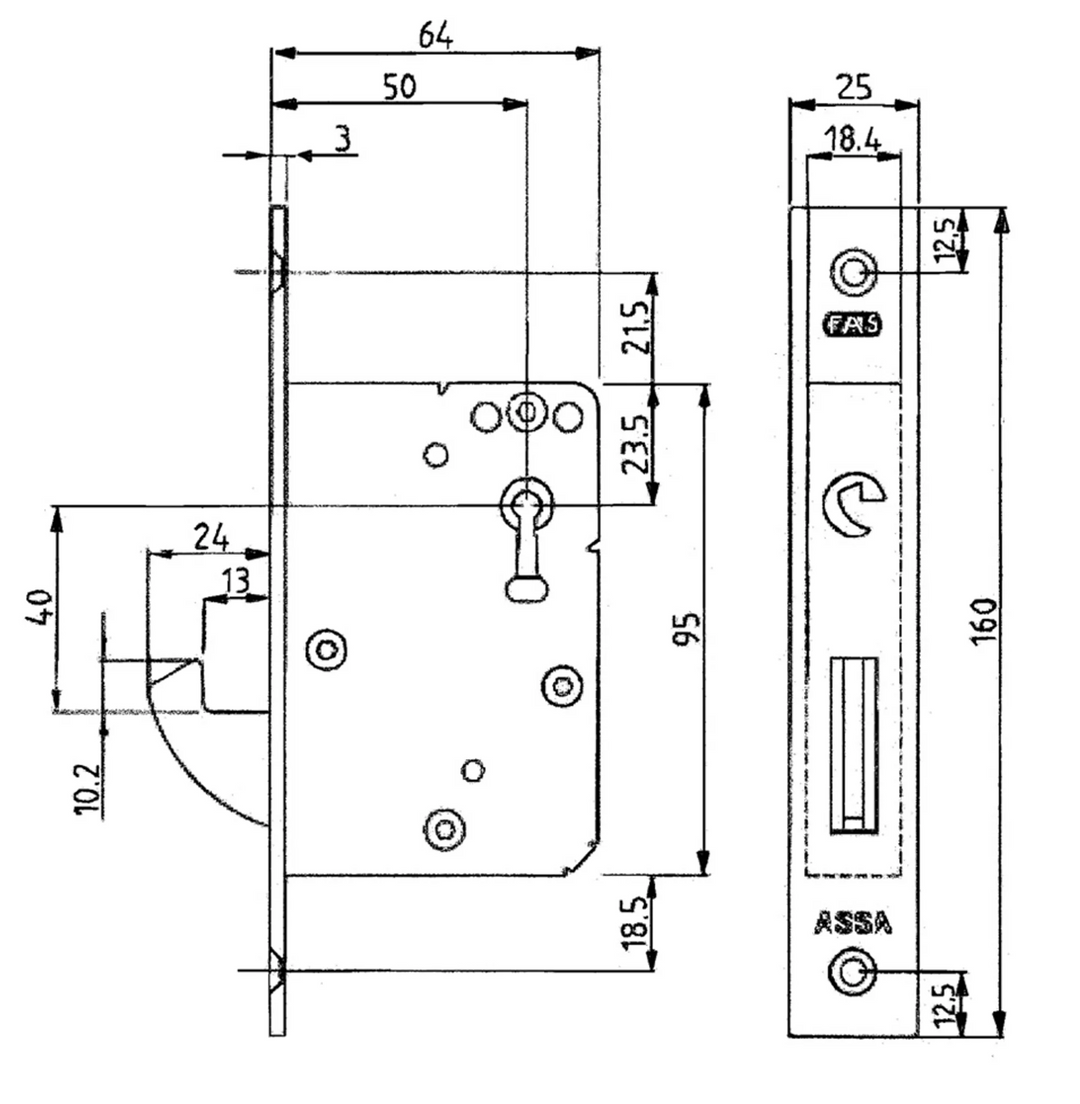
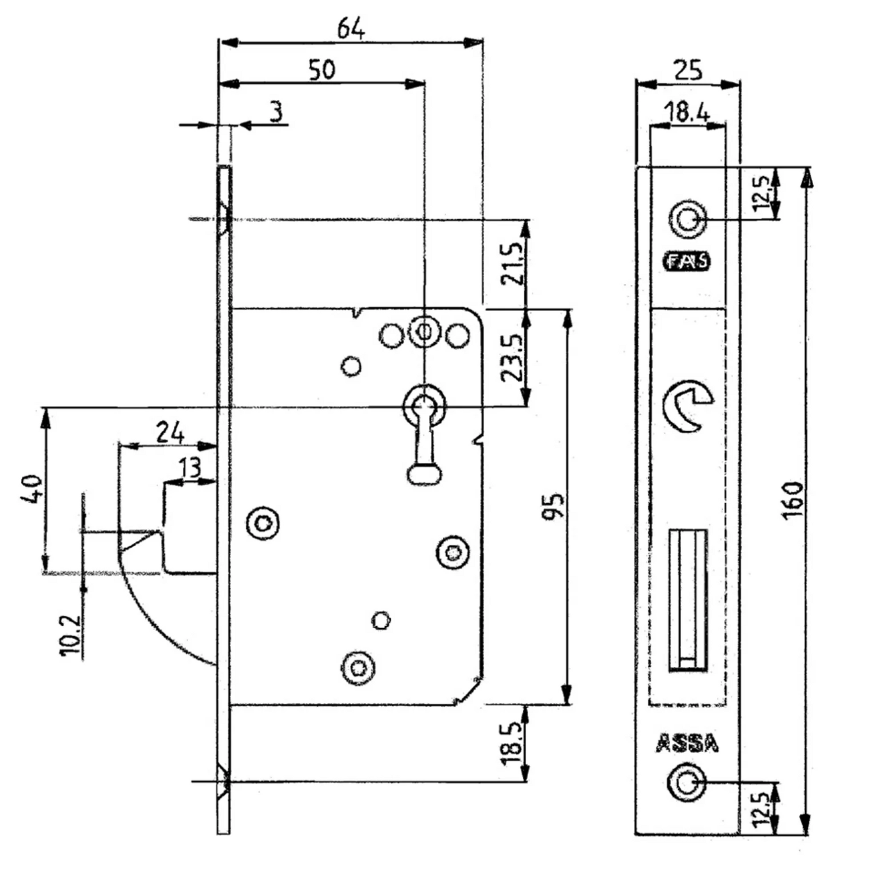
Måttskiss 309 Connect

Låshus 309 Z 90 mm nycklar Fas

Assa Abloy Art.nr: 10205600 Lev.art.nr: 30921
Låshus 309 Connect är ett extralås med hakregel som används i privatbostäder, kommersiella byggnader och andra miljöer där extra höga krav ställs på säkerhet. Med inmonterad mikrobrytare används låset med fördel i larm och bevakningsanläggningar. Låset finns i dorndjupsutförande 50 mm.

Låset har 9-tillhållare i mässing och förregling sker automatiskt vid 360° nyckelvridning. Låset är certifierat enligt SSF 3522 klass 3.

Hakregeln är tvångsstyrd och härdad för att försvåra genomsågning och uppbrytning. Hakregeln ger ett extra starkt förband mellan dörr och karm. Hakregeln når 24 mm i utlåst läge och har dessutom en konstruktion som innebär att regeln blockerar sig själv vid en viss brytkraft.

Låset kan fås med lika låsning till samtliga ASSA 9-tillhållarlås. Låset är bortasäkert, vilket innebär att nyckel kan användas från både in- och utsida. Låset levereras med 3 st nycklar 80 mm i mässing och låssköld.

Ytbehandling: Förzinkad

Senaste besökta produkter