Låshus 311-50 Z MA

Assa Abloy Art.nr: 30512910 Lev.art.nr: 357515437057
30512910
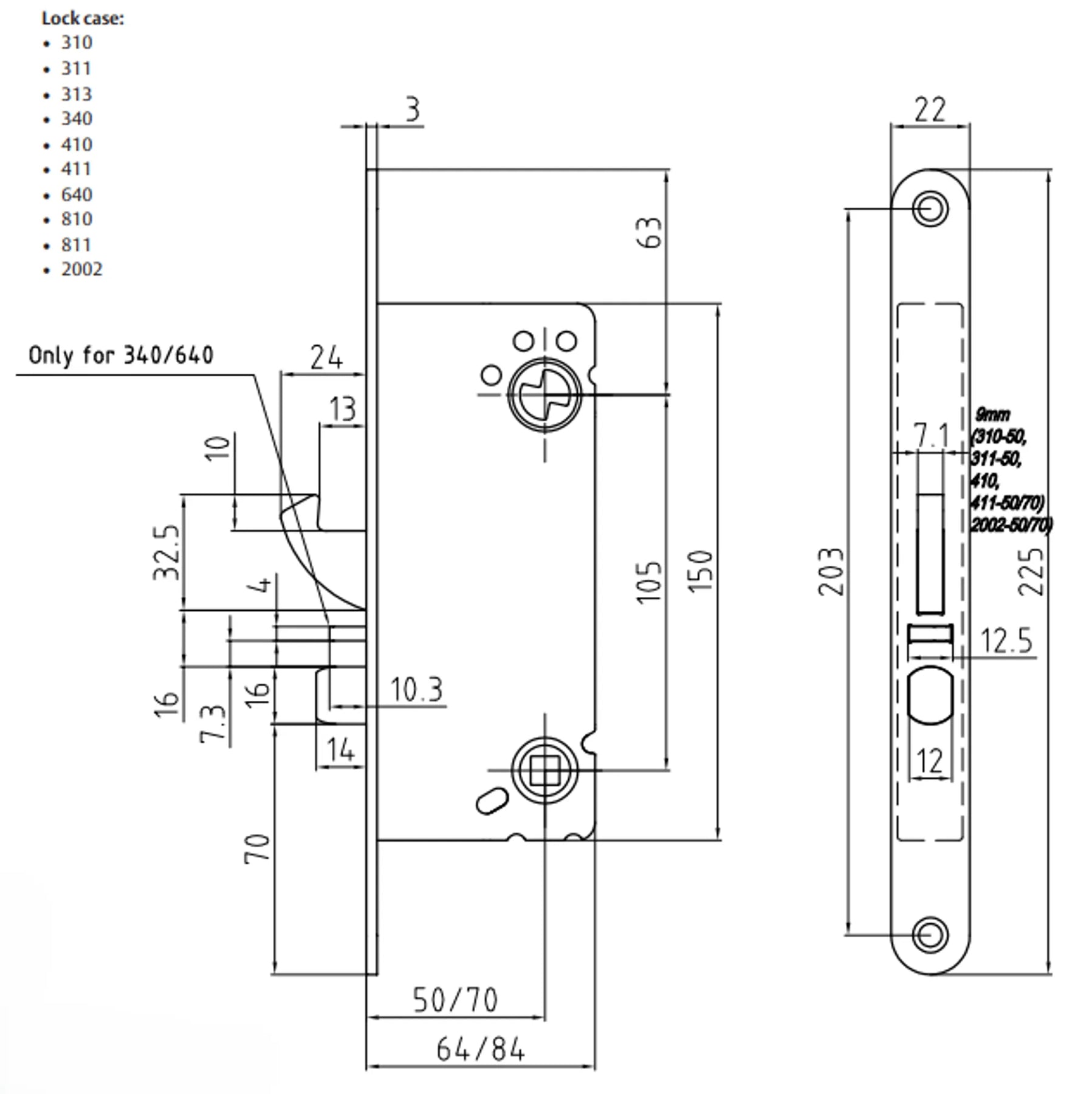
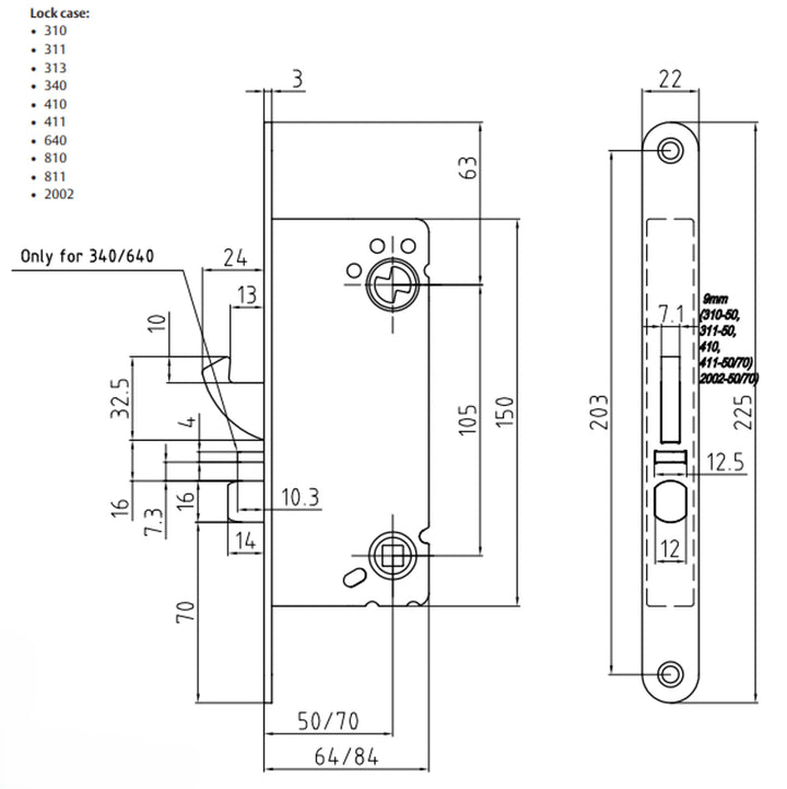
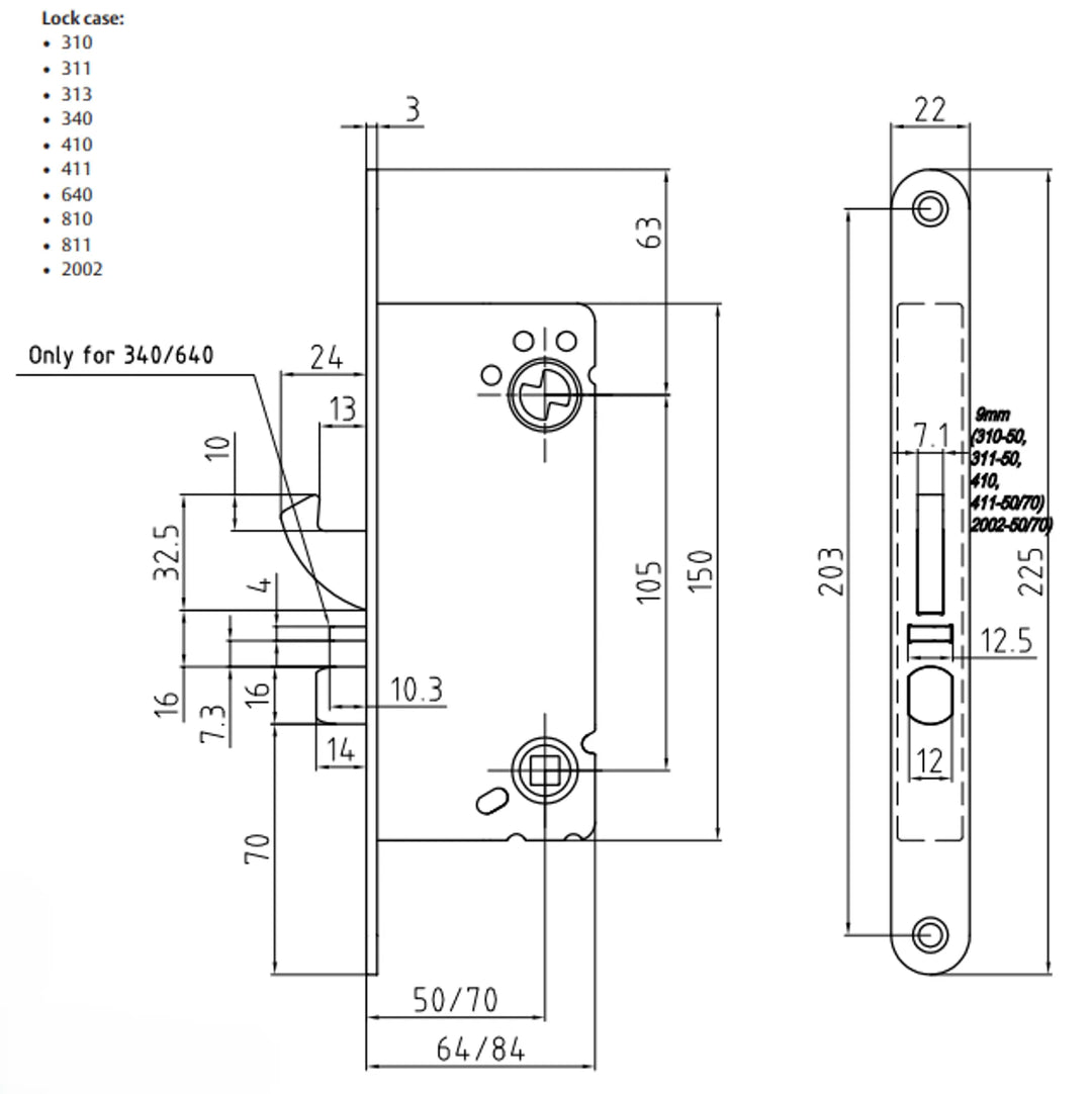
Måttskiss connect hakregel 50

Låshus 311-50 Z MA

Assa Abloy Art.nr: 30512910 Lev.art.nr: 357515437057
Låshus 311 är ett enkelt hakregellås som används till innerdörrar i industri, butikslokaler, skjutdörrar, pendeldörrar etc. 

Egenskaper:
  • Låset finns i dorndjupsutförande 35 / 50 / 70 mm. 
  • Förregling av hakregeln sker automatisk vid 90° utlåsning.
  • Hakregeln ger ett kopplande förband mellan dörr och karm. 
  • Hakregelns tjocklek: 9 mm.
  • Kan erhållas i mikroutförande.
  • Låset kan kombineras med elslutbleck för hakregellås.
Funktion:
  • Hakregeln låses ut och in med nyckel eller vred.  

Ytbehandling: Förzinkad

Senaste besökta produkter