Låshus 340-50 Z vä

Assa Abloy Art.nr: 30502785 Lev.art.nr: 360488165057
30502785
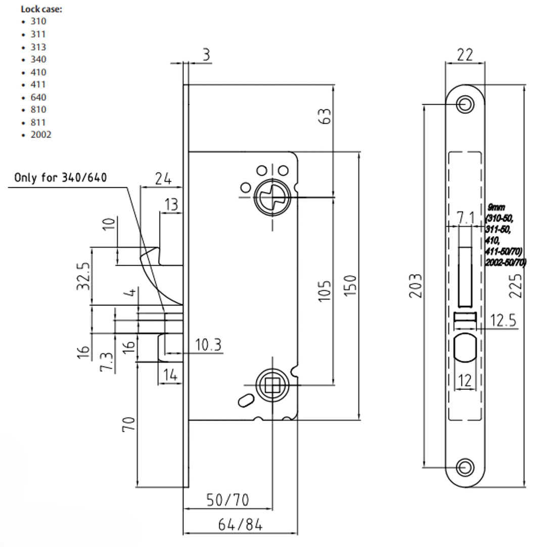
Måttskiss connect hakregel 50

Låshus 340-50 Z vä

Assa Abloy Art.nr: 30502785 Lev.art.nr: 360488165057
Låshus 340 är ett enkelt hakregellås med förreglad tryckesfall. Låset används till innerdörrar och rekommendersas tillsammans med ASSAs SmartAir läsare L8V och L5S på kontor, möteslokaler, sjukhus och fastighetsapplikationer utan normgivna utrymningskrav. 

Finns i dorndjupsutförande 50 mm som standard och 35 / 70 mm som beställningsvara. Låset är certifierat enligt SS-EN 12209.

Hakregeln ger ett kopplande förband mellan dörr och karm. Förregling av tryckesfallen sker automatisk vid 14 mm utlåsning och när förreglingsfallen är intryckt. Tryckesfallen är av stål för brandklassade dörrar och är vändbar för alternativ dörrhängning. 

Skall användas tillsammans med Assa säkerhetsslutbleck 1487-1 till 5.

Insida
Hakregel och tryckesfall dras in med dörrtrycke, hakregel låses ut med vred.

Utsida
Trycket frikopplat. Hakregel låses ut med nyckel och vid godkänd öppning med kort eller tagg dras både trycke och hakregel in med trycket. Elektronisk regling i läsaren avgör vem som ska kunna öppna dörren med kort/tagg när den är reglad.

Ytbehandling: Förzinkad

Senaste besökta produkter