Låshus 40-B7 hö D-55 mm 68 mm

nycklar Fas låsdjup 85 mm

Assa Abloy Art.nr: 10206355 Lev.art.nr: 49703102085
10206355
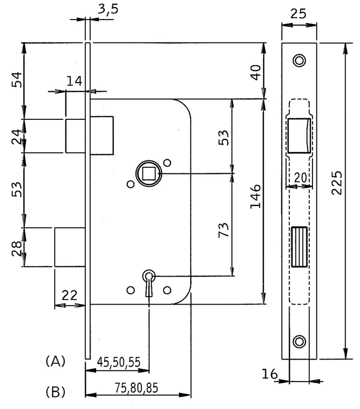
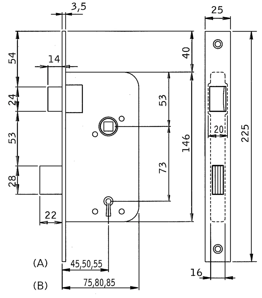
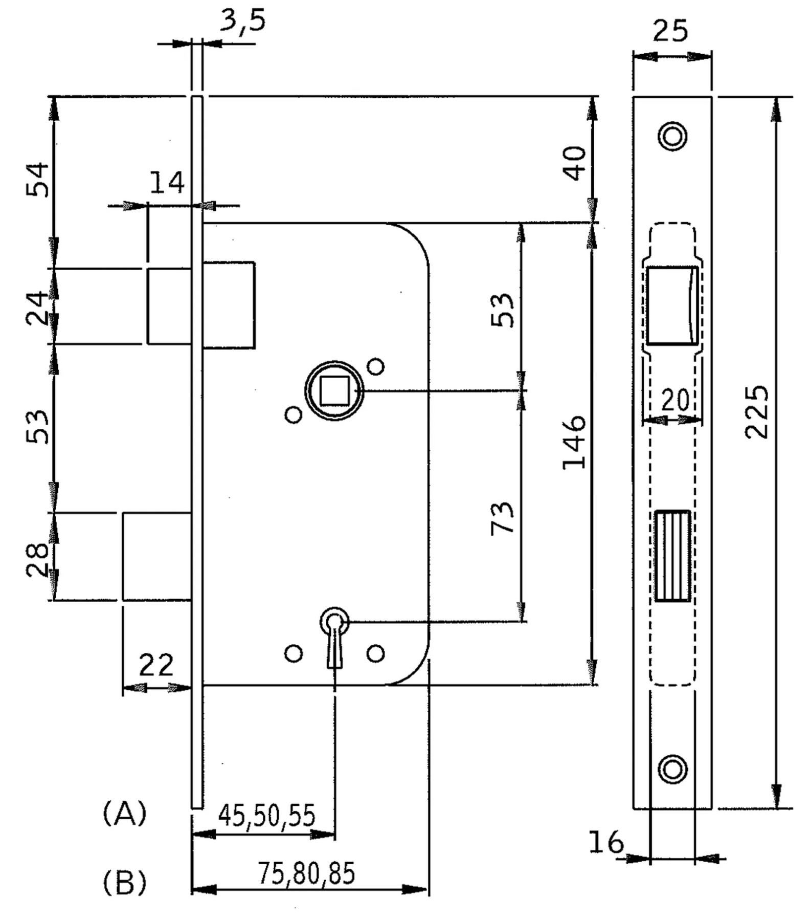
Måttskiss 40 B7

Låshus 40-B7 hö D-55 mm 68 mm

nycklar Fas låsdjup 85 mm

Assa Abloy Art.nr: 10206355 Lev.art.nr: 49703102085
Låshus 40-B7 är ett fallregellås med rak regel och tryckesfall. Låset är avsett för äldre entrédörrar, förråd i privatbostäder, kommersiella byggnader och andra miljöer där extra säkerhet krävs.

Låset används vanligen som utbyteslås eller när komplettering av lås med samma nyckel önskas. Med inmonterad mikrobrytare används lås med 75 mm låsdjup med fördel i larm och bevakningsanläggningar.

Låset finns i tre olika låsdjup (75, 80, 85 mm) och har tryckesfunktion som är placerad ovanför nyckelhålet och  har 7-tillhållare i stål. Förregling sker automatiskt vid 2 st 360°nyckelvridningar.

Regeln är tvångsstyrd och härdad för att försvåra genomsågning och uppbrytning. Regeln når 22 mm i utlåst läge. Låset kan fås med lika låsning till samtliga ASSA 7-tillhållarlås och kan erhållas med inbyggd mikrobrytare
(gäller endast låsdjup 75 mm).

Låset är bortasäkert, vilket innebär att nyckel kan användas från både in- och utsida. Observera att nyckeln endast kan tas ur låset efter två varvs vridning. 

Låset levereras med 3 st nycklar i stål, 68 mm.

Ytbehandling: Förzinkad

Senaste besökta produkter