Låshus 410-50 Z vä

Assa Abloy Art.nr: 30503350 Lev.art.nr: 357425985057
30503350
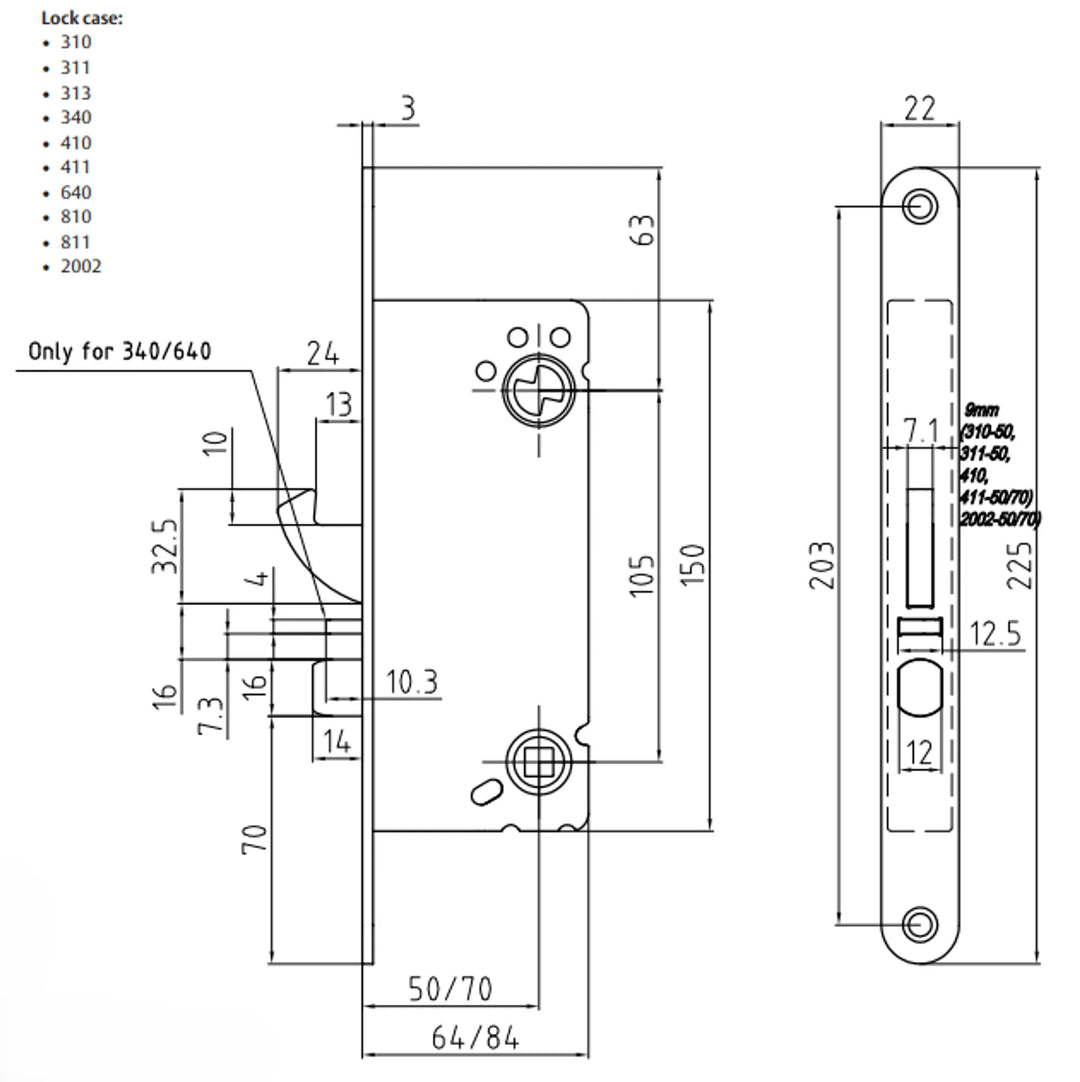
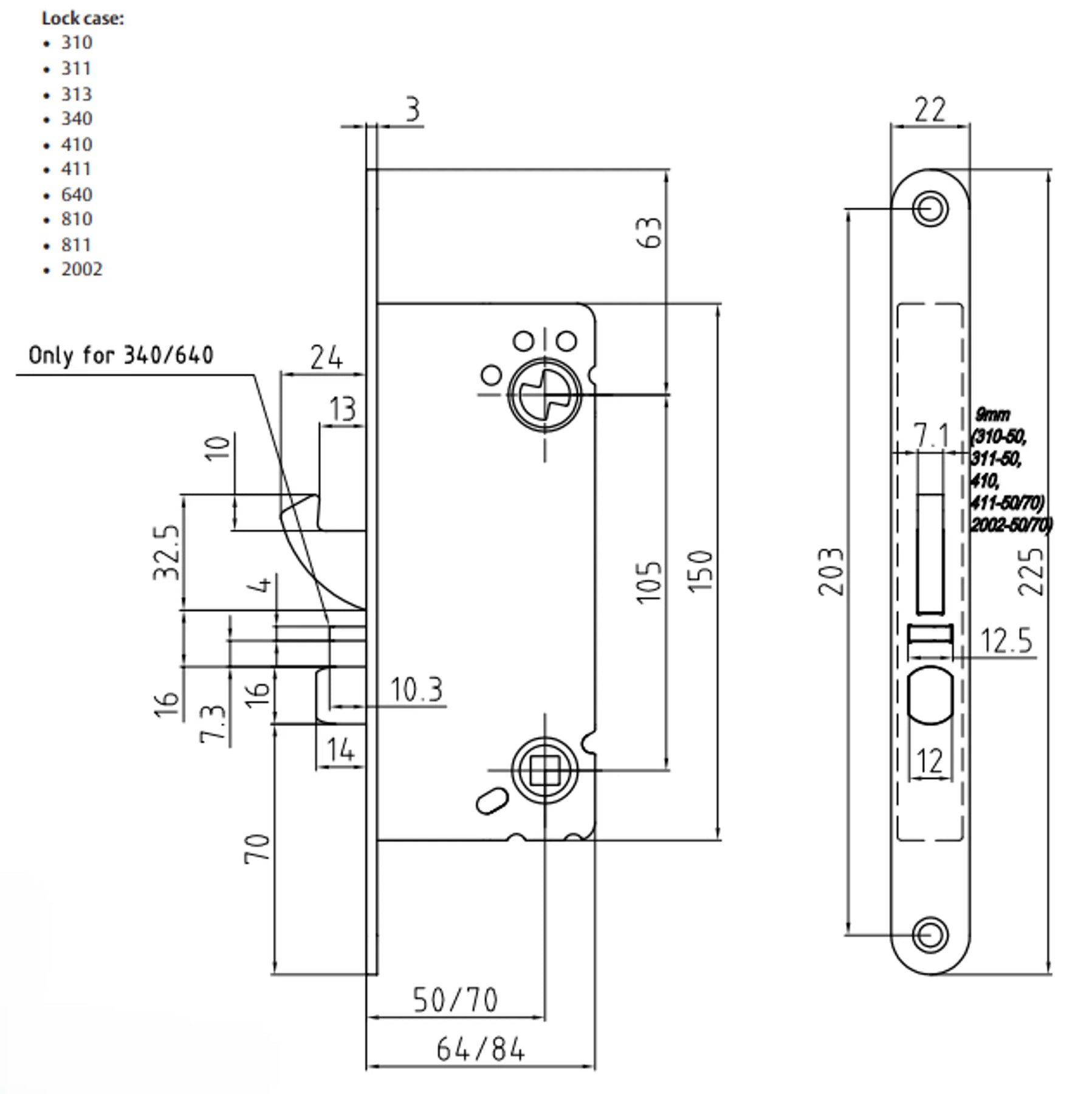
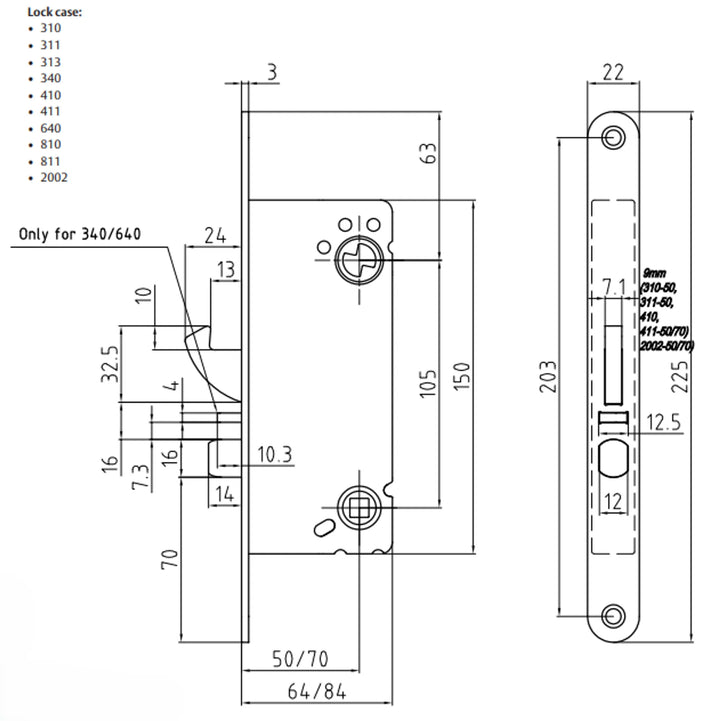
Måttskiss connect hakregel 50

Låshus 410-50 Z vä

Assa Abloy Art.nr: 30503350 Lev.art.nr: 357425985057
ASSA ABLOYS låshus 410-50 är ett godkänt hakregellås med tryckes-fall som används till entrédörrar, arkiv, förråd, kontorslokaler, indus-trier etc. Låset finns även i dorndjupsutförande 35 / 70 mm.

  • Förregling av hakregeln sker automatisk vid 360° nyckelvridning
  • Certifierat enligt SS-EN 12209, SSF 3522 klass 3
  • Ingår i av försäkringsbolag godkänd låsenhet.
  • Hakregeln ger ett kopplande förband mellan dörr och karm  
  • Hakregeln är tvångsstyrd och härdad med en förstärkt för-regling. 
  • Tryckesfallen är av stål för brandklassade dörrar och är vändbar för alternativ dörrhängning. 
  • Hakregeln låses in och ut med nyckel eller med återfjädrande magnetvredcylinder 13 rund. 
  • Tryckesfallen dras in med dörrtrycke. 
  • Låshuset levereras med inbyggd låssköld.
  • Låset kan kombineras med elslutbleck för hakregellås. 
Låshus 410 ska beslås med dubbla runda cylindrar för bibehållen säkerhetsklass. Används ett godkänt extralås kan ett återfjädrande magnetvred användas på huvudlåset för upplåsning från insidan. För trädörrar tillkommer ett godkänt förstärkningsbehör. 

Ytbehandling: Förzinkad

Senaste besökta produkter