Låshus 411-50 Z

Assa Abloy Art.nr: 30503500 Lev.art.nr: 357439987057
30503500
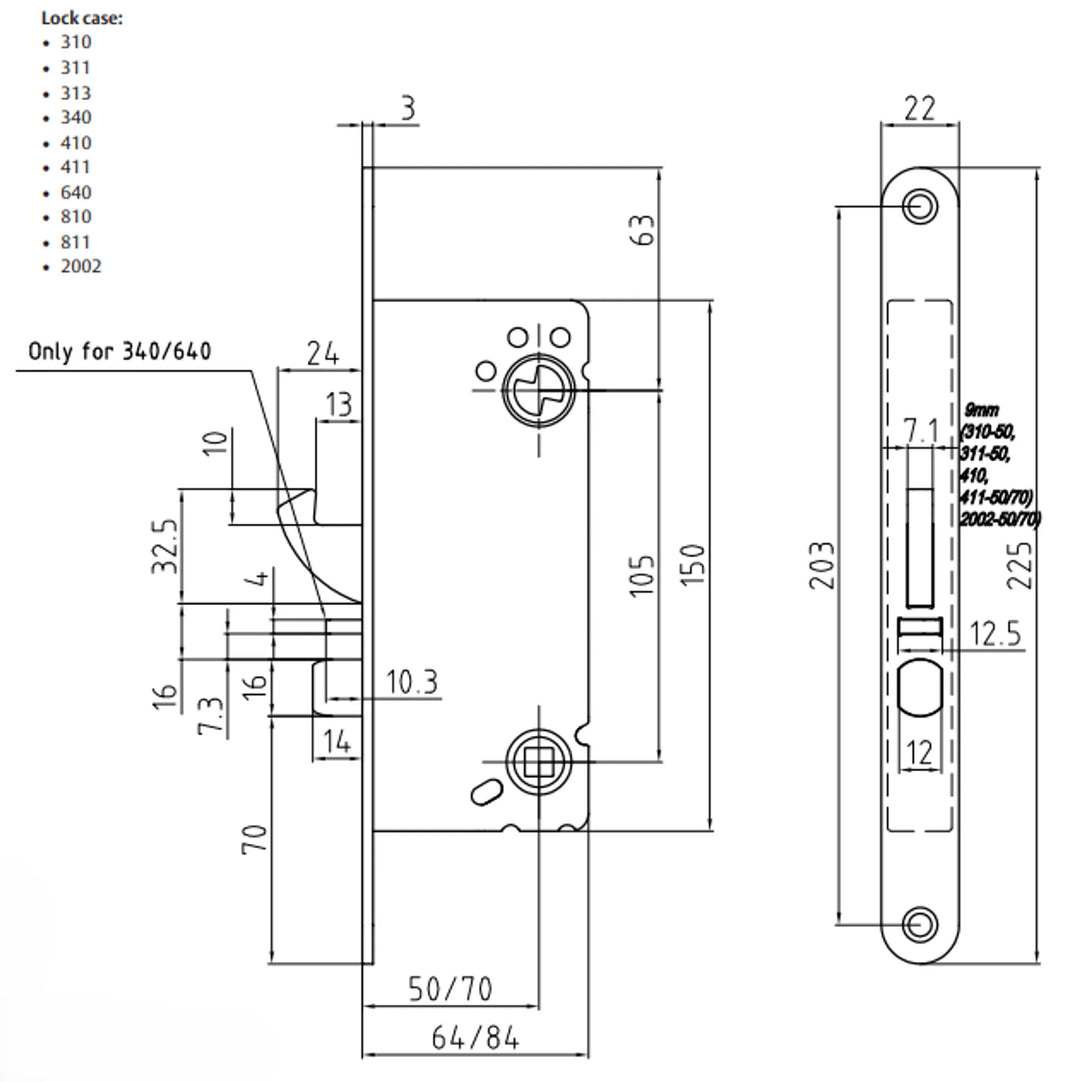
Måttskiss connect hakregel 50

Låshus 411-50 Z

Assa Abloy Art.nr: 30503500 Lev.art.nr: 357439987057
Låshus 411 är ett godkänt hakregellås som används till entrédörrar, skjut- och pendeldörrar försedda med draghandtag eller tryckplatta.  Det används ofta som extralås eller nattlås och finns i dorndjupsutförande 35 / 50 / 70 mm. 

  • Är certifierat enligt SS-EN 12209, SSF 3522 klass 3
  • Ingår i av försäkringsbolag godkänd låsenhet.
  • Hakregelns tjocklek: 9 mm
  • Kan fås i mikroutförande.
  • Hakregeln är tvångsstyrd och härdad med en förstärkt förregling. 
  • Ger ett kopplande förband mellan dörr och karm
Funktion:
  • Hakregeln låses in och ut med nyckel eller med återfjädrande magnetvredcylinder 13 rund. 
  • Låshus 411 ska beslås med dubbla runda cylindrar för bibehållen säkerhetsklass. 
  • Används ett godkänt extralås kan ett återfjädrande magnetvred användas på huvudlåset för upplåsning från insidan. 
  • För trädörrar tillkommer ett godkänt förstärkningsbehör. 
  • Låset kan kombineras med elslutbleck för hakregellås och levereras med inbyggd låssköld.
  • Förregling av hakregeln sker automatisk vid 360° nyckelvridning.


Ytbehandling: Förzinkad

Senaste besökta produkter