Låshus 620-35 Z MC hö ut

Assa Abloy Art.nr: 30514510 Lev.art.nr: 357674433057
30514510
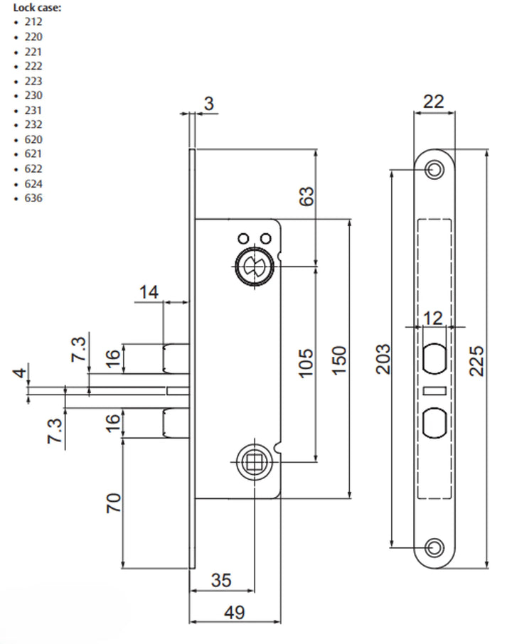
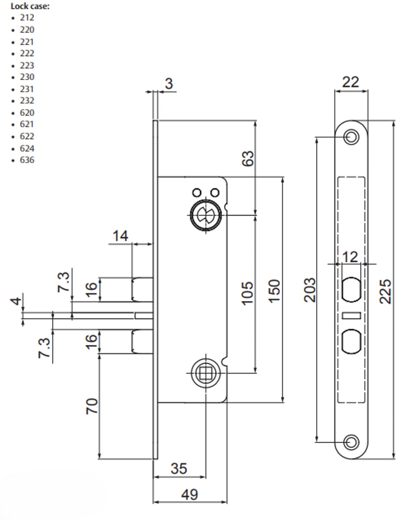
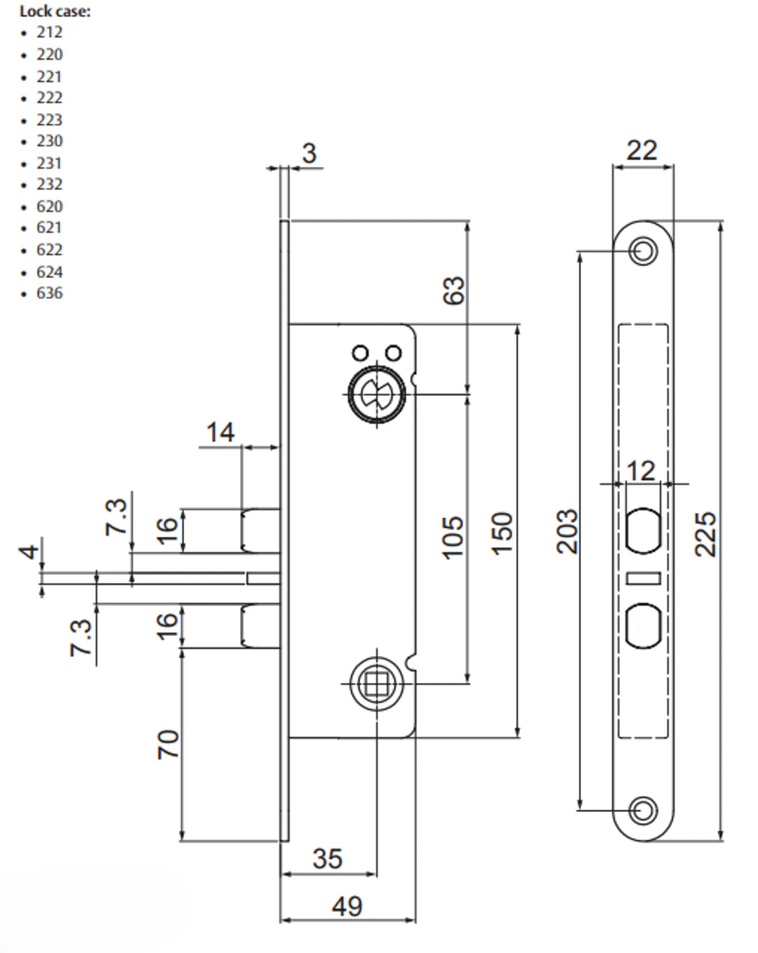
Låshus connect 35

Låshus 620-35 Z MC hö ut

Assa Abloy Art.nr: 30514510 Lev.art.nr: 357674433057
Låshus 620-35 hö ut med mikro är ett Split spindle dubbelfallås som används till entré- och innerdörrar, lärosalar, kontor, tekniska utrymmen etc. där det finns behov av direkt och bekväm utpassering. Split spindle funktionen gör det möjligt att alltid öppna dörren bekvämt från insidan med dörrtrycket.

Egenskaper:
  • Dorndjupsutförande 35 och 50 mm
  • Certifierat enligt SS-EN 12209
  • Med cylinder-, förreglings- och tryckesfall
  • Automatisk förregling av cylinderfallen vid 14 mm utlåsning och intryckt förreglingsfall
  • Uppställningsbar cylinderfall
  • Vändbara fallar för alternativ dörrhängning
  • Tryckesfall av stål för brandklassade dörrar
  • Kan kombineras med elslutbleck
Insida
Alla fallar dras in med dörrtrycke.

Utsida
Alla fallar dras in med nyckel och tryckesfallen dras in med dörrtrycke.

Ytbehandling: Förzinkad

Senaste besökta produkter