Låshus 636-50 Z MC hö ut

Assa Abloy Art.nr: 30515050 Lev.art.nr: 361334433057
30515050
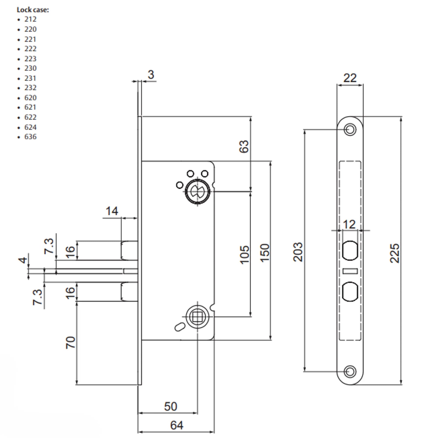
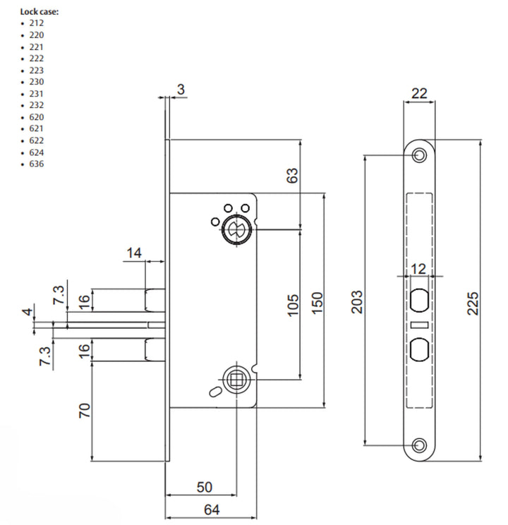
Låshus connect 50

Låshus 636-50 Z MC hö ut

Assa Abloy Art.nr: 30515050 Lev.art.nr: 361334433057
Låshus 636-50 MC är ett Split spindle lås som används till innerdörrar, lärosalar, kontor, tekniska utrymmen etc. där det finns behov av direkt och bekväm utpassering samt utan normgivna utrymningskrav. Används i kombination med dörrautomatik och kortläsare samt elslutbleck.

  • Dorndjupsutförande 50 mm.
  • Certifierat enligt SS-EN 12209.
  • Med cylinder- och förreglingsfall.
  • Automatisk förregling av cylinderfallen vid 14 mm utlåsning och intryckt förreglingsfall.
  • Kan kombineras med elslutbleck.
  • Härdad cylinderfall.
  • Split spindle där utsidans tryckesroddare är verkningslöst och endast återfjädrar.
  • Vändbar fall.
  • Split spindle funktionen gör det möjligt att alltid öppna dörren bekvämt från insidan med dörrtrycket.
  • Låset kan kombineras med elslutbleck.
Utsida
  • Cylinder- och förreglingsfall dras in med nyckel. 
  • Dörr öppnas med draghandtag.
Insida
  • Cylinder- och förreglingsfall dras in med dörrtrycke. 
  • Mikrobrytaren på insidans dörrtrycke ger en tidig signal för att indikera godkänd öppning.

Ytbehandling: Förzinkad

Senaste besökta produkter