Låshus 640-50 Z MA vä ut

Assa Abloy Art.nr: 30515240 Lev.art.nr: 357880435057
30515240
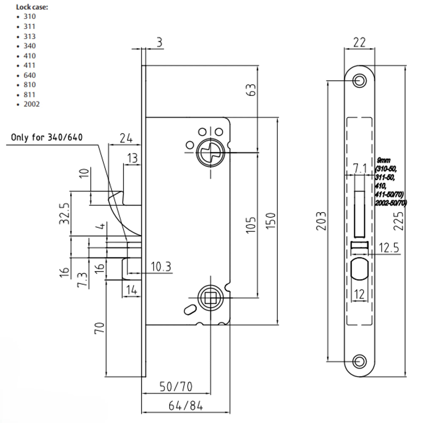
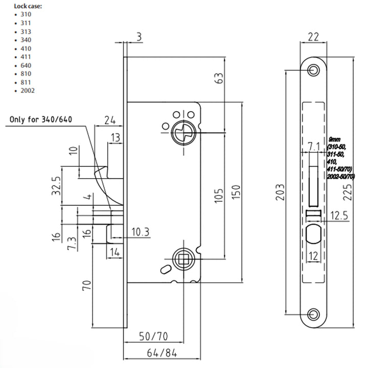
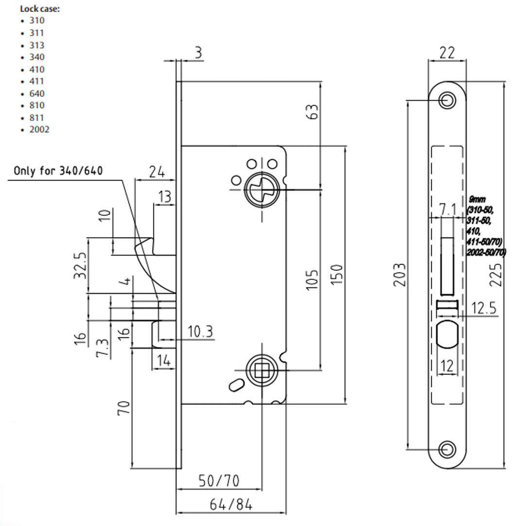
Måttskiss connect hakregel 50

Låshus 640-50 Z MA vä ut

Assa Abloy Art.nr: 30515240 Lev.art.nr: 357880435057
Låshus 640-50 MA är ett Split spindle  som används till lärosalar, hotellrum, tekniska utrymmen, kontor etc. med högre intrångskrav där det finns behov av direkt och bekväm utpassering. Split spindle funktionen gör det möjligt att alltid öppna dörren bekvämt från insidan med dörrtrycket.

  • Dorndjupsutförande 35 / 50 / 70 mm.
  • Certifierat enligt SS-EN 12209. 
  • Låset har förreglad tryckesfall och hakregel. 
  • Förregling av hakregeln sker automatisk vid 14 mm utlåsning och intryckt förreglingsfall.
  • Låset har vändbar tryckesfall för alternativ dörrhängning.
  • Kan användas med eller utan trycke på dörrens utsida.
  • Hakregellås med förreglings- och tryckesfall.
Insida
  • Hakregeln låses ut och in med vred. 
  • Tryckesfallen och hakregeln dras in med dörrtrycket.
Utsida
  • Hakregeln låses ut och in med nyckel. 
  • Hakregel, förreglings- och tryckesfallen dras in med nyckel. 
  • Tryckesfallen dras in med dörrtrycke och/eller nyckel.

Ytbehandling: Förzinkad

Senaste besökta produkter