Låshus 761-50 MJ RF vä

Assa Abloy Art.nr: 30173735 Lev.art.nr: 360691435031
30173735
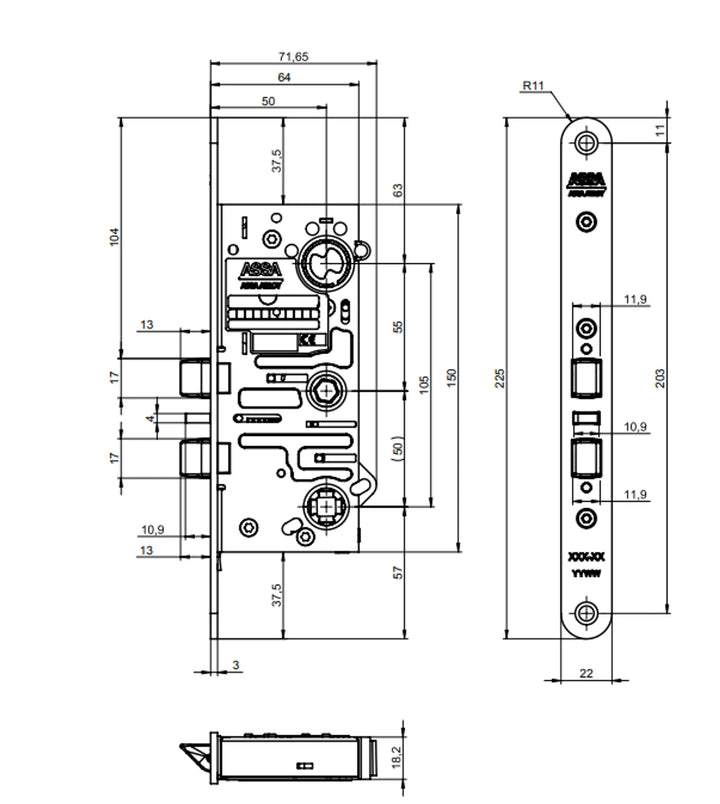
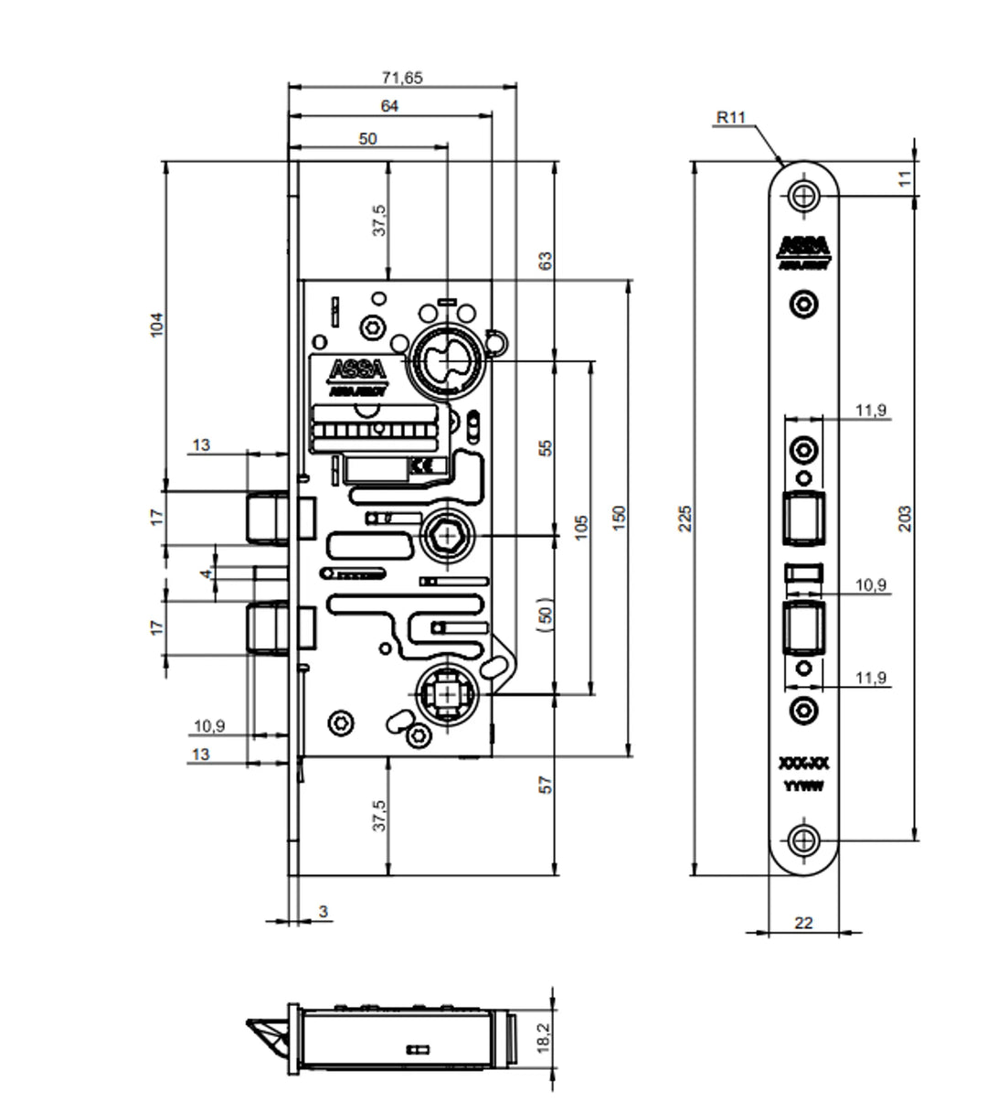
Måttskiss 761-50

Låshus 761-50 MJ RF vä

Assa Abloy Art.nr: 30173735 Lev.art.nr: 360691435031
Låshus 761-50 MJ är ett dubbelfallås med cylinder-, förreglings- och tryckesfall avsett för slagdörrar i utrymningsvägar där krav på panikutrymning föreligger. Låset öppnas med tryck på panikregeln, vilket innebär en säker utrymning.

  • Låset finns i dorndjupsutförande 35 / 50 / 70 mm.
  • Certifierat enligt SS-EN 12209. 
  •  Låshus 761 i kombination med panikregel 1125 eller 1130 är certifierade enligt SS-EN 1125.
  • Låset har 90° nyckelvridning.
  • Tryckesfall ger brandigenhållning. 
  • Möjlighet till behörig passage via cylindern. 
  • Kan användas tillsammans med elslutbleck i ASSAs 900-serie.
Funktion:
  • Cylinderroddare frigör cylinderfall och tryckesfall.
  • Utrymningsroddare frigör cylinderfall och tryckesfall. 
  • Tryckesroddare frigör tryckesfall.
  • Cylinderfall kan frigöras med uppställningsnyckel.

Ytbehandling: Rostfritt

Senaste besökta produkter