Låshus 767-50 MN RF hö

Assa Abloy Art.nr: 30173770 Lev.art.nr: 360701433031
Låshus 767-50 MN
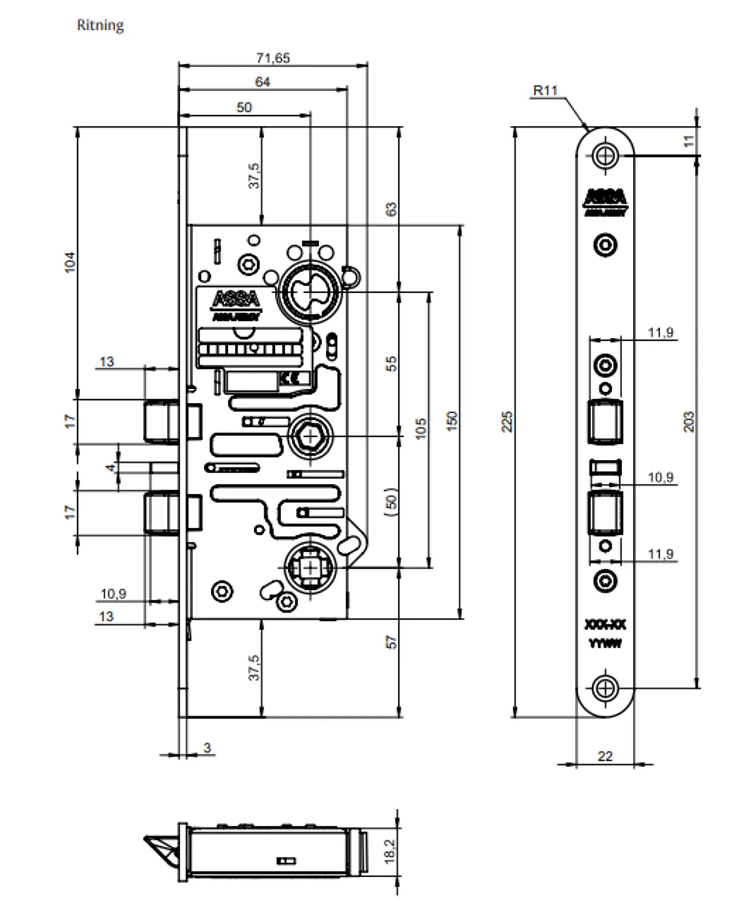
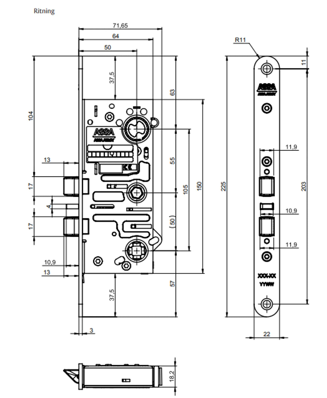
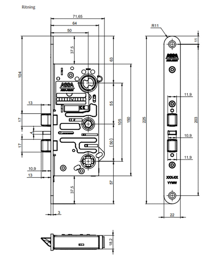
Måttskiss 767-50

Låshus 767-50 MN RF hö

Assa Abloy Art.nr: 30173770 Lev.art.nr: 360701433031
Låshus 767 är ett dubbelfallås som är avsett för slagdörrar i utrymningsvägar där krav på panikutrymning och möjlig återinrymning föreligger. Låset öppnas med tryck på panikregeln, vilket innebär en säker utrymning.

  • Dorndjupsutförande 35 / 50 / 70 mm.
  • Certifierat enligt SS-EN 12209. 
  • Låshus 767 i kombination med panikregel 1125 eller 1130 är certifierade enligt SS-EN 1125. 
  • Låshus med förreglad cylinder- och tryckesfall.
  • Vid öppning via panikregeln förblir cylinderfallen olåst vilket ger möjlighet till återinrymning via utsidans trycke. Cylinderfallen kollapsar och stannar kvar ute, vilket kan påverka kolvkontakt i elslutbleck. Återställning av låsning sker genom cylindervridning.
  • Låset har 90° nyckelvridning. 
  • Tryckesfallen ger brandigenhållning. 
  • Med mikrobrytare MN för indikering när panikregeln används och indikering förreglad cylinderfall. 
  • Möjlighet till behörig passage via cylindern. 
  • Kan kombineras med elslutbleck ur ASSAs 900-serie.
Funktion:
  • Cylinderroddare frigör cylinderfall och tryckesfall.
  • Utrymningsroddare frigör cylinderfall och tryckesfall. 
  • Tryckesroddare frigör tryckesfall.

Ytbehandling: Förzinkad

Senaste besökta produkter