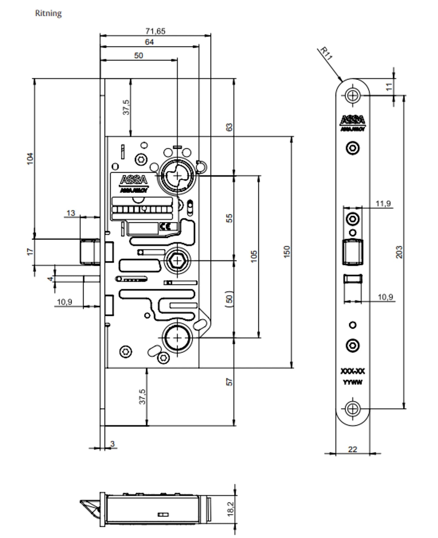
Låshus 772-50 MG RF hö

Assa Abloy Art.nr: 30173790 Lev.art.nr: 360704433031
30173790
Måttskiss 772-50

Låshus 772-50 MG RF hö

Assa Abloy Art.nr: 30173790 Lev.art.nr: 360704433031
Låshus 772 är ett cylinderfallås med cylinder- och förreglingsfall avsett för slagdörrar i utrymningsvägar där krav på panikutrymning föreligger. Låset öppnas med tryck på panikregeln, vilket innebär en säker utrymning.

  • Låset finns i dorndjupsutförande 35 / 50 / 70 mm.
  • Certifierat enligt SS-EN 12209. 
  • Låshus 767 i kombination med panikregel 1125 eller 1130 är certifierade enligt SS-EN 1125. 
  • Låshus med förreglad cylinderfall.
  • 90° graders nyckelvridning.
  • Cylinderfallen ger brandigenhållning. 
  • Med mikrobrytare MG för indikering när panikregeln används och indikering förreglad cylinderfall. 
  • Möjlighet till behörig passage via cylindern. 
  • Kan användas tillsammans med elslutbleck ur ASSAs 900-serie.
Funktion:
  • Cylinderroddare frigör cylinderfall. 
  • Utrymningsroddare frigör cylinderfall.

Ytbehandling: Förzinkad

Senaste besökta produkter