Låshus 772-50 RF hö

Assa Abloy Art.nr: 30173780 Lev.art.nr: 357758163031
30173780
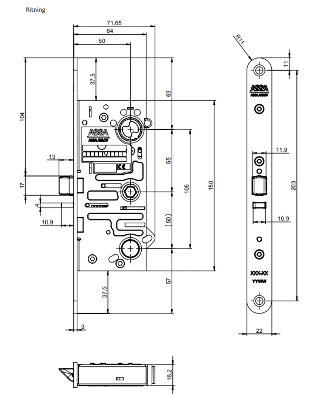
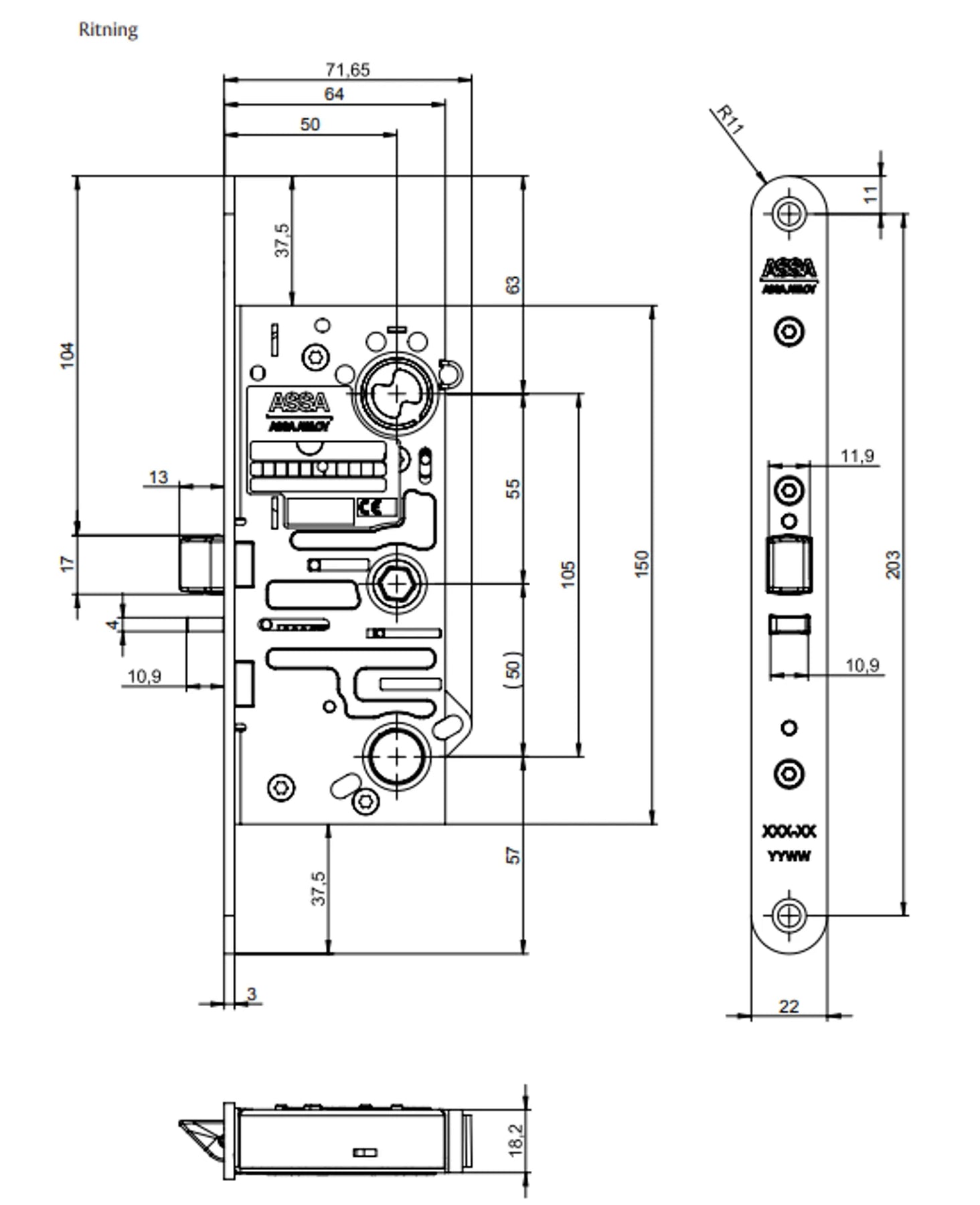
Måttskiss 772-50

Låshus 772-50 RF hö

Assa Abloy Art.nr: 30173780 Lev.art.nr: 357758163031
Låshus 772 är ett cylinderfallås med cylinder- och förreglingsfall avsett för slagdörrar i utrymningsvägar där krav på panikutrymning föreligger. Låset öppnas med tryck på panikregeln, vilket innebär en säker utrymning.

  • Låset finns i dorndjupsutförande 35 / 50 / 70 mm.
  • Certifierat enligt SS-EN 12209. 
  • Låshus 767 i kombination med panikregel 1125 eller 1130 är certifierade enligt SS-EN 1125. 
  • Låshus med förreglad cylinderfall.
  • 90° graders nyckelvridning.
  • Cylinderfallen ger brandigenhållning. 
  • Kan erhållas med mikrobrytare MG för indikering när panikregeln används och indikering förreglad cylinderfall. 
  • Möjlighet till behörig passage via cylindern. 
  • Kan användas tillsammans med elslutbleck ur ASSAs 900-serie.
Funktion:
  • Cylinderroddare frigör cylinderfall. 
  • Utrymningsroddare frigör cylinderfall.

Ytbehandling: Förzinkad

Senaste besökta produkter