Låshus 8765-50 hö Z

Assa Abloy Art.nr: 30053501 Lev.art.nr: 469105983057
30053501
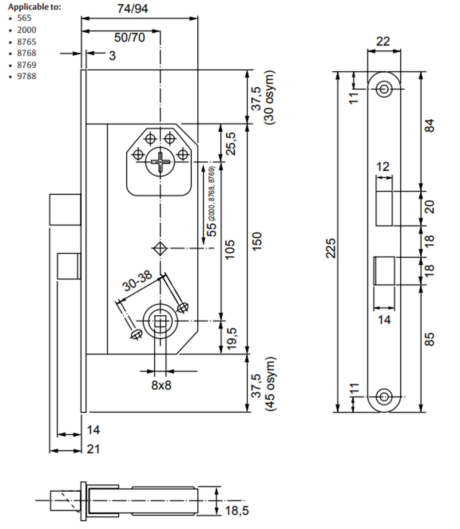
Måttskiss Classic regelfallås

Låshus 8765-50 hö Z

Assa Abloy Art.nr: 30053501 Lev.art.nr: 469105983057
Låshus 8765 är ett godkänt regellås med rak regel och tryckesfall. Låset används till entrédörrar, arkiv, förråd, kontorslokaler, industrier etc och finns i dorndjups-utförande 50 / 70 mm.

Förregling av regeln sker automatisk vid 360° nyckelvridning. Låset är certifierat enligt SS-EN 12209,  SSF 3522 klass 3 och ingår i av försäkringsbolag godkänd låsenhet.

Regeln är tvångsstyrd och härdad och låses in och ut med nyckel eller med återfjädrande magnetvredcylinder.  Låset kan kombineras med elslutbleck för regellås. 

Tryckesfallen är av stål för brandklassade dörrar och är vändbar för alternativ dörrhängning och dras in med dörrtrycke.

Låshus 8765 ska beslås med dubbla runda cylindrar för bibehållen säkerhetsklass. Används ett godkänt extralås kan ett återfjädrande magnetvred användas på huvudlåset för upplåsning från insidan. 

För trädörrar tillkommer ett godkänt förstärkningsbehör.

Ytbehandling: Förzinkad

Senaste besökta produkter