Låshus 9788-70 Z

Assa Abloy Art.nr: 30061550 Lev.art.nr: 806472167057
30061550
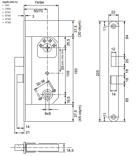
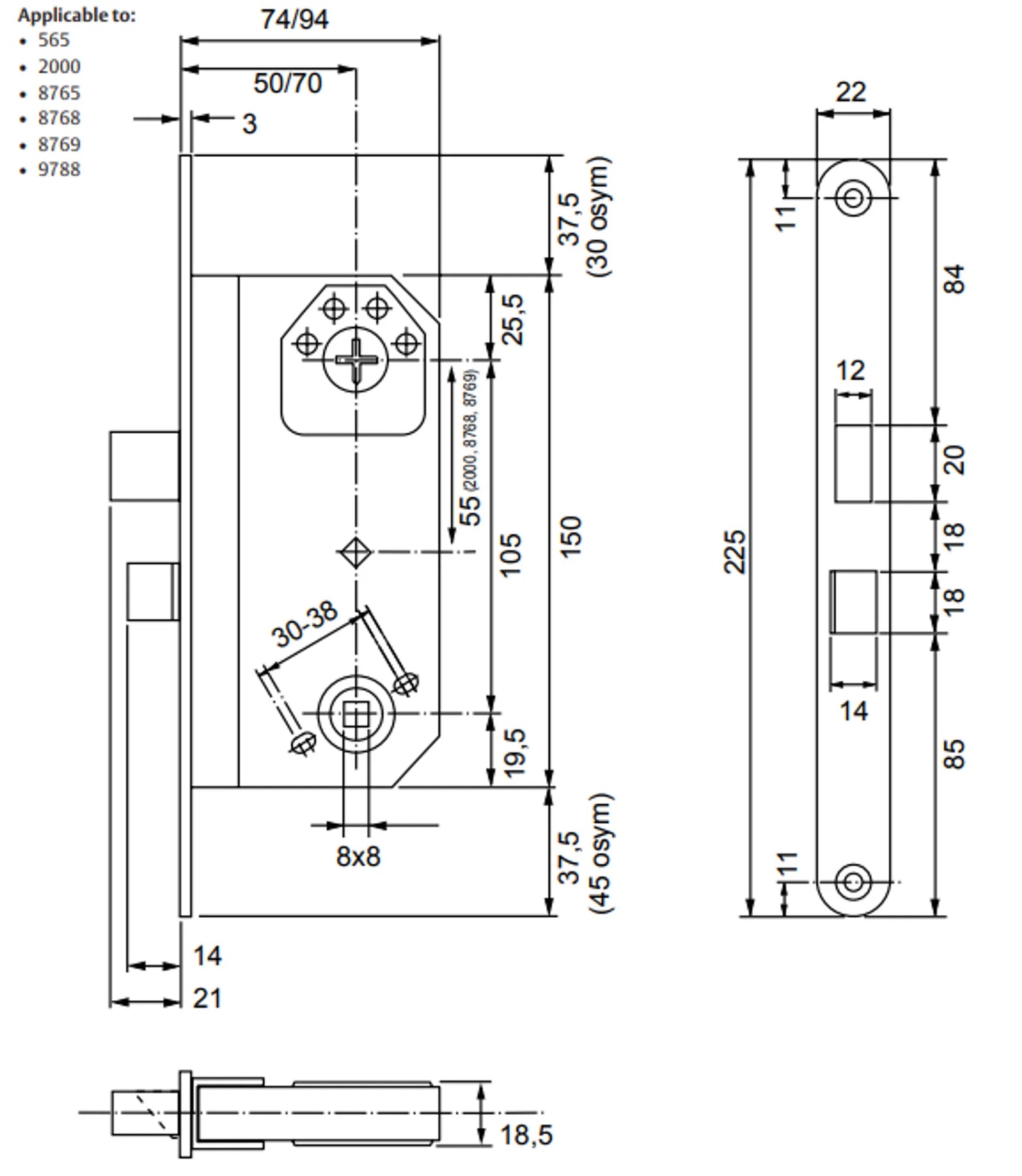
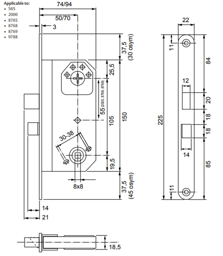
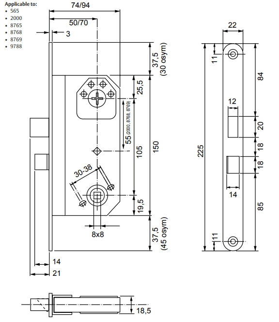
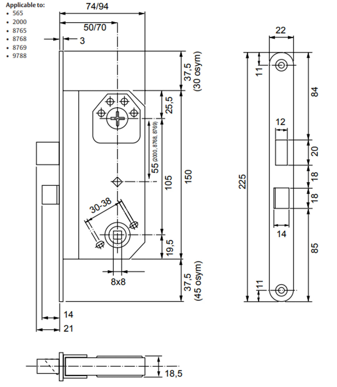
Måttskiss Classic regelfallås

Låshus 9788-70 Z

Assa Abloy Art.nr: 30061550 Lev.art.nr: 806472167057
Låshus 9788 är ett godkänt regellås som används till entrédörrar och pendeldörrar försedda med draghandtag eller tryckplatta. Låset finns i dorndjupsutförande 50 / 70 mm.

Förregling av regeln sker automatisk vid 360° nyckelvridning. Låset är certifierat enligt SSF 3522 klass 3 och ingår i av försäkringsbolag godkänd låsenhet.

Regeln är härdad och tvångsstyrd och kan kombiners med elslutbleck för regellås. Den låses in och ut med nyckel eller med återfjädrande magnetvred-cylinder.  Tryckesfallen dras in med dörrtrycke.

Låshus 9788 ska beslås med dubbla runda cylindrar för bibehållen säkerhetsklass. Används ett godkänt extralås kan ett återfjädrande magnetvred användas på huvudlåset för upplåsning från insidan. 

För trädörrar tillkommer ett godkänt förstärkningsbehör.

Ytbehandling: Förzinkad

Senaste besökta produkter