Motorlås 830C-50 komplett

Assa Abloy Art.nr: 30082068 Lev.art.nr: 705249123031
Låshus 830C-50 komplett
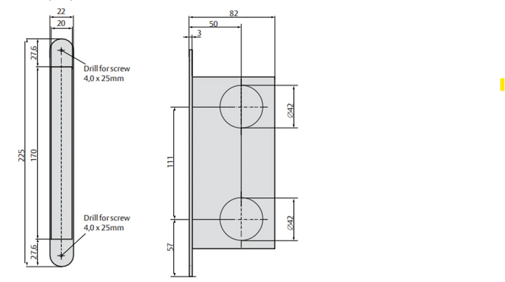
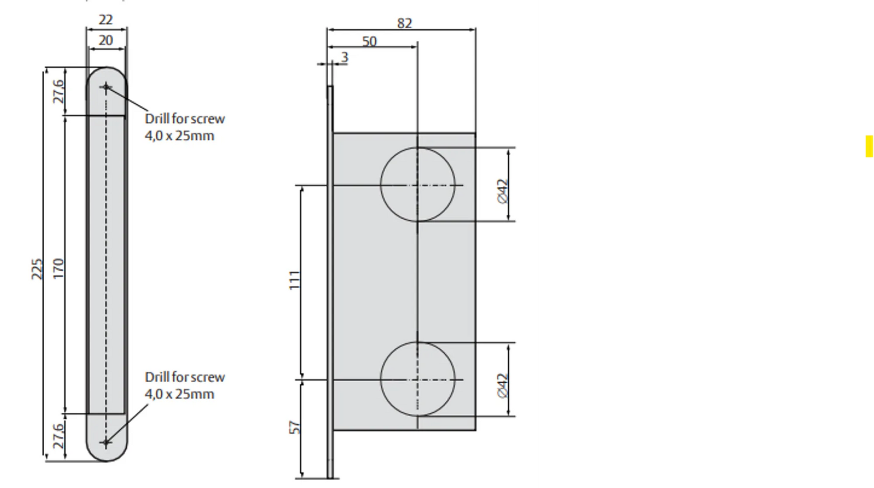
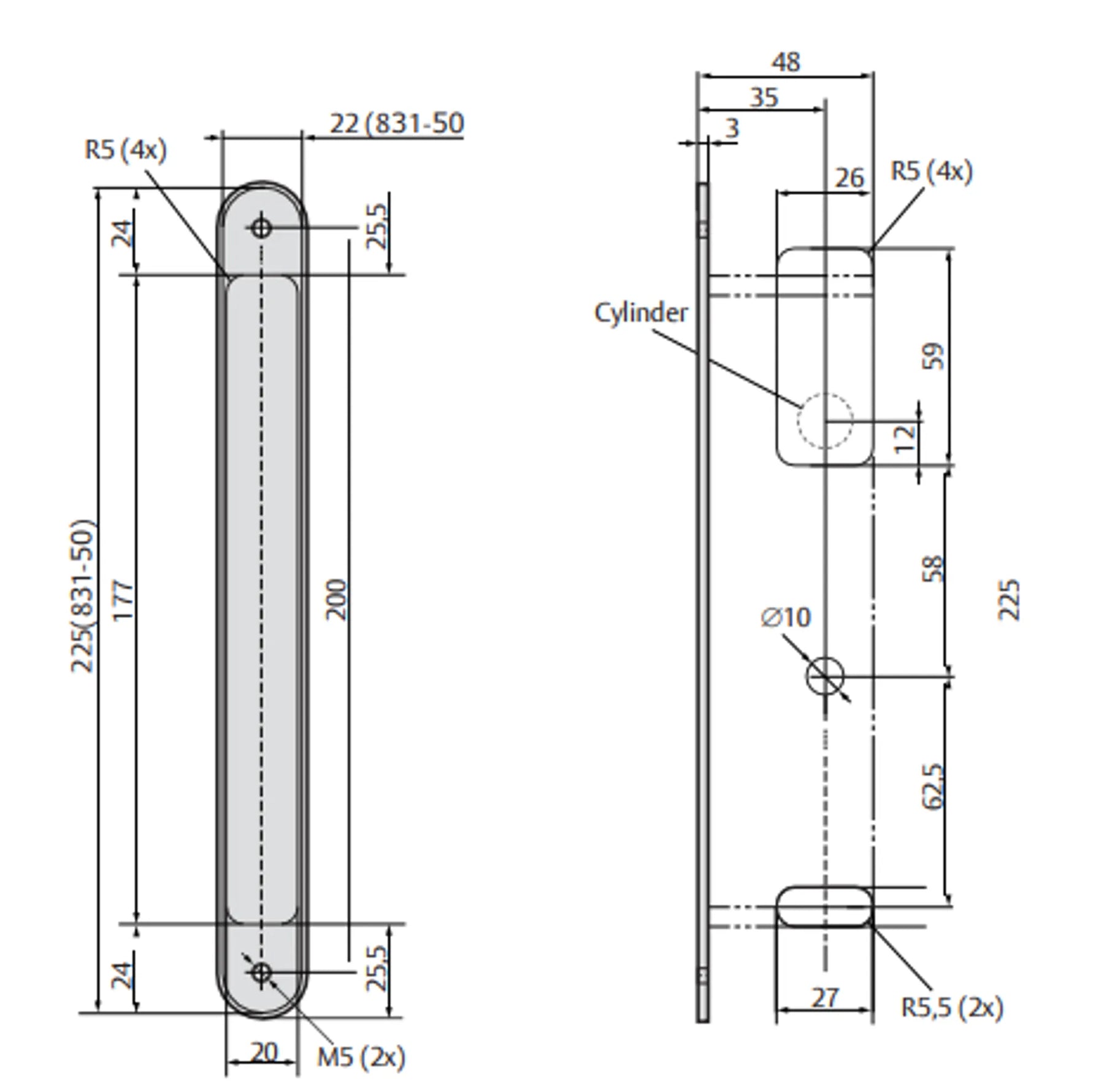
Måttskiss låshus 830C-831C
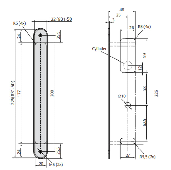
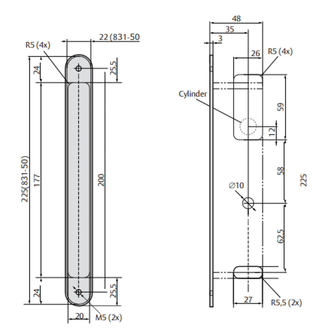
Måttskiss 2 830C-831C

Motorlås 830C-50 komplett

Assa Abloy Art.nr: 30082068 Lev.art.nr: 705249123031
Motorlås 830C-50 komplett

ASSA ABLOY motorlås 830C-50 är anpassad för dörrar med ASSA ABLOY modulurtag med krav på låsklass 3. Det passar bra som natt- och säkerhetslåsning i dörrar med säkerhetskrav inom kontor, skola och offentliga lokaler m.fl. Daglåsta eller högfrekventa dörrar kan kompletteras med ett daglås t. ex. Eltryckeslås ASSA ABLOY Velox alternativt elslutbleck ASSA ABLOY 990M/940M.

Funktion
Hakregeln drivs av den inbyggda motorn. ASSA ABLOY motorlås finns i två varianter:
  • 830C-50 med tryckesfall är godkänd för montage i brandcellsgräns
  • 831C-50 utan tryckesfall kan användas i dörrar med dörrautomatik
  • ASSA 830C/831C-50 är Hi-O-enheter som ansluts till I/O BOX 360, DAC630, DAC564 och DAC530.
  • Hi-O innebär att enheterna har en inbyggd mikrodator och kommunicerar med varandra för plug-and-playinstallation, synkronisering av dörrdrift, övervakning av beteenden och för att skicka diagnostisk information.
Egenskaper
  • Öppningshastighet ca 0,2 sekunder
  • Hakregel och tryckesfall för ökad styrka och listtryck
  • LED och brytare för initiering/status mot I/O BOX 360 och DAC
  • Låset kan alltid öppnas med nyckel/vred
  • Dorndjup 50 mm
  • Inbyggd dold dörrlägesgivare (magnet i slutbleck)
  • Kan kombineras med andra Hi-O-enheter utan styrenhet, t. ex. daglås, dörrautomatik och kortläsare
Styrenheten I/O BOX 360, DAC630, DAC564 och DAC530:
  • Fungerar som gränssnitt mot omvärlden, mot system utan Hi-O-buss, t. ex. passer- eller larmsystem
  • Kommunicerar med motorlåset via Hi-O-buss
  • Kräver styrsignaler från överordnat system för att manövrera motorlåset
  • Ger indikeringar till överordnat system som talar om låsets och dörrens status
  • Möjliggör komplettering med extern dörrlägesgivare (magnetkontakt)
  • Styr även kompletterande (icke Hi-O) daglås så att en komplett dag/natt kombination bildas (gäller inte I/O BOX 360)
  • Aktiverar larmutgång vid funktionsstörning
  • Ansluts till spänningsmatning
  • Ska installeras inomhus på den skyddade sidan av dörren inom 10 m från motorlåset
  • Om DAC630/DAC564/DAC530 integreras med ARX passersystem skapas en totalintegrerad lösning med stor flexibilitet
Inkoppling
  • Inkoppling till Hi-O bussen sker med fyra kablar, två för spänning, två för kommunikation. Använd färdigkontakterad kabel EA226 (10 m) vid installation.
Strömförbrukning
  • Vid vila: 50 mA
  • vid drift: 475 mA
Komplett sats innehåller
  • Motorlås, I/O BOX 360.
  • Anslutningskabel EA226 10m.
  • ASSA ABLOY säkerhetsslutbleck med integrerad magnet.
  • Kabelöverföring 84.

Ytbehandling: Rostfritt

Senaste besökta produkter