Motorlås 840C-50 Hi-O låshus

Assa Abloy Art.nr: 30082105 Lev.art.nr: 705116103031
30082105
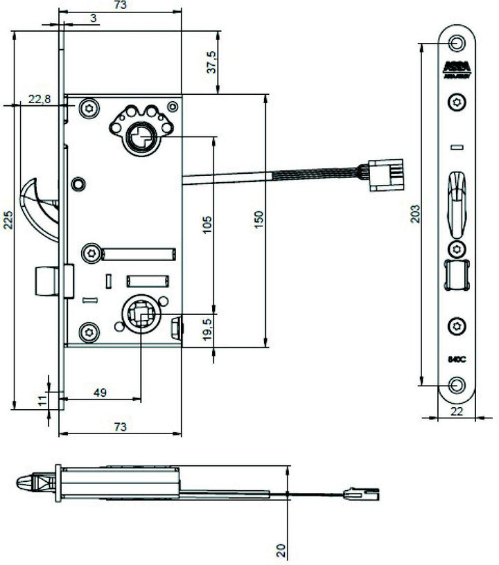
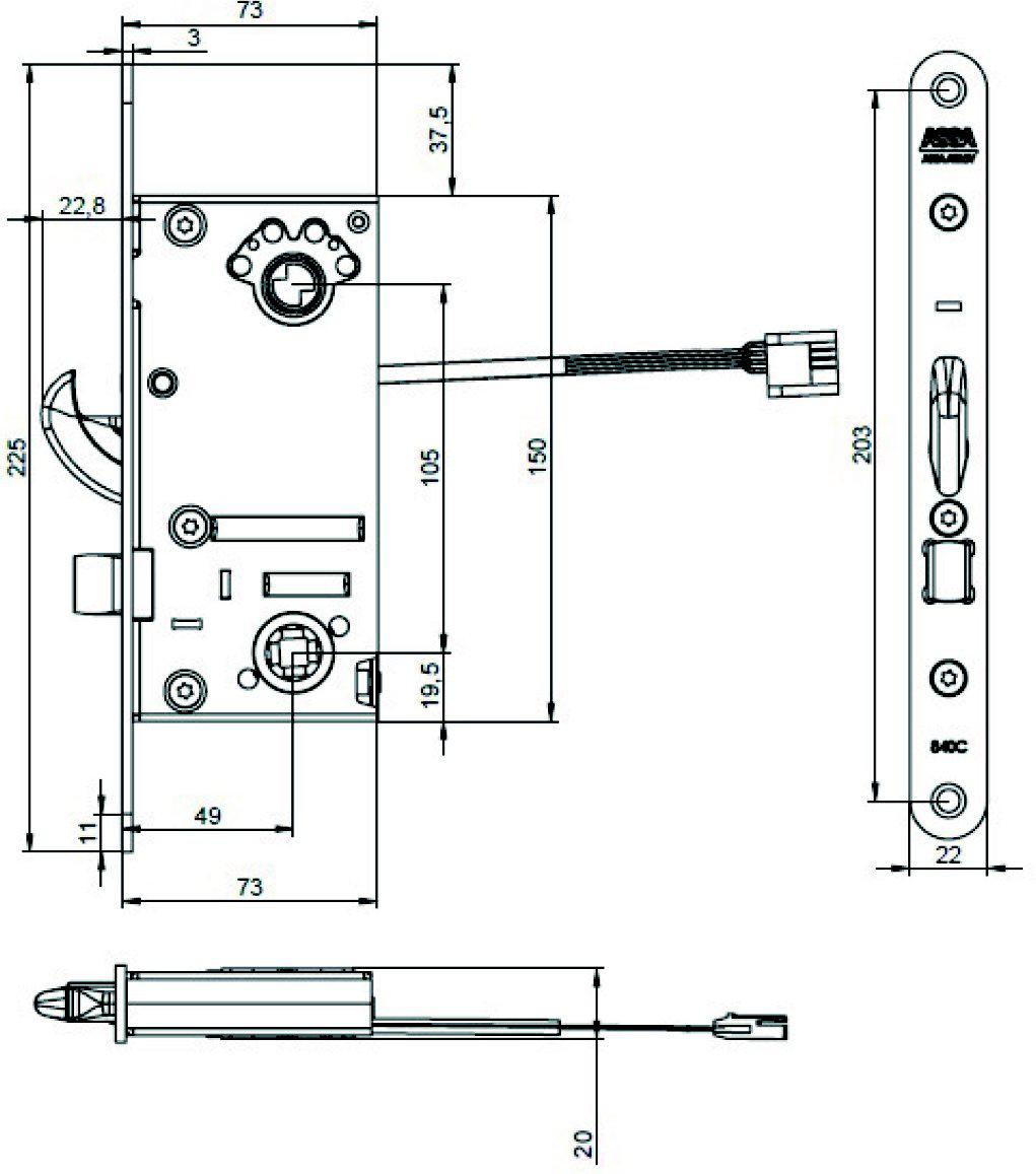
Måttskiss ASSA motorlås 840C-841C

Motorlås 840C-50 Hi-O låshus

Assa Abloy Art.nr: 30082105 Lev.art.nr: 705116103031

Motorlås 840C-50 är ett välbeprövat och populärt lås på marknaden. Låset är anpassat för en snabb och flexibel installation och hög driftsäkerhet över tid. Installationen sker digitalt och krypterat via DAC 630, 530 eller 564.


Låset är certifierat för att klara tuffa inbrotts-, brand- och utrymningskrav. Att det är energieffektivt och tillverkat av återvinningsbara material gör det till ett bra miljöval.​ 


Funktion

Hakregeln dras in med motor via en signal från passersystem, kodlås, tryckknapp eller liknande. Tryckesfallen dras in mekaniskt med trycket.


840C-50 är ett digitalt lås baserat på CAN-bus teknologi Hi-O. Hi-O innebär att en-heterna har en inbyggd mikrodator och kommunicerar med varandra för plug-and-play-installation, synkronisering av dörrdrift, övervakning av beteenden och för att skicka diagnostisk information. En Hi-O-enhet ska anslutas till en Hi-O-buss via DAC 630, 530 eller 564.


Lås anslutet till DAC630 integrerat i Larm i ARX är certifierad som magnetkontakt enligt larmklass 2 SSF1014. Detta innebär att låset kan ersätta magnetkontakt monterad separat på dörr för dörrlägesgivning i larmad dörrmiljö upp till larmklass 2.


Egenskaper

  • Mekanisk tryckesfall
  • Motordriven hakregel
  • Låset kan alltid manövreras med nyckel/vred
  • Brandklass E/EI120 igenhållande funktion
  • Certifierat enligt SS-EN 14846
  • Certifierat enligt SSF 3522 klass 2B och 5
  • Certifierat enligt SS-EN 179 tillsammans med nödutrymningsbeslag 179H
  • Certifierat enligt larmklass 2, SSF1014
  • Multispänning 12-24
  • Vändbar tryckesfall
  • Hi-O krypterad kommunikation. Ansluts mot extern styrenhet DAC 630, 530 eller 564
  • Statusindikering tillgänglig på Hi-O-bussen
    - Regel inne
    - Regel ute
    - Error
    - Dörr forcerad
    - Dörrlägesindikering 
Inkoppling

Inkoppling till Hi-O bussen sker med fyra kablar, två för spänning, två för kommunikation. Använd färdigkontakterad kabel EA226 (10 m) vid installation. Kabeln kopplas in på valfritt ställe på Hi-O bussen. 


Strömförbrukning

Standby: 1W

Motordrift: 8,4W under en cykel på 0,2sek


Ytbehandling: Rostfritt

Senaste besökta produkter