Motorlås 841C-50 Hi-O komplett

Assa Abloy Art.nr: 30082120 Lev.art.nr: 705115127031
30082120
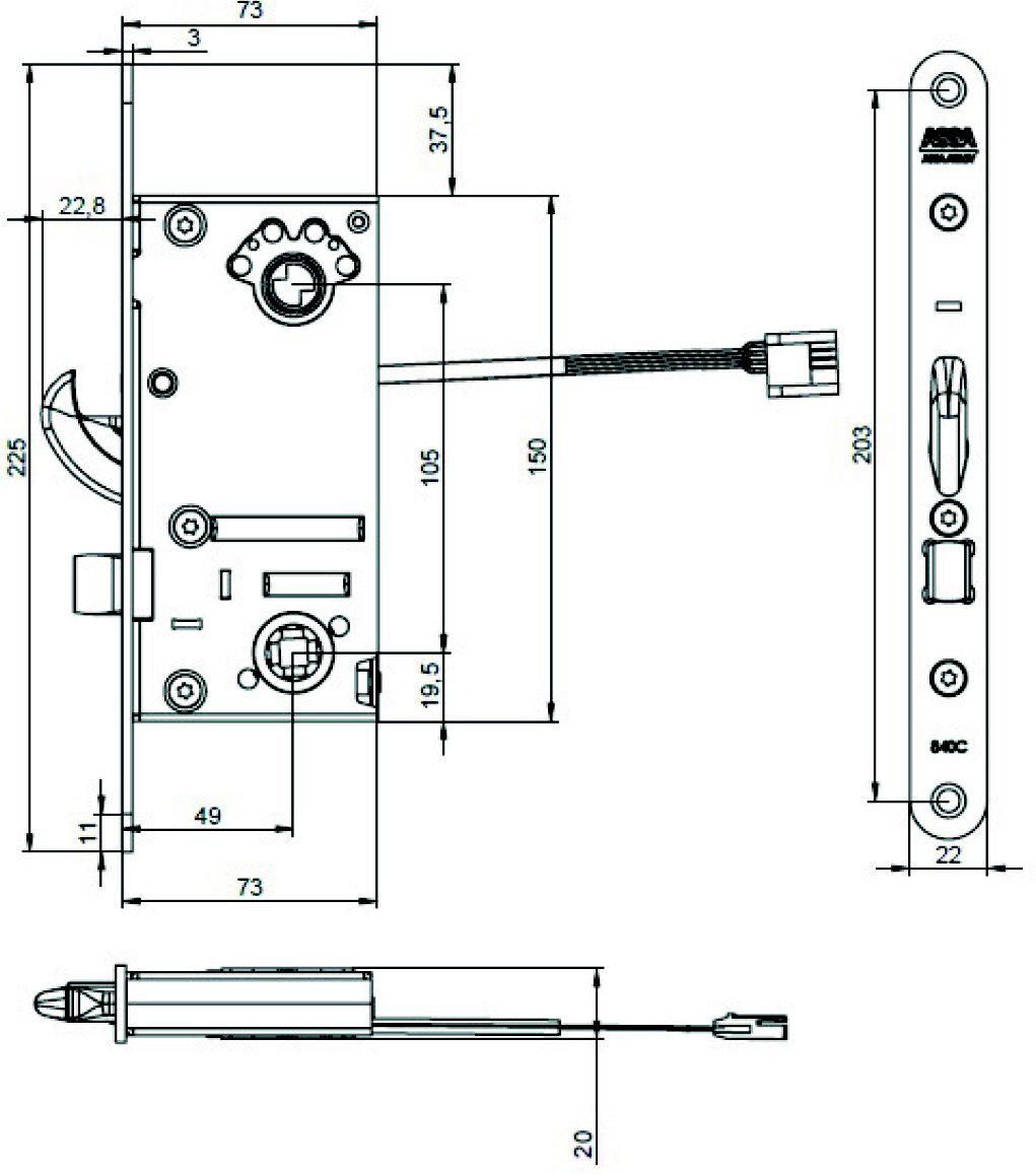
Måttskiss ASSA motorlås 840C-841C

Motorlås 841C-50 Hi-O komplett

Assa Abloy Art.nr: 30082120 Lev.art.nr: 705115127031

Motorlås 841C-50 är välbeprövat och populärt på marknaden. Låset är anpassat för en snabb och flexibel installation och hög driftsäkerhet över tid. Installationen sker digitalt och krypterat via DAC 630, 530 eller 564.​

Låset är certifierat för att klara tuffa inbrottskrav. Att det är energieffektivt och tillverkat av återvinningsbara material gör det till ett bra miljöval.​ 


Funktion

Hakregeln dras in med motor via en signal från passersystem, kodlås, tryckknapp eller liknande.


Det är ett digitalt lås baserat på CAN-bus teknologi Hi-O. Hi-O innebär att enheterna har en inbyggd mikrodator och kommunicerar med varandra för plug-and-play-installation, synkronisering av dörrdrift, övervakning av beteenden och för att skicka diagnostisk information. En Hi-O-enhet ska anslutas till en Hi-O-buss via DAC 630, 530 eller 564.


Lås anslutet till DAC630 integrerat i Larm i ARX är certifierad som magnetkontakt enligt larmklass 2 SSF1014. Detta innebär att låset kan ersätta magnetkontakt monterad separat på dörr för dörrlägesgivning i larmad dörrmiljö upp till larmklass 2. 

Egenskaper

  • 841C har inte tryckesfall och kan användas i dörrar med dörrautomatik
  • Motordriven hakregel
  • Låset kan alltid manövreras med nyckel/vred
  • Certifierat enligt SSF 3522 klass 2B och 5

  • Certifierat enligt larmklass 2, SSF1014

  • Certifierat enligt SS-EN 179 tillsammans med nödutrymningsbeslag 179I

  • Certifierat enligt SS-EN 14846

  • Brandklass E/EI120 ej igenhållande funktion

  • Multispänning 12-24V
  • Statusindikering tillgänglig på Hi-O-bussen
    - Regel inne
    - Regel ute
    - Error
    - Dörr forcerad
    - Dörrlägesindikering 
Inkoppling

Inkoppling till Hi-O bussen sker med fyra kablar, två för spänning, två för kommunikation. Använd färdigkontakterad kabel EA226 (10 m) vid installation. Kabeln kopplas in på valfritt ställe på Hi-O bussen. 


Strömförbrukning

Standby: 1W

Motordrift: 8,4W under en cykel på 0,2sek


I komplett sats:
Motorlås, DAC564 III, anslutningskabel EA226, slutbleck 1487-2 inkl magnet och karmöverföring 84.

Kan kombineras med andra Hi-O-enheter utan styrenhet, t. ex. daglås, dörrautomatik och kortläsare. 

Ytbehandling: Rostfritt

Senaste besökta produkter