MPL 2025-50 L-1 700 Z vä 22 mm skena

M5002 Flerpunktslås

Assa Abloy Art.nr: 80031560 Lev.art.nr: M5002 002 8035
80031560
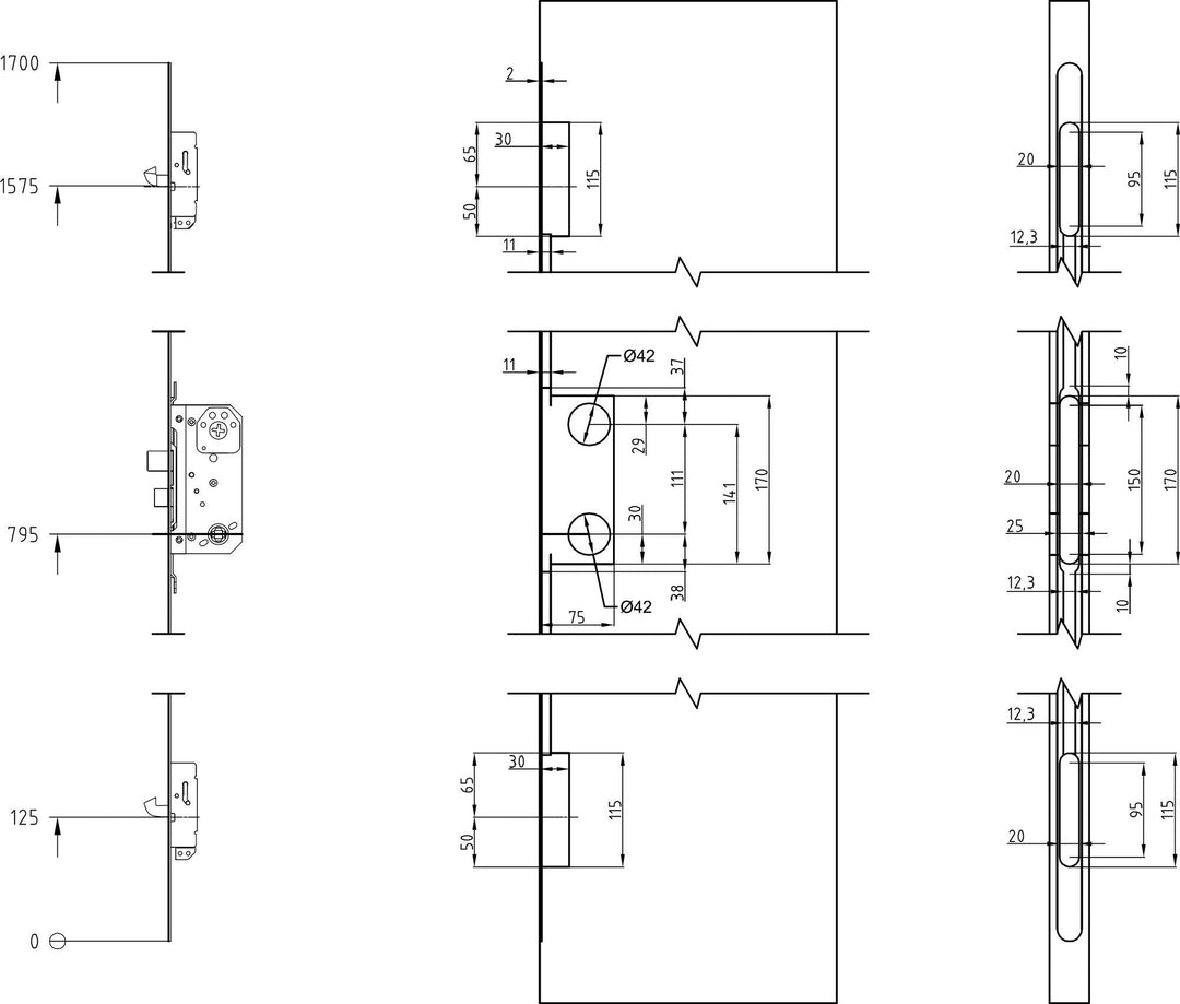
MPL 2025 - 8765 - M5000 - mått och urtagsritning

MPL 2025-50 L-1 700 Z vä 22 mm skena

M5002 Flerpunktslås

Assa Abloy Art.nr: 80031560 Lev.art.nr: M5002 002 8035
Flerpunktslås för ytterdörr. Flerpunktslås med 360 graders nyckelvridning och centrumlås 8765 med rak regelkolv och tryckesfall.

Längd: 1700 mm.
Kantskena: 22 × 2 mm med rundklippta ändar.
Handtagshöjd: 795 mm.
Dorn/Låsdjup: 50/74 mm.

Vänster. Centrumlås med tryckesfall, rak regelkolv och 2 extra hakkolvar. Hakkolvarna ger kopplande förband mellan dörr och karm för ökad säkerhet. Roddare med fyrkantssprint 8 mm. Kan måttbeställas. Levereras med
borrskydd.

För att låsa: lyft trycket för att låsa ut hakkolvar, vrid runt nyckeln 360 grader för att låsa ut regelkolv och förregla låshuset.

För att låsa upp: vrid nyckeln 360 grader för att dra in regelkolv och häva
förreglingen; och öppna dörren genom att trycka ned trycket, vilket drar in fall och hakkolvar.

Tillbehör:
  • För centrumlås, använd t.ex. Assa slutbleck 1887 eller 1889. 
  • För hakkolv, använd t.ex. Assa slutbleck 4710 alt. 4700. 
  • För kilkolvar, använd Assa slutbleck 62-R alt. 622-R. 
  • Assa trycke med returfjäder.

Ytbehandling: Förzinkad

Senaste besökta produkter