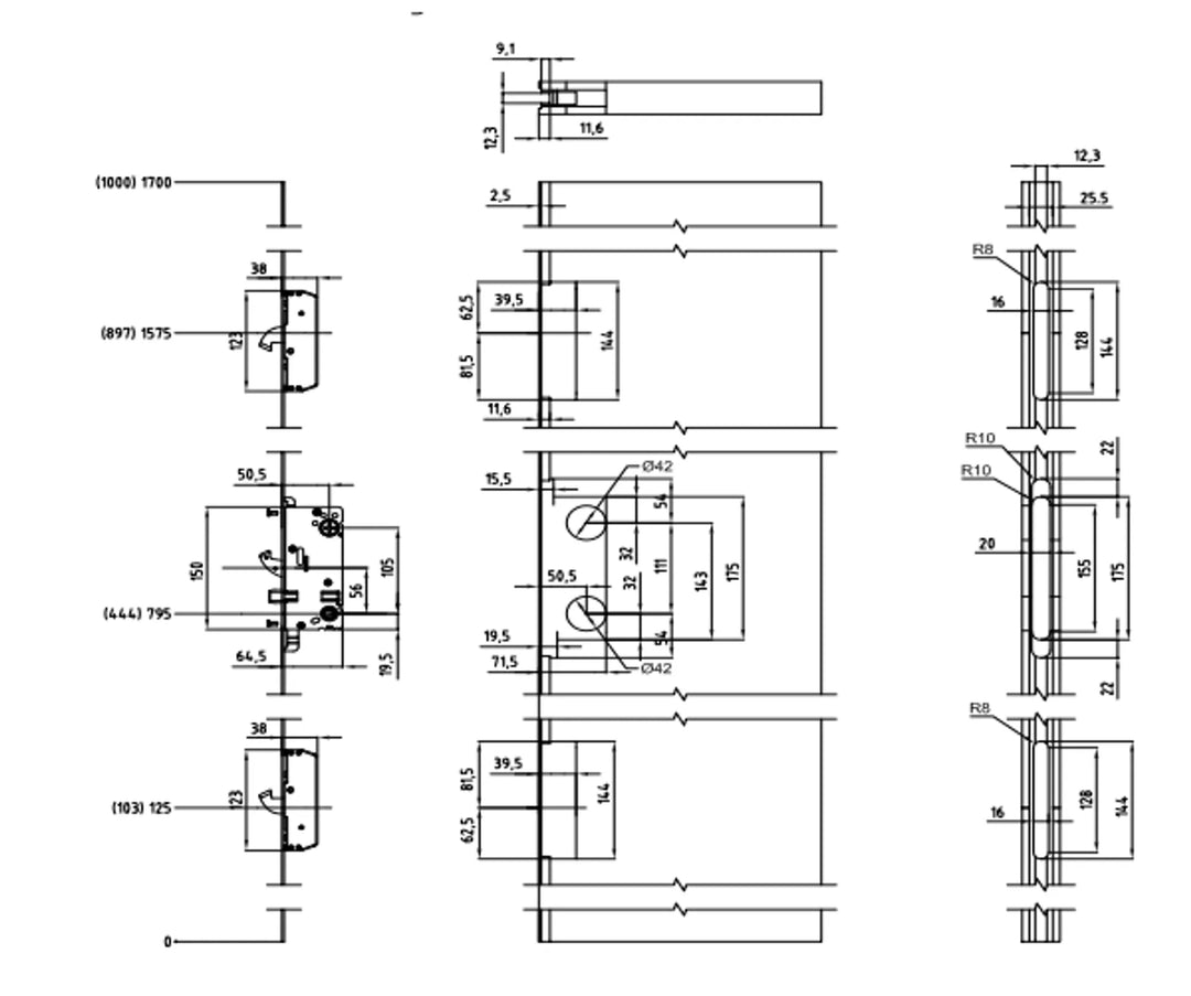
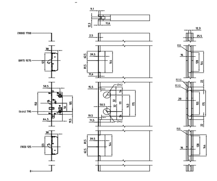
MPL 410-50 L-1 700 mm hö Fix

Flerpunktslås

Assa Abloy Art.nr: 80260020 Lev.art.nr: M5400 002 1702
80260020
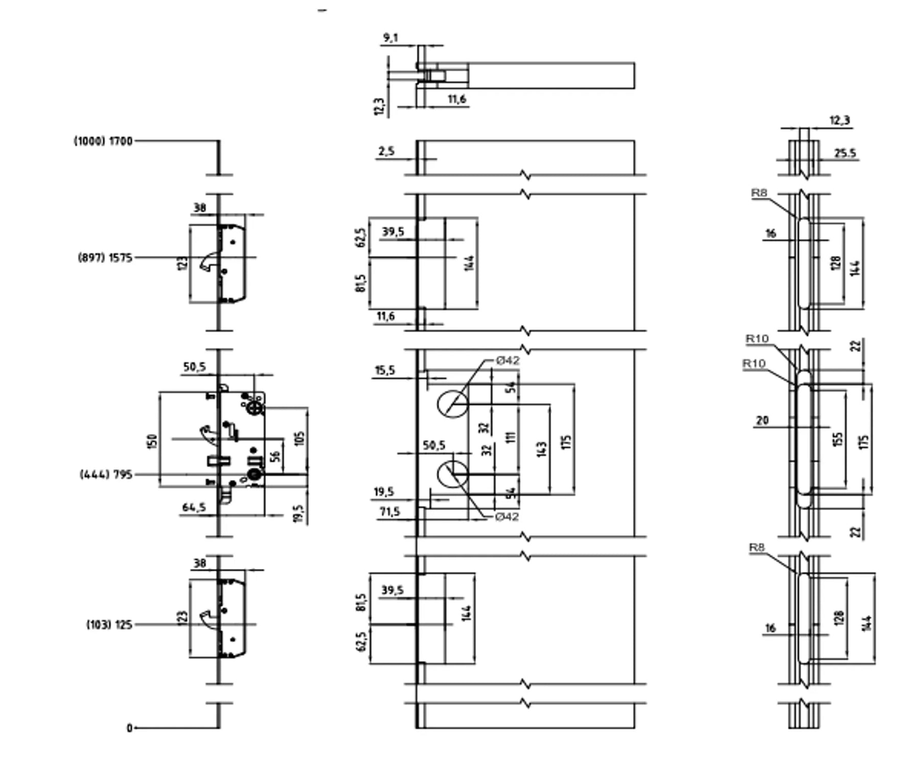
Måttskiss 410 MPL

MPL 410-50 L-1 700 mm hö Fix

Flerpunktslås

Assa Abloy Art.nr: 80260020 Lev.art.nr: M5400 002 1702
Connect MPL 410-50 flerpunktslås med hakregel, 360 graders nyckelvridning och hakkolvar. För entrédörr,
säkerhetsdörr, fönsterdörr och smalprofil inom bostadssektorn i villor, lägenheter, servicehus etc, där krav på godkänd låsenhet föreligger. Avsedd för slagdörrar.

Längd: 1 700 mm.
Kantskena: 25 × 2,5 mm med rundklippta ändar.
Handtagshöjd: 795 mm.
Dorn/Låsdjup: 50/64 mm.

Höger (vändbar tryckesfall för alternativ dörrhängning). Uppfyller krav enligt Svensk Standard SS 3522, utg. 4, klass 3 TR29. Ingår i av försäkringsbolag godkänd låsenhet, i utförande med cylinder på insida och på utsida. Centrumlås med tryckesfall, hakregel och 2 extra hakkolvar. Hakkolvarna ger kopplande förband mellan dörr och karm för ökad säkerhet. Härdade och tvångsstyrda hakreglar. Patentsökt kapslad förregling. Tryckesfall i härdat stål för brandklassade dörrar. Levereras med borrskydd.

Tillval: Extralås, inbyggd mikrobrytare, 22 mm kantskena.

För att låsa: lyft trycket för att låsa ut hakregeln och hakkolvar, vrid runt nyckeln
360 grader för att förregla låshuset.

För att låsa upp: vrid nyckeln 360 grader för att häva förreglingen; och öppna
dörren genom att trycka ned trycket, vilket drar in fall, regel och hakkolvar.

Tillbehör:
Använd Assa säkerhetsslutbleck 1487, 1487 HD eller 1489 för central låsenhet och t.ex. Assa säkerhetsslutbleck 1488 HD för hakkolvar. Assa handtag med returfjäder. Rund dubbelcylinder rekommenderas.

Ytbehandling: Förzinkad

Senaste besökta produkter