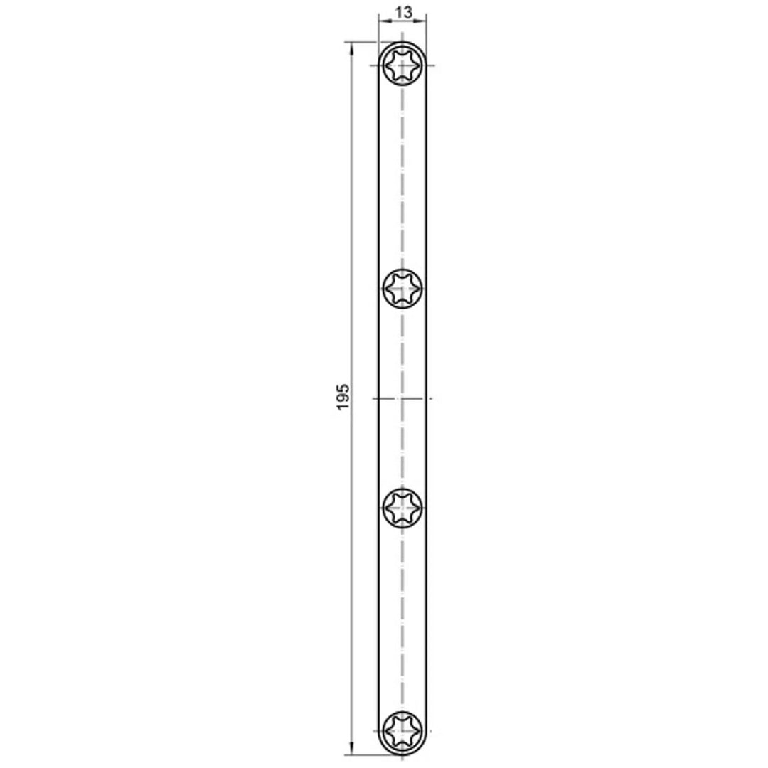
Slutbleck KCM 50/H Matt Svart

Keep closed

Simonswerk Art.nr: 10153061 Lev.art.nr: 5 170096 0 10706
KCM_50H
KCM mattsvart
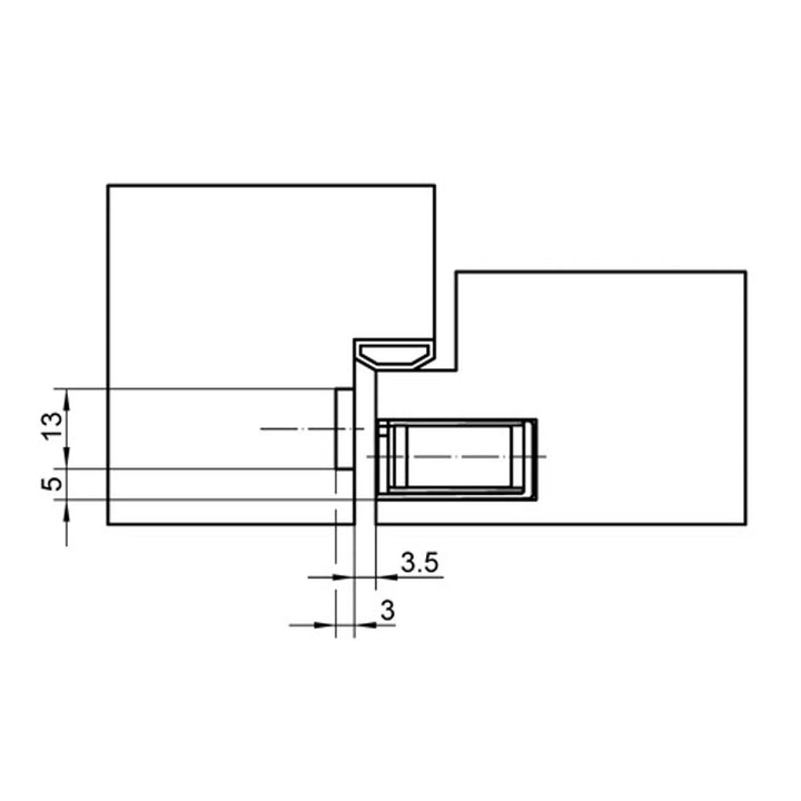
Måttskiss KCM50H
Måttskiss KCM50-H
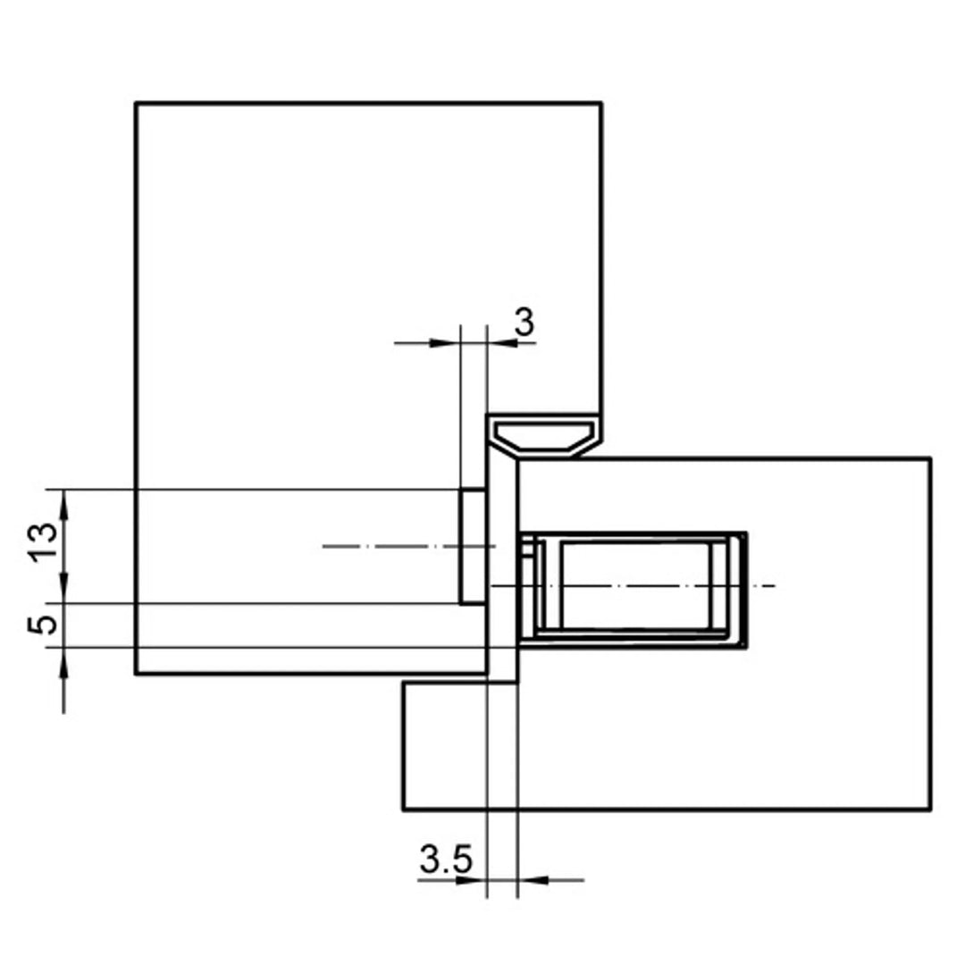
Måttskiss KCM_50H falsad
KCM_50_H_falsad

Slutbleck KCM 50/H Matt Svart

Keep closed

Simonswerk Art.nr: 10153061 Lev.art.nr: 5 170096 0 10706
Simonswerk slutbleck KCM50/H tillhör serien Keep Closed och är ett magnetlås för invändiga glas- och trädörrar. Med dolt montage och ett stilrent handtag blir Keep Closed ett snyggt designalternativ som ersätter de traditionella innerdörrslåsen.

  • Används tillsammans med magnetlås KCM 50
  • För användning i ramar av trä, stål och aluminium. 
  • Monteras i dörr eller karm.
Video: 
Montering KCM 50

Ytbehandling: Svart

Senaste besökta produkter