Slutbleck LT 10 15 x 11

Olda

Olda Art.nr: 10167840 Lev.art.nr: 24-016-1000-5101
10167840
Måttskiss-Slutbleck LT 10 15 x 11
Måttskiss_Slutbleck LT 10 15 x 11

Slutbleck LT 10 15 x 11

Olda

Olda Art.nr: 10167840 Lev.art.nr: 24-016-1000-5101
Ett slutbleck används tillsammans med kantreglar med rund regel, för att säkerställa en korrekt regling, speciellt vid förlängda reglar och/eller långa stänger.
Slutblecket optimerar även funktionen hos kantregeln genom att minska friktionen mellan regel och dess ingångshål i karm eller tröskel.

Egenskaper:
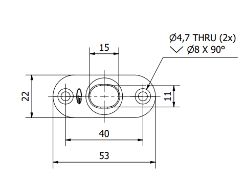
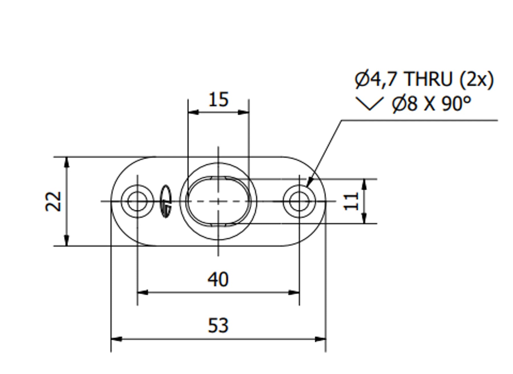
Slutblecken OLDA LT är 20 mm djupa, 22 mm breda och har ovala hål – i två olika versioner (bredd x höjd).
LT 10 med hål 15 x 11 mm eller 11 x 15 mm är avsett för regel Ø 10 mm.

Användning:
Rekommenderas för att säkra funktionen och öka livslängden hos kantreglar mm.
Fälls in i karm/tröskel av tra¨, stål- eller aluminiumprofiler.
Slutblecken LT används ofta tillsammans med styrblecken OLDA GT (med runda hål) i dörrbladet, vilket är särskilt viktigt om dörrbladet har automatiska tätningströsklar. De ovala hålen i slutblecken LT är till för att hantera om dörrbladet “hänger sig” med åren. Om ett mer precist slutbleck önskas, kan styrbleck GT med lämplig storlek på runt hål användas i stället, då även GT har försänkta hål.

Montage:
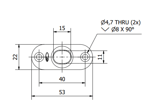
OLDA LT monteras i karm/tröskel. Ytterdiametern a¨r 22 mm och totalho¨jden a¨r 20 mm. När stolpen skruvas utanpå karm eller tröskel blir synlig höjd endast 2 mm. De rundade ho¨rnen möjliggör också helt infräst montering.

Vanligtvis monteras OLDA LT längs med karm/tröskel och då väljs med fördel den version av aktuellt LT som har störst bredd på det ovala hålet, ex. 17 x 13 mm för regel Ø 12 mm. Vid tillräckligt djup på karm eller tröskel (eller golv) kan OLDA LT även monteras i dörrens öppningsriktning, då väljs oftast den version av aktuellt LT som har störst höjd på det ovala hålet, ex. 13 x 17 mm för regel Ø 12 mm.

Fästs med två skruvar.

Specifikation:
Ovalt hål (bredd x höjd):
15 x 11 mm eller 11 x 15 mm (LT 10) avsett för regel Ø 10 mm

Dimensioner:
ytterdiameter: 22 mm
höjd: 20 mm
stolpe: 53 x 22 x 2 mm med runda hörn
Montage: i karm eller tröskel
fästs med elförzinkad skruv, försänkt (rek. dim. 3,5×16 mm), 2 st.
Material: zink
Ytbehandling: elförzinkning

Ytbehandling: Elförzinkad

Senaste besökta produkter